brake light fuse

2002 FORD EXPEDITION
96,000 MILES • V8 • FWD • AUTOMATIC
Avatar
NOTREDAME1
  • MEMBER
  • 1 POST
how do i find brake light fuse?
Mar 14, 2009 at 1:55 PM
Advertisement
Avatar
MERLIN2021
  • CERTIFIED EXPERT
  • 17,250 POSTS
Hello,

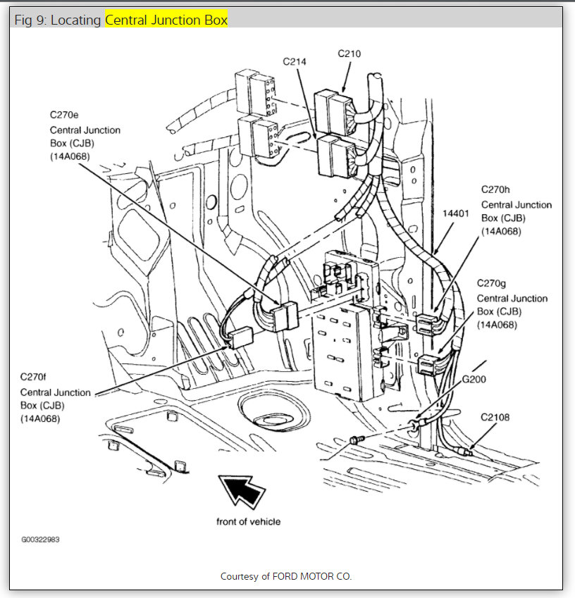
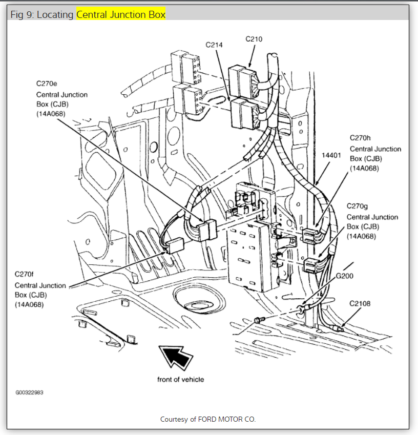
Here is a guide to help you test for power at the fuse and the fuse panel diagrams below. The fuse is F1.2

https://www.2carpros.com/articles/how-to-check-a-car-fuse

Check out the diagrams (Below). Please let us know if you need anything else to get the problem fixed.
Mar 14, 2009 at 1:59 PM
Avatar
RUBIOWELLNESS
  • MEMBER
  • 1 POST
Electrical problem
2001 Ford Expedition V8 Two Wheel Drive Automatic

My driver side rear brake light does not come on when i hit my brakes. It does not go on when I use my left turn switch either. I checked the bulb and I checked the fuse. All seem intact. The front driver side turn signal works but it flashes very rapidly. I am sure it has something to do with the rear light not working. Any suggestions?
Apr 16, 2019 at 12:06 PM (Merged)
Advertisement
Avatar
JACOBANDNICKOLAS
  • CERTIFIED EXPERT
  • 110,175 POSTS
I think you are correct. The symptoms you described are that of a burnt out tail light. Remember, there are two elements in the bulb. One is a parking light the other for the signal and brake light. Have you tried replacing the bulb with a new one? Have you checked the light socket to see if there is power to it with the brakes?

That fast flashing front light indicates the rear light has an open curcuit which means the power isn't going through it fully. Check it with a test light or new bulb and let me know what you find.

Joe
Apr 16, 2019 at 12:06 PM (Merged)