brake lights will not go out

2000 FORD ESCORT
78,000 MILES • 4 CYL • 2WD • MANUAL
Avatar
FASTEDB4
  • MEMBER
  • 1 POST
the brake lights will not go out-we have taken out the fuse
Jul 19, 2010 at 5:39 PM
Advertisement
Avatar
RASMATAZ
  • CERTIFIED EXPERT
  • 75,992 POSTS
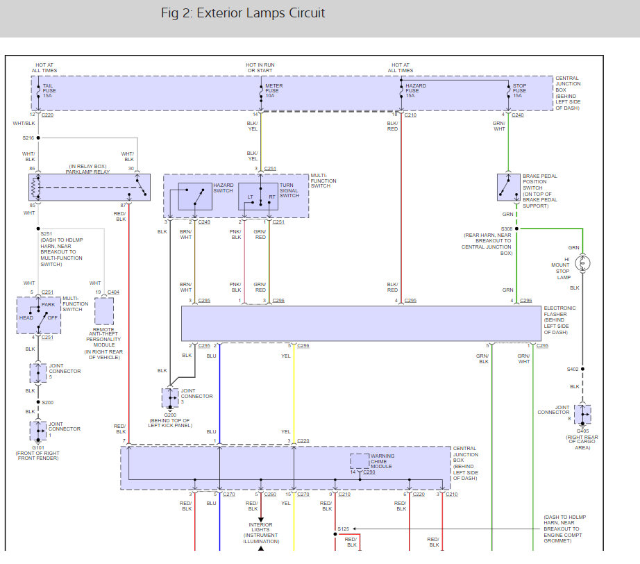
Test through the brake light switch to make sure it is cutting the circuit when the pedal is up if okay the the flasher module needs to be replaced here is a wiring diagram so you can see how the system works and the location of the flasher module is:

Electronic Hazard Warning Flasher is located behind left side of Instrument Panel, near cowl


Check out the diagrams (Below). Please let us know if you need anything else to get the problem fixed.

Cheers
Jul 19, 2010 at 6:02 PM