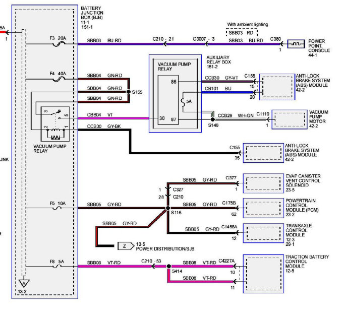
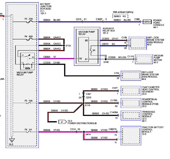
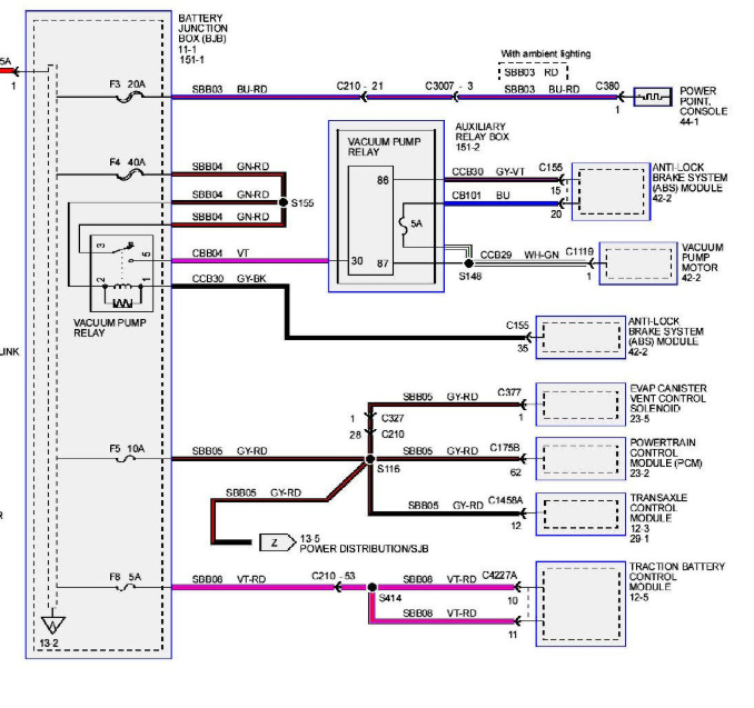
Hello, I bought this vehicle. It starts but only in hybrid mod and gas engine won’t start. There is code P0727 Engine Speed Input Circuit No Signal.
Crank sensor is bad? Or harness problem also where is speed sensor located?
Crank sensor is bad? Or harness problem also where is speed sensor located?
Sep 5, 2019 at 1:49 PM










