A/C only coming out of defrost vents

1999 FORD E-SERIES VAN
Avatar
BB82
  • MEMBER
  • 2 POSTS
when i take the access panel on the dashboard off, and expose the vent controls i am able to manually push the lever to change the vent set that the air blows out of, but of course it will not stay in that position for any longer than my hand is there.

so i have determined that the probable reason that the air conditioning is only coming out of the defrost vents by the windshield is due to a lack of vacuum pressure. My first problem is that i have been unable to locate the vacuum canister on this vehicle. secondly, i am not really sure what to do once i find it, as i do not have any experience with vacuum systems. Any help on this would be greatly appreciated, as the Arizona heat is getting to be a bit unbearable.
Jul 15, 2010 at 4:35 PM
Advertisement
Avatar
HMAC300
  • CERTIFIED EXPERT
  • 48,601 POSTS
first thing to do is see if you have a vacuum line off. then check to see if there is a hole in the line going to the heater, that includes from the engine to block on the firewall and from there to the heater control. It could be your control, but i do not know if you will hear it with the engine running. you may be able to feel it though. check on your fender wells for the canister. it can also be down outside in the tire area. there also should be a check valve between the engine and heater control. Here is a guide to help you see what to look for so you can fix the problem.

https://www.2carpros.com/articles/air-vents-stay-in-the-defrost-position

Please run down this guide and report back

Cheers
Jul 16, 2010 at 5:21 PM
Avatar
BB82
  • MEMBER
  • 2 POSTS
Okay sorry, i have not been able to work on it for a while. found the vacuum canister, tested it with a hand operated pump, and it seems to be working just fine. i also replaced the switch on the dash which controls where the air is directed. same problem still exists.

the leak must be before the switch that was replaced, but i do not know which hose is supposed to supply the vacuum to the switch, or where it comes from.

i guess i need a diagram of the vacuum system so i can try and track down the leak. any ideas on where i might be able to obtain one?

thanks again for the help.
Aug 5, 2010 at 1:51 PM
Advertisement
Avatar
HMAC300
  • CERTIFIED EXPERT
  • 48,601 POSTS
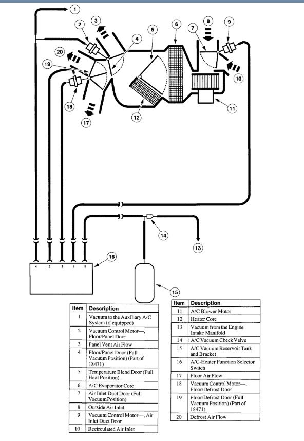
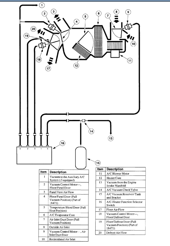
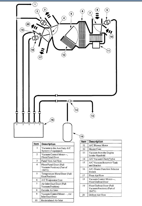
there is a check valve that may have gone bad, those are usually one way to keep vacuum in the system. I am sending a diagram along and you can blow it up or print it. I would check to see if you are getting vacuum to the motor that moves the air as usually when the vacuum goes out the defrost stays on.

Check out the diagrams (Below). Please let us know what you find.
Aug 5, 2010 at 6:23 PM
Avatar
HERCULIES7
  • MEMBER
  • 1 POST
I found the break at the tee in the vacuum line under the hood near the evaporator core :) all fixed. I love this site.
Jan 17, 2016 at 5:01 PM