Brake lights do not work why?

2006 FORD CROWN VICTORIA
Avatar
FKS1127
  • MEMBER
  • 2 POSTS
My brake light went out, checked fuses and they are okay.
Aug 12, 2009 at 8:43 AM
Advertisement
Avatar
JDL
  • CERTIFIED EXPERT
  • 16,098 POSTS
Hello, are you saying, none of your brake lights work? High-mount brake lite, lower brake lites, nothing? Check the brake switch, check for voltage feed to and from the brake switch. Did you check that the fuse circuit had voltage, use a testlite, activate the brake switch. This guide can help us fix it.

https://www.2carpros.com/articles/brake-lights-not-working

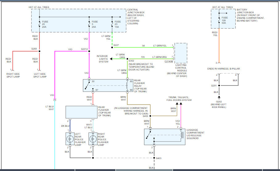
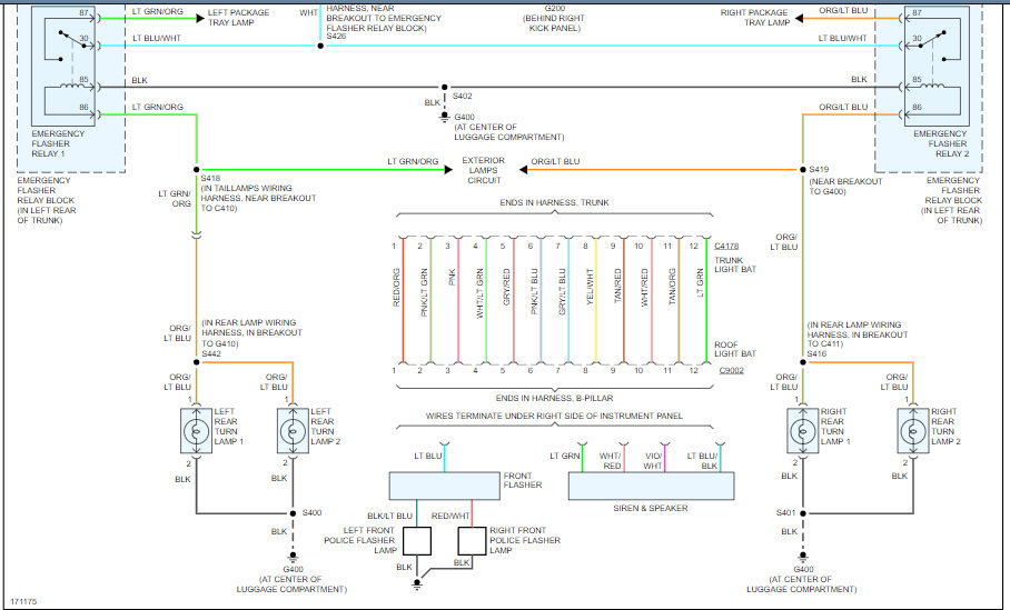
here is the brake light wiring diagrams so you can see how the system works.
Aug 12, 2009 at 9:02 AM
Avatar
FKS1127
  • MEMBER
  • 2 POSTS
It was a faulty brake light switch! thanks again!
Aug 12, 2009 at 2:07 PM
Advertisement
Avatar
CONCRETEMAN322
  • MEMBER
  • 4 POSTS
03 CVPI brake lights just went out. The deck brake light still work however the rear lights do not. Tail lights work (with lights on) turn signals work fine, all fuses are good. All bulbs are good. 12v at the switch off the pedal. No broken wires in the trunk or along the drivers side all the way to the harness connector under the dash. Any ideas?
May 19, 2021 at 6:44 PM (Merged)
Avatar
BMRFIXIT
  • CERTIFIED EXPERT
  • 19,053 POSTS
this sounds like the multifunction switch. This guide can help fix it

https://www.2carpros.com/articles/brake-lights-not-working

Please run down this guide and report back.
May 19, 2021 at 6:44 PM (Merged)
Avatar
CONCRETEMAN322
  • MEMBER
  • 4 POSTS
Found out what you were talking about, only had to read your answer again. turned on hazard lights pushed brake pedal and the hazards kept flashing, are they supposed to stop flashing? no other issues with the turn signals, hi/lo beam or wipers. is there any tests, that can be done besides replacement to determine if it is bad? thank you
May 19, 2021 at 6:44 PM (Merged)
Avatar
BMRFIXIT
  • CERTIFIED EXPERT
  • 19,053 POSTS
check if you have power going in and out the switch when you have the brake on if in and no out then the switch is bad


https://www.2carpros.com/forum/automotive_pictures/99387_ford_multy_1.jpg

Have an automotive repair question! Sign up and ask your automotive question !
May 19, 2021 at 6:44 PM (Merged)
Avatar
CONCRETEMAN322
  • MEMBER
  • 4 POSTS
No out, replaced mfs easy job thought it would be more difficult. anyway still have the same problem. I am thinking that it may have something to do with the Police package wiring, since this car had the stealth mode (black out the brake lights except the deck, all equipment has been removed) and there may be an issue there maybe a grounded wire. there is power coming out of the MFS and power at the fuse from there no power where they run along driver kick panel. Has to be there somewhere, Back fed wire from trunk to kick panel and no problems there so it's under the dash somewhere. Thanks
May 19, 2021 at 6:44 PM (Merged)
Avatar
DEBBIE0101
  • MEMBER
  • 1 POST
My brake lights on my car stopped working at the same time. I replaced the bulbs and they are still not working?
May 19, 2021 at 6:44 PM (Merged)
Avatar
DANNY L
  • CERTIFIED EXPERT
  • 5,648 POSTS
Hello, I'm Danny.

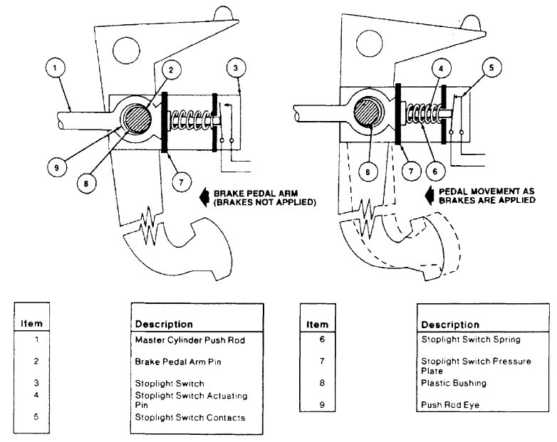
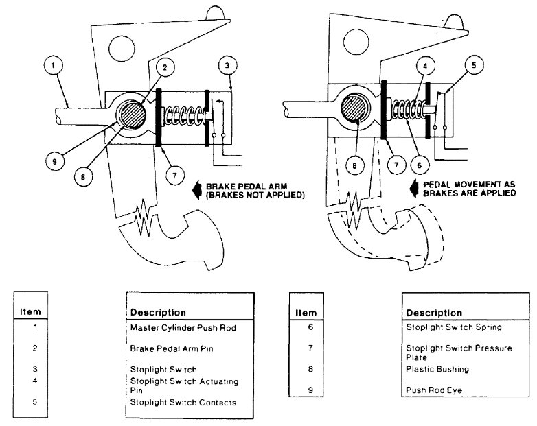
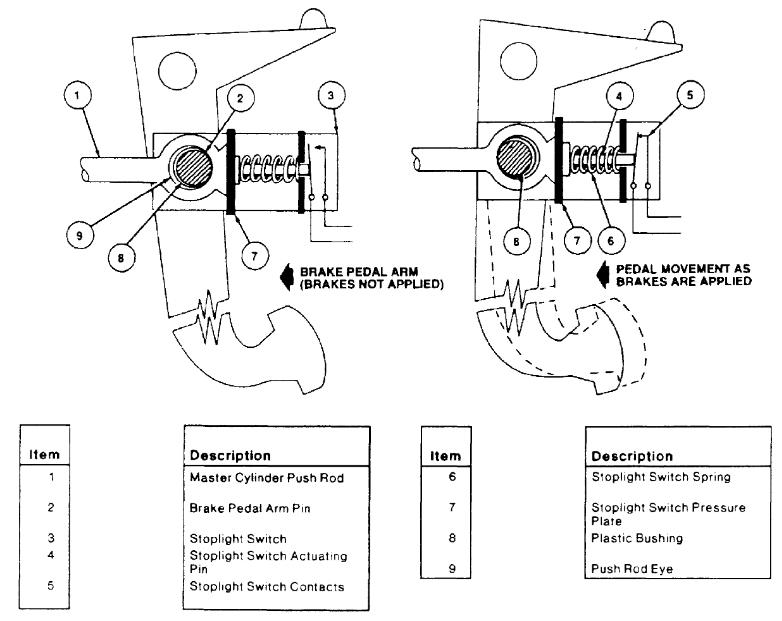
It sounds like you're having a problem with the brake light switch.It's a switch that is mounted to the brake pedal and opens/closes an electrical circuit to turn the brake lights on and off. I've attached picture below of its location and steps on how to remove and replace.Hope this helps and thanks for using 2CarPros.
May 19, 2021 at 6:44 PM (Merged)
Avatar
DANNY L
  • CERTIFIED EXPERT
  • 5,648 POSTS
Hello, I'm Danny
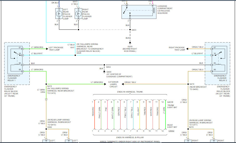
Here is a tutorial on how to test electrical wiring.

https://www.2carpros.com/articles/how-to-check-wiring

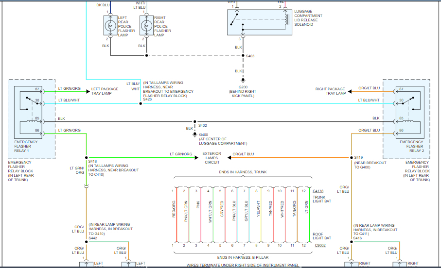
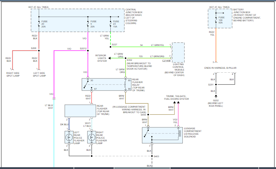
I've attached a wiring diagram below for your CVPI Crown Victoria. I've cut the pictures into 3 pieces so you can view larger. Hope this helps and thanks for using 2CarPros.
May 19, 2021 at 6:44 PM (Merged)