Turn signals are not working

1998 FORD CONTOUR
100,000 MILES • 6 CYL • FWD • AUTOMATIC
Avatar
TEV
  • MEMBER
  • 1 POST
Turn signal just dead. Could it be a fuse
Jul 2, 2009 at 12:44 AM
Advertisement
Avatar
BMRFIXIT
  • CERTIFIED EXPERT
  • 19,053 POSTS
It could be a fuse but this is a shared fuse so I would think the likely cause of this is a switch issue.

So let's start with checking the voltage coming from the switch when the turn signals are on.

https://www.2carpros.com/articles/how-to-check-wiring

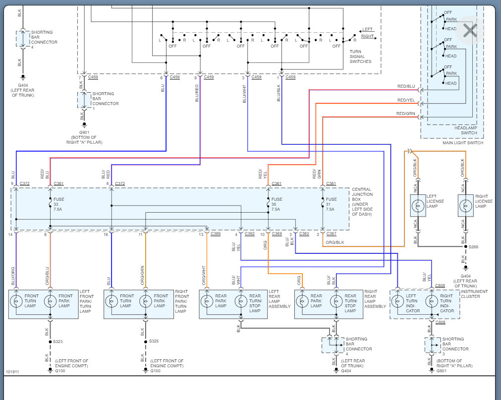
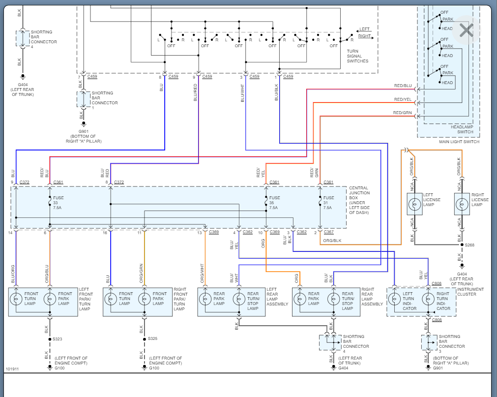
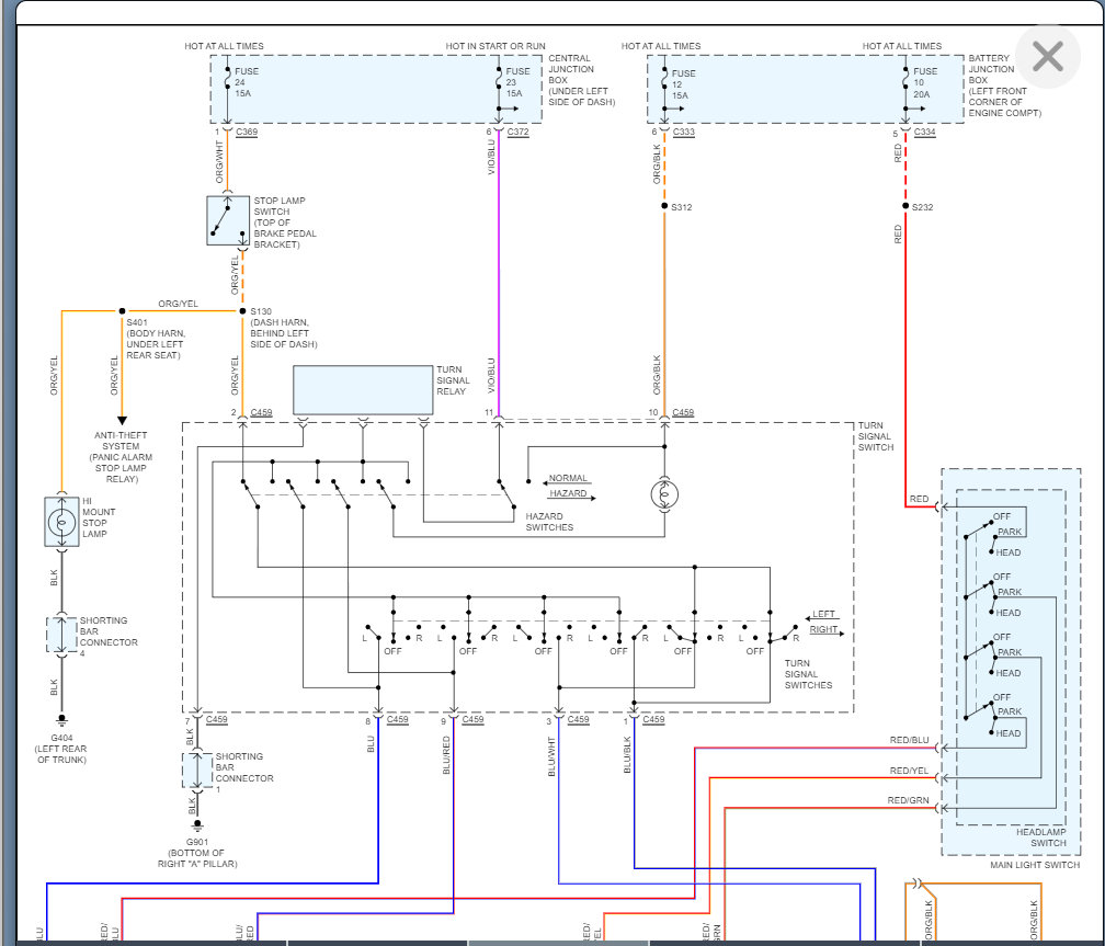
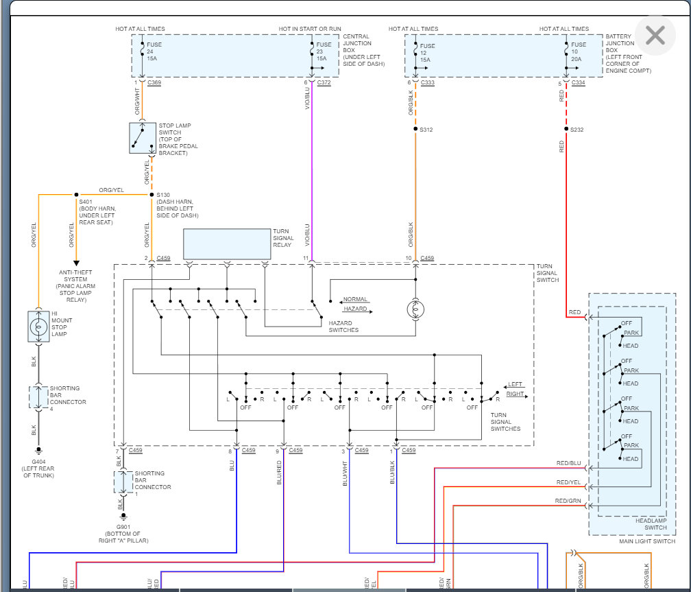
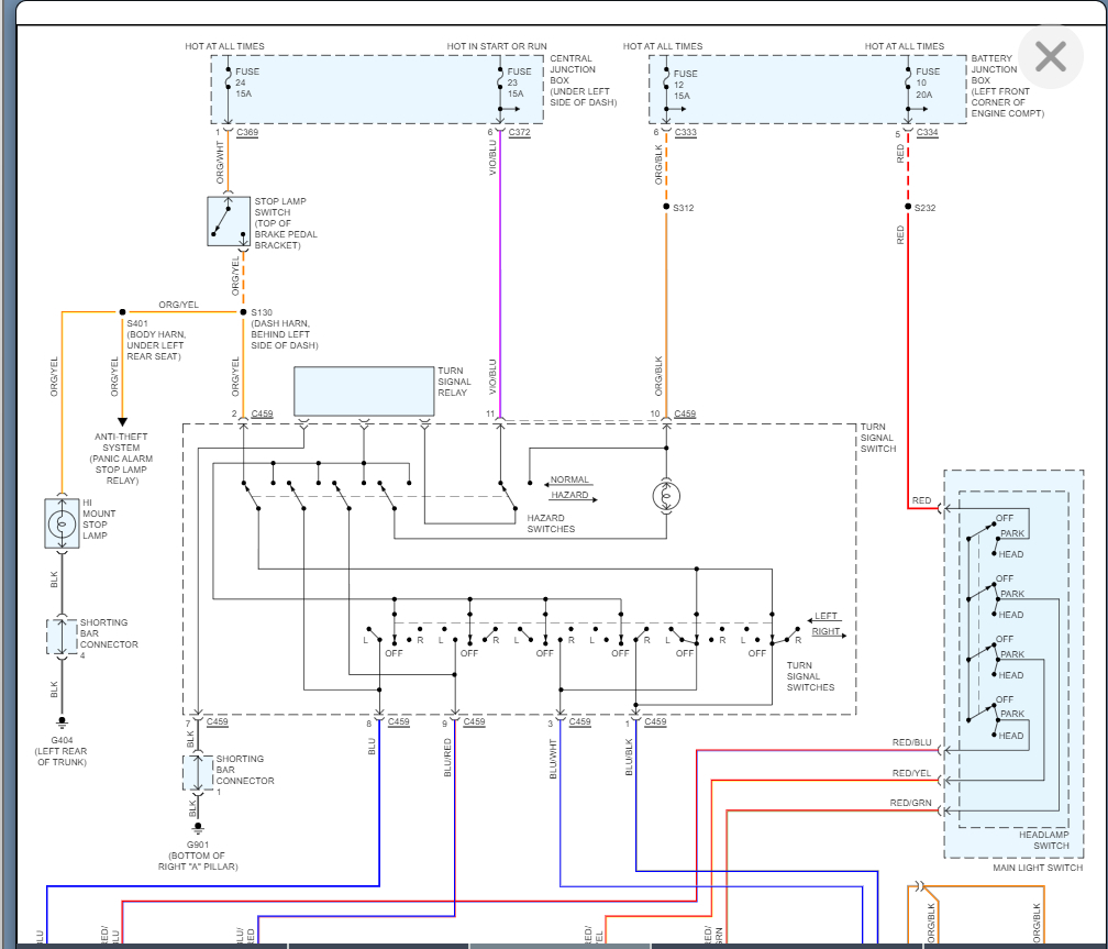
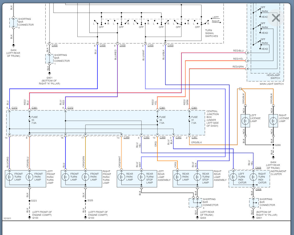
Below is the wiring diagram so we need to start with this and go from there.

Please let us know what questions you have. Thanks
Jul 4, 2009 at 5:10 AM
Avatar
MICHELLE MONINGER
  • MEMBER
  • 1 POST
My turn signal lights do not always flash or click
when I turn them on. Is this electrical or could it
be a fuse needing replacement? This doesn't happen
every time I use them, but enough to cause concern.
Apr 30, 2019 at 4:18 PM (Merged)
Advertisement
Avatar
BLUELIGHTNIN6
  • CERTIFIED EXPERT
  • 16,542 POSTS
Suspect faulty flasher. Your flasher is located in the front seating area, located at turn and emergency warning indicator switch at steering column tube.







Thanks for using 2CarPros.com!
Apr 30, 2019 at 4:18 PM (Merged)
Avatar
ANGELLEIGHMILLER
  • MEMBER
  • 4 POSTS
The rear driver's side lights (including break and blinker) do not come on. Also the driver side blinker blinks faster than normal. I don't know of a fuse that addresses this situation. Any ideas?
Apr 30, 2019 at 4:18 PM (Merged)
Avatar
2CARPRO JACK
  • CERTIFIED EXPERT
  • 11,533 POSTS
Gotta start simple, have you tried new bulbs? There is no fuse for just one corner of the car.When a blinker flashes fast, it means there is an open in the circuit for that side (bad bulb/wiring). Visually inspect the wiring and bulb socket for signs of melting that can cause loss of contact with bulb
Apr 30, 2019 at 4:18 PM (Merged)
Avatar
ANGELLEIGHMILLER
  • MEMBER
  • 4 POSTS
Okay, I didn't think to change a bulb since the whole area isn't working. I will try that. I'm not sure how to check the wiring. Do I have to start taking my car apart for that?
Apr 30, 2019 at 4:18 PM (Merged)
Avatar
2CARPRO JACK
  • CERTIFIED EXPERT
  • 11,533 POSTS
Dont worry about any of that just yet.Replace bulbs first then let me know how we did. Just look in the socket where the bulb goes to be sure it isnt melted
Apr 30, 2019 at 4:18 PM (Merged)
Avatar
ANGELLEIGHMILLER
  • MEMBER
  • 4 POSTS
Changing the bulb worked! Yay! It's a good thing I have a crack in the tail light so I just reached in and changed the thing. Once I have to take car parts off, that are part of the electrical system, I tend to get myself in trouble. You deserve a hug! Thank you!
Apr 30, 2019 at 4:18 PM (Merged)
Avatar
MENDESH805
  • MEMBER
  • 9 POSTS
i have a 1995 ford contour.the left turn signal suddenly stoped working. so i replaced the light bulb and that fixed the problem. but sometimes it turns on and off. so sometimes it work and others it doesnt. and i dont think its the fuse beacuse if the fuse was blown the neither of the signal lights would work. im thinking that it could be a wire connection or the light bulb is loose. what do you think ight be the problem?
Apr 30, 2019 at 4:18 PM (Merged)
Avatar
2CARPRO JACK
  • CERTIFIED EXPERT
  • 11,533 POSTS
My pleasure, glad it was an easy fix.
Apr 30, 2019 at 4:18 PM (Merged)
Avatar
CARADIODOC
  • CERTIFIED EXPERT
  • 34,308 POSTS
If we assume the intermittent operation is related to the burned out bulb, check the socket for corroded or stretched contacts. Wiggle the bulb while the signals are turned on to see if that affects it.

If your car uses the round bulbs with the brass bases, look at the contacts in the socket to see if they have melted in a little. If they have, you can add a drop of solder to the contact after you shine it up or you can add a drop of solder to the contacts on the bottom of the bulb.
Apr 30, 2019 at 4:18 PM (Merged)