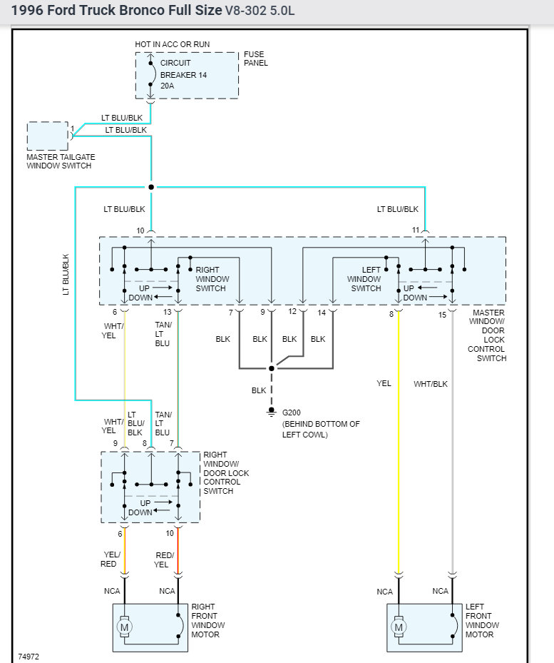
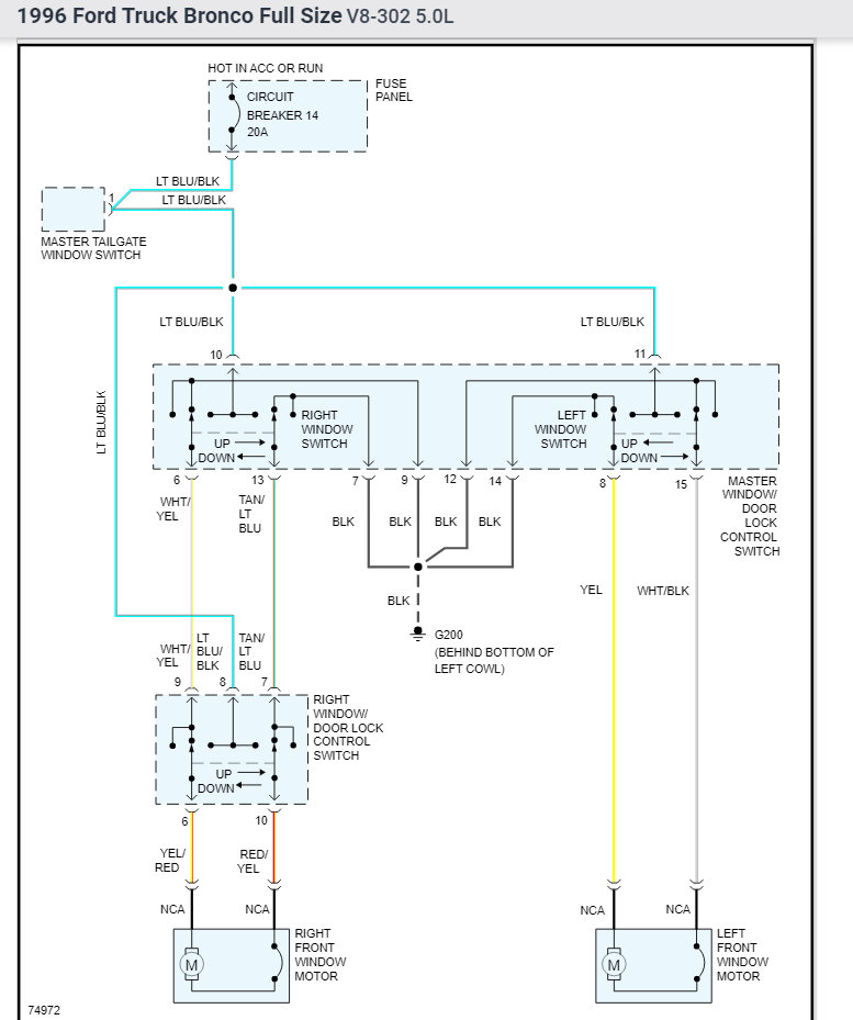
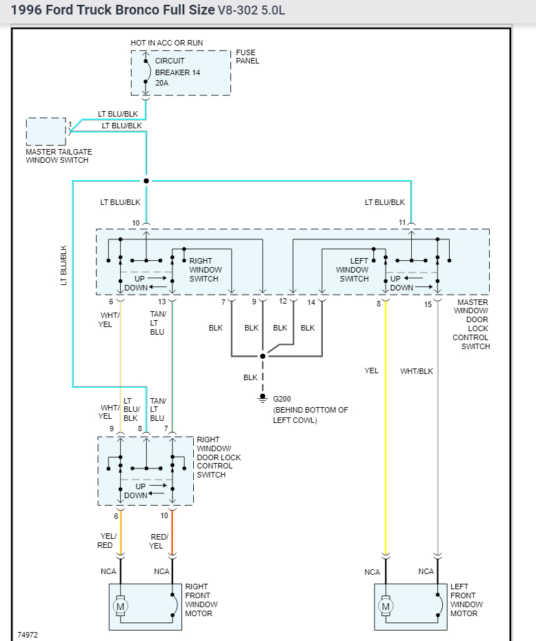
Hello, I have a 1996 Ford Bronco with 142,00 miles and a 5.8,the problem I have is the rear window won't go up unless you jump it with a battery,and stand there and help it ,I notice on the heating eliment that it looks like it's rubbing it clean so some not in right.ANY HELP WILL BE APPRECIATED!Joel P.S.The glass is new, I had a glass shop put it in and it hasn't worked since
Mar 17, 2007 at 11:59 PM

