☰
Login
Join
×
Home
Answered Questions
Repair Topics
Repair & Service Guides
Popular Questions
Warning Lights
Trouble Codes
How It Works
Testing / Diagnostics
Symptoms
Videos
Login
Become a Member
Home
Ford
Aerostar
Engine
Serpentine Belt
Diagram
belt diagram
1994 FORD AEROSTAR
160,000 MILES • 6 CYL • 2WD • AUTOMATIC
CPLETZ
MEMBER
1 POST
FOLLOW
I just need a diagram for the belts on this van
Dec 30, 2007 at 2:14 PM
Advertisement
KASEKENNY
CERTIFIED EXPERT
18,907 POSTS
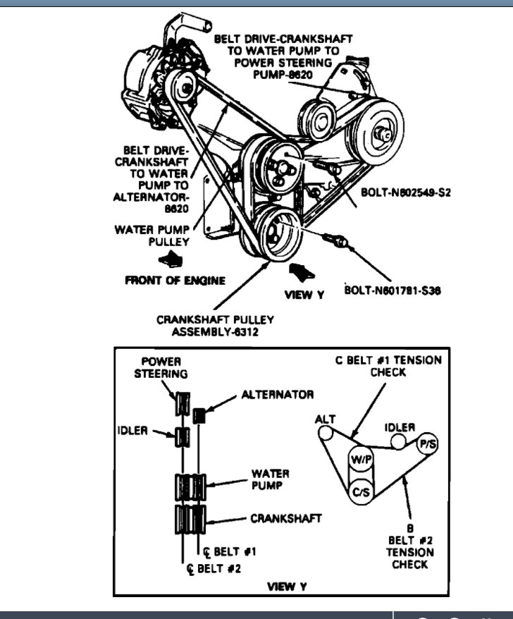
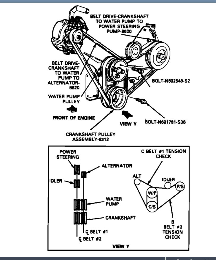
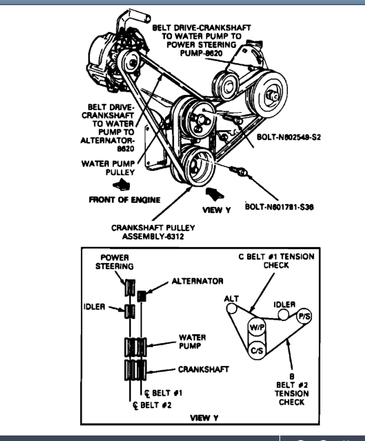
I am attaching the diagrams below but here are a couple of guides that will help with this:
https://www.2carpros.com/articles/replace-serpentine-belt
https://www.2carpros.com/articles/how-a-serpentine-belt-works
The first 2 diagrams below are for a 3.0L with and without A/C. The next two are for the 4.0L with and without A/C.
Please run through all this info and let us know if you have more questions.
Thanks
Images (Click to enlarge)
Mar 3, 2022 at 4:34 PM