Fog lights will not turn on?

2005 MAZDA 3
150,000 MILES • 2.3L • 4 CYL • 2WD • AUTOMATIC
Avatar
WILLIAM REYES BASS
  • MEMBER
  • 1 POST
The fog lights on my car will not work. There is no power at all going to either of the pins at the bulb connector and wire, but the fuse is showing power on both sides. I'm guessing it's either the switch by the steering wheel itself or some bad ground?
Aug 10, 2022 at 8:10 AM
Advertisement
Avatar
BORIS K
  • CERTIFIED EXPERT
  • 836 POSTS
Hello,

Please note that the headlights need to be switched on in order for the fog lights to work.

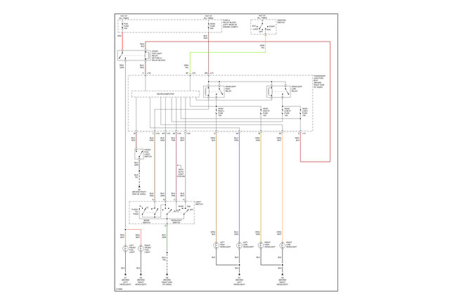
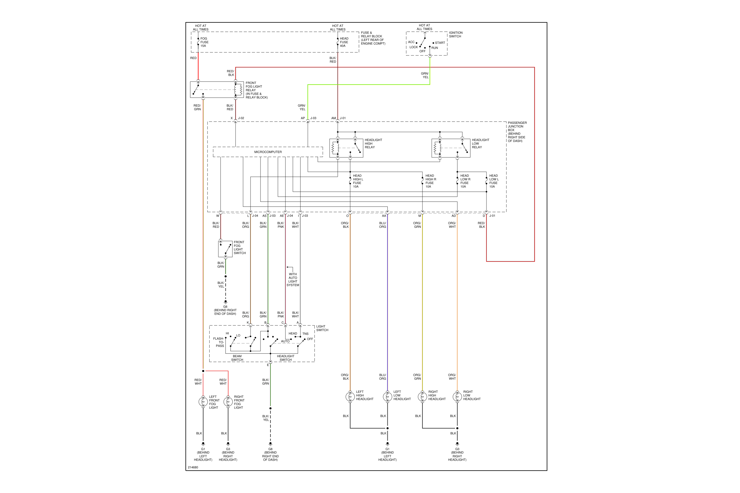
Please see image1+3 below.

There are 2 fuses for the fog light relay, circled in red.
First check that these are in order.

https://www.2carpros.com/articles/how-to-check-a-car-fuse

Next check that the fog light switch switches a ground on black/red wire when activated.
This can be done by using either a test light or a voltmeter.

https://www.2carpros.com/articles/how-to-use-a-test-light-circuit-tester
and
https://www.2carpros.com/articles/how-to-use-a-voltmeter
and
https://www.2carpros.com/articles/how-to-check-wiring

If a ground is switched to the passenger junction box next check that the junction box outputs a ground to the fog light relay on the black/red wire.

The relay layout should be constant 12V at terminal 30, red wire.
Switched 12V at terminal 86, red/black wire from head low L fuse, 10A.
Switched ground at terminal 85, black/red wire from passenger junction box.
12V output at terminal 87 via red/green wire to front fog lights.
To test the fog light circuit you could bridge terminal 30 and 87 at the relay.
The fog lights should illuminate.

See image 2 for a basic relay layout.

Hope this helps.

Cheers, Boris
Aug 10, 2022 at 8:55 AM