Front fog lights doesn't work but rear fog lights works.
i tried swapping the switch for those and still doesn't work. Bulbs are fine.
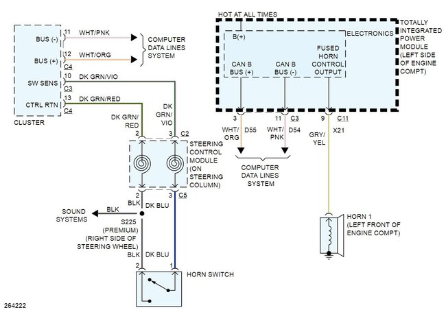
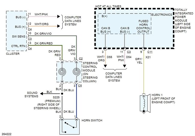
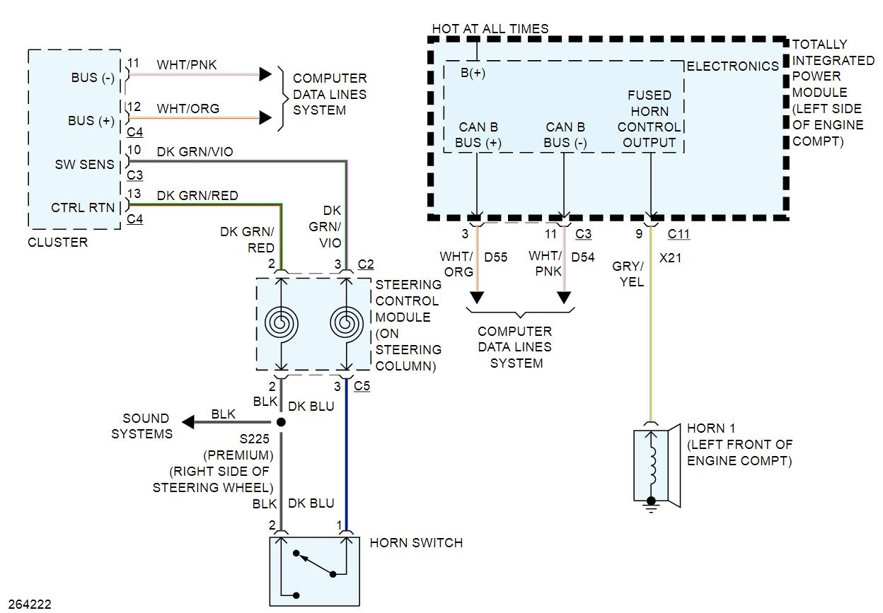
Horn also doesn't work before and after i changed the steering switches thing.
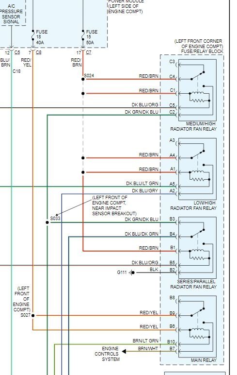
Please help. i read about the fusebox or TIPM getting bad due to corrosion and also the relay box underneath the front left headlight.
i tried swapping the switch for those and still doesn't work. Bulbs are fine.
Horn also doesn't work before and after i changed the steering switches thing.
Please help. i read about the fusebox or TIPM getting bad due to corrosion and also the relay box underneath the front left headlight.
Jan 1, 2021 at 5:25 PM







