Fog lights, tail lights and lower dash all not working

2006 TOYOTA RACTIS
189 MILES • 1.3L • 4 CYL • 2WD • AUTOMATIC
Avatar
MWILAGREGORY7
  • MEMBER
  • 1 POST
Fog lights not switching on and taillights not working including lower dash where there is AC and heater switches.
Nov 25, 2019 at 10:54 AM
Advertisement
Avatar
STRAILER
  • CERTIFIED EXPERT
  • 53,854 POSTS
Hello,

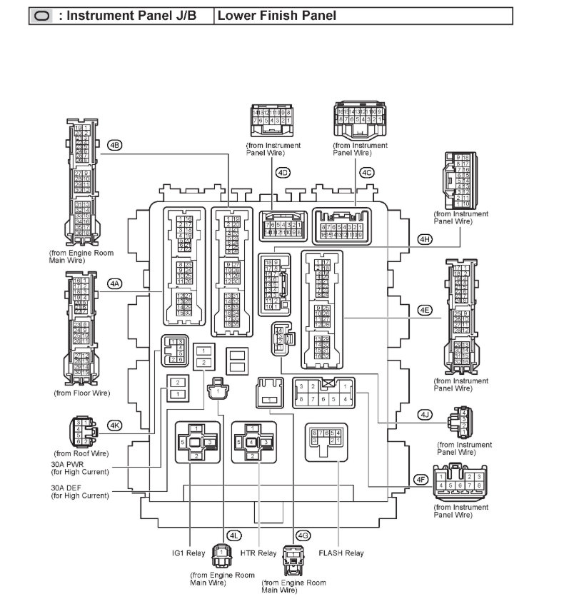
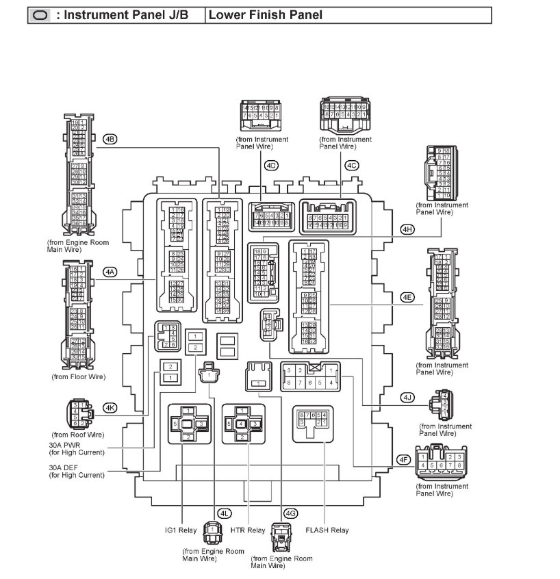
The first thing we must do is check the fuses. here is a guide with the fuse locations as well. test with the key on.

https://www.2carpros.com/articles/how-to-check-a-car-fuse

Check out the diagrams (below). Please let us know what you find. We are interested to see what it is.
Nov 26, 2019 at 5:52 PM