fog light switch in dash from factory

2006 CHEVROLET 1500
167,645 MILES • 4.8L • V8 • 2WD • AUTOMATIC
Avatar
ANDREW MARTIN
  • MEMBER
  • 1 POST
Truck listed above is a Silverado it already has a fog light switch in the dash that lights up when you push the button. Can i use that for my new fog lights? Some videos show changing the switch. my truck did not come with fog lights.



Thanks,

Martin
Oct 14, 2021 at 7:04 PM
Advertisement
Avatar
SQM
  • CERTIFIED EXPERT
  • 6,383 POSTS
Hello,

If you do not have factory fog lights on the vehicle, then you will have to make sure there is wiring exist under the vehicle that is connected to the switch.
Usually, the wiring will not exist if a component is not equipped from the factory.

If you have a dedicated switch exists then yes you can use that switch to power up the new fog lights, only thing would be that you will have to run wiring for the switch.

If there is a factory harness, check to see if it gets power when the switch is pushed on.

https://www.2carpros.com/articles/how-to-check-wiring

Let me know of any questions.
Thank you.
Oct 14, 2021 at 7:22 PM
Avatar
STEVE W.
  • CERTIFIED EXPERT
  • 15,113 POSTS
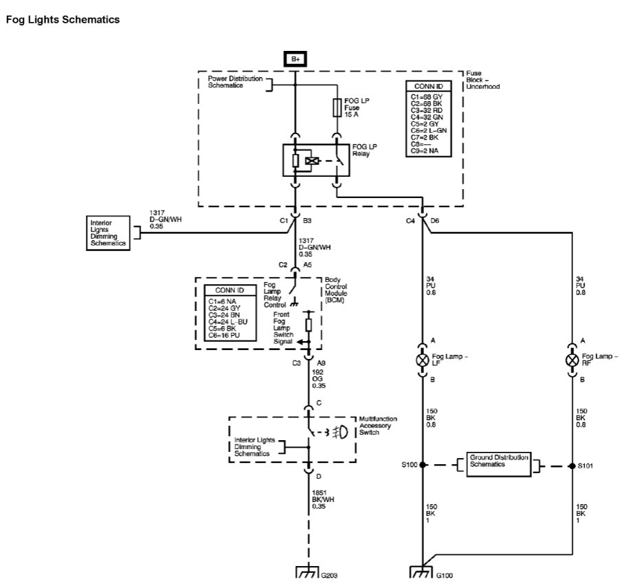
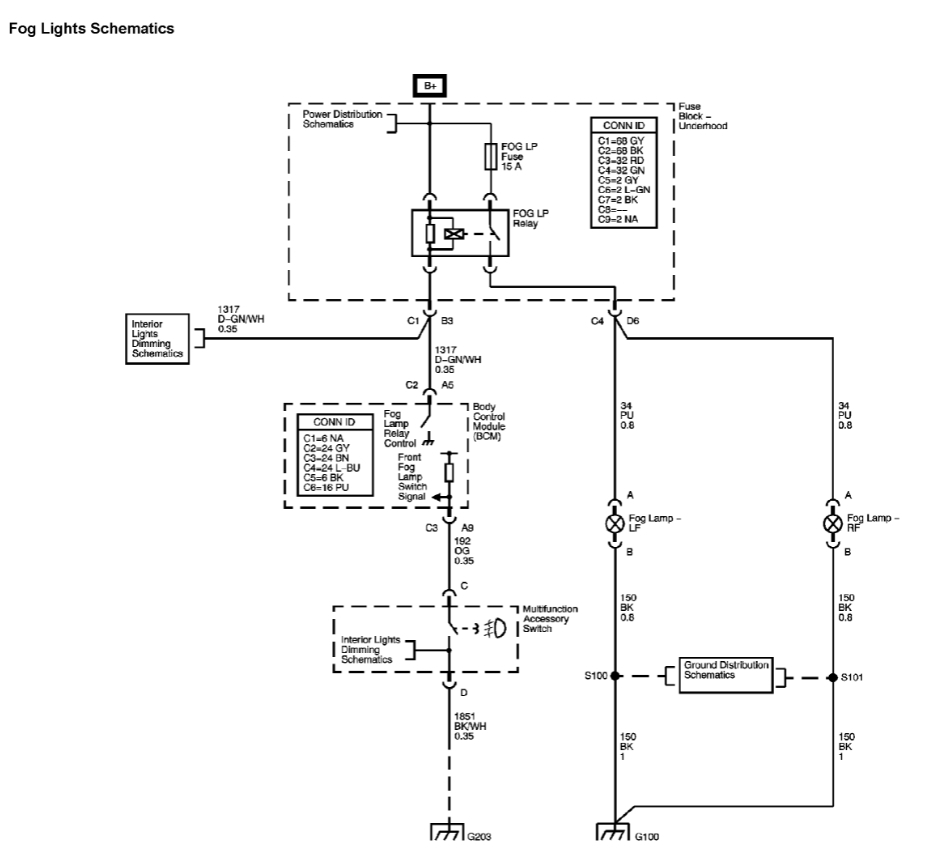
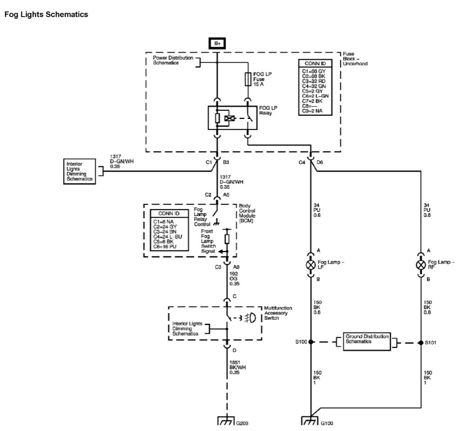
Another issue may be that because the truck didn't come with fog lights that option may not be active in the body control module. A way to check this would be to find the fog lamp relay and fuse in the under-hood fuse box. If they are both installed a fast test would be to turn the headlights on low beam and have someone turn the fog lamp switch on and off while you listen to the relay with your finger on it, do you feel and hear it activate? If yes, then you need to see if the factory installed the fog lamp harness in the wiring. If they, did it will have the two plugs for the fog lights in the harness behind the lower valance panel under the bumper. They would have a purple and black wire in each.
Now if you do the test and the relay doesn't turn on and off it is likely that the fog option is turned off in the body module. The switch doesn't directly operate the relay, instead it tells the body module that you want the fog lights on or off, the module then looks at the headlights and determines if they are on, then which beam is selected. If they are on and on low beam the body module will activate the ground to the relay to turn them on. If the option for fog lights is off, it doesn't work. A dealer can turn it on using the sales and option code for it for a fee, usually.
Oct 15, 2021 at 8:02 AM
Advertisement