Fog light not working even after replacing the bulb?

2014 HYUNDAI SANTA FE
102,000 MILES • 2.0L • 4 CYL • TURBO • 4WD • AUTOMATIC
Avatar
TROY LEE
  • MEMBER
  • 1 POST
I replaced the fog light bulb and the light still does not work.
Aug 30, 2022 at 1:19 PM
Advertisement
Avatar
JACOBANDNICKOLAS
  • CERTIFIED EXPERT
  • 110,175 POSTS
Hi,

I looked at the wiring schematics and noted that there are a few different modules that communicate via what is called the can-bus which may be the issue. However, let's start easy.

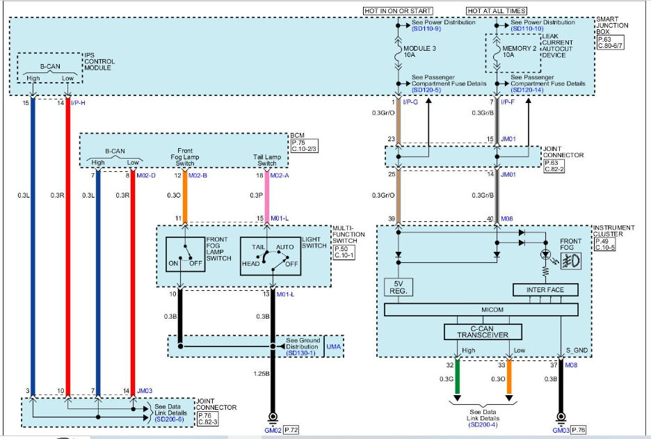
If you look at pic 1, you will see different modules. Pic 2 shows the power supply for the fog lights. Start there. See if the fuse is good. In addition to checking the fuse, confirm there is power to and from it.

Here is a link you may find helpful:

https://www.2carpros.com/articles/how-to-check-a-car-fuse

Pic 3 shows the fuse location.

Let me know if this helps or if you have other questions. Also, let me know if both bulbs failed at the same time.

Take care,

Joe

See pics below.

Aug 30, 2022 at 8:07 PM