The fog and park lights do not turn on

2009 DAIHATSU TERIOS
300,000 MILES • 1.5L • 4 CYL • 2WD • MANUAL
Avatar
DGOVENDER
  • MEMBER
  • 5 POSTS
Fog and taillight not switching on and fuse is good.
Jun 11, 2019 at 10:46 PM
Advertisement
Avatar
STEVE W.
  • CERTIFIED EXPERT
  • 15,113 POSTS
Hello and welcome to 2CarPros. First is this a right hand or left hand drive, there are slight differences in the wiring for each. Second which fog lamp is the issue? The Euro style fog lamps front and rear or front fog lamps. Do the interior lights like radio and shifter light up?
Jun 12, 2019 at 10:18 PM
Avatar
DGOVENDER
  • MEMBER
  • 5 POSTS
Right hand with fog in front and radio is working. On the first turn of the light switch,the park supposed to come on which does not. On the next turn the headlamps work. So the first turn for the park does not function together witjh front fog. Thanks
Jun 12, 2019 at 10:29 PM
Advertisement
Avatar
DGOVENDER
  • MEMBER
  • 5 POSTS
The parking light in the rear works.
Jun 12, 2019 at 10:32 PM
Avatar
DGOVENDER
  • MEMBER
  • 5 POSTS
Interior lights work.
Jun 12, 2019 at 10:39 PM
Avatar
STEVE W.
  • CERTIFIED EXPERT
  • 15,113 POSTS
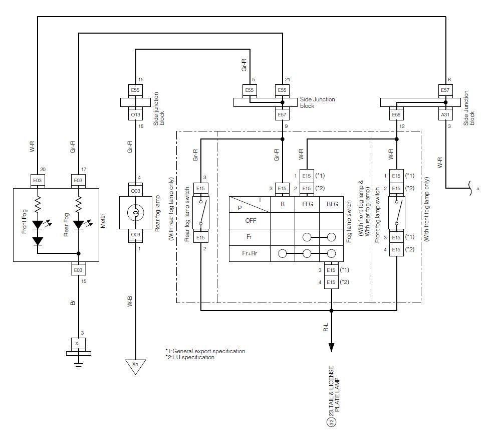
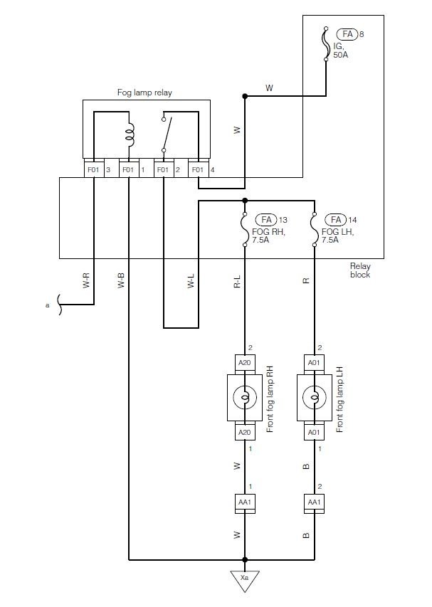
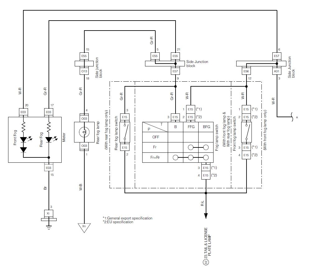
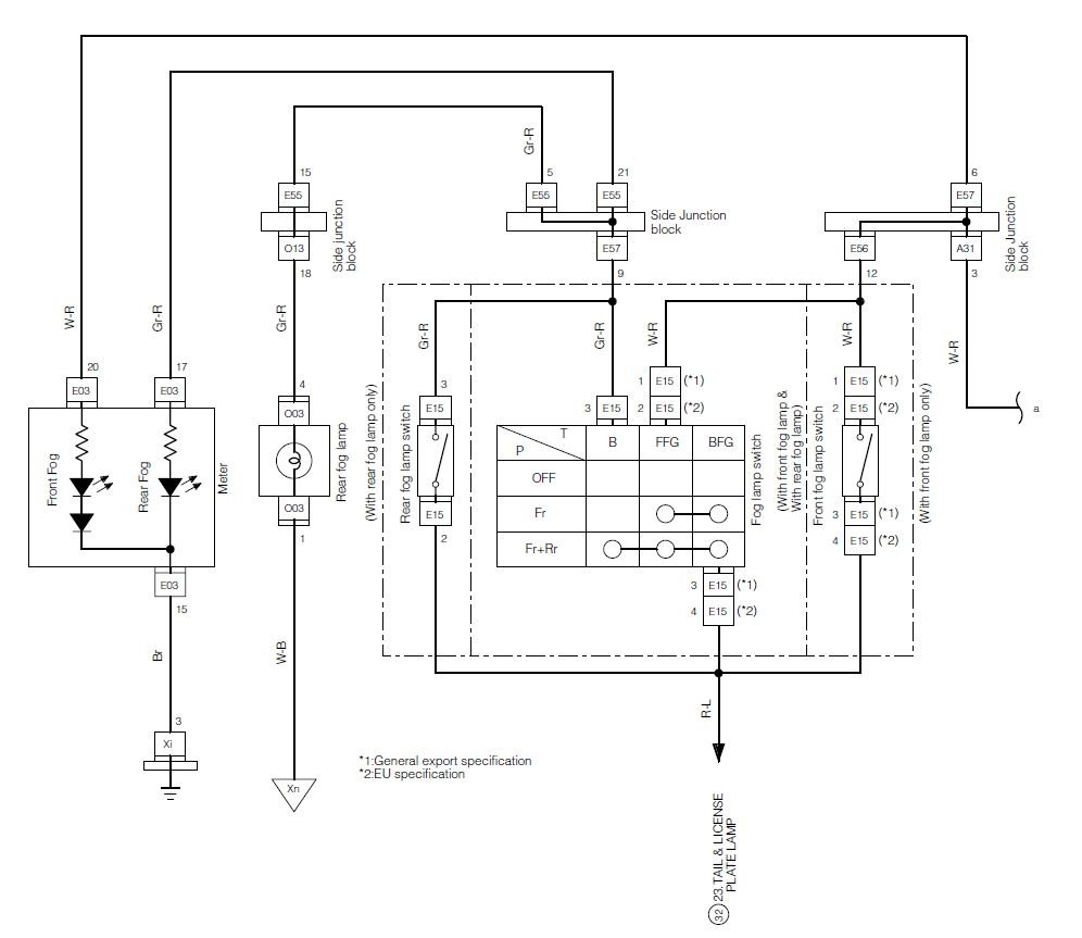
Okay, looking at the wiring diagram it appears the front fog lamps have a shared ground and relay for power. I would remove the relay and see if you have the power feed from the main fuse and the control voltage from the switch. A test light would make that easy to test and if the relay is switching you should hear and feel it click. That doesn't mean it's good, just that the control is working. If the power side is good then I would remove the fog bulbs and check if the power is making it that far. If it is then it is most likely a bad ground.
For the park lamps they don't show anything in the wiring. They show every other light but for some reason not those ! However testing those with a test lamp is also possible if you use it to probe the light connections with the light. I would think the problem with both is a bad shared ground. To test that you could use a jumper wire at the ground on one of the fog lights. If they all come on it's a bad ground.



Jun 12, 2019 at 11:56 PM