Fluid leaking from radiator area

2006 CHEVROLET IMPALA
152,000 MILES • AUTOMATIC
Avatar
VLMOSELEY
  • MEMBER
  • 2 POSTS
I had the heater on high then the line went all the way up high on my dashboard. i had been driving for about an hour. i heard bubbling noises and i lifted my hood and saw a little smoke from the radiator coolant container and liquid bubbling out and it was leaking orange liquid on the ground. I have had the thermostat replaced about a week ago due to the same problem. if i have a new thermostat, why is my radiator still making my engine overheat?
Jan 17, 2018 at 10:02 PM
Advertisement
Avatar
ASEMASTER6371
  • CERTIFIED EXPERT
  • 52,796 POSTS
Good morning.

From the overheating damage may have been done to the head gasket. you need to have a leak down test done on each cylinder to confirm the failure.
the thermostat may have been the original reason for the overheating but the result of the overheating could be a damages head gasket.

Roy
Jan 18, 2018 at 3:29 AM
Avatar
PATENTED_REPAIR_PRO
  • CERTIFIED EXPERT
  • 1,853 POSTS
You should mention which engine this is and you may want to confirm that your cooling fan or fans run once the engine gets hot, because if not, then the temperature will just climb and climb until it overheats.
Jan 18, 2018 at 8:29 AM
Advertisement
Avatar
VLMOSELEY
  • MEMBER
  • 2 POSTS
it is a 3500. my heater still stays hot even when it was overheating. i took it to Midas repair shop the first time and they replaced the hoses because they were corroded and had a hole. the second time it happened two weeks later i took it to a street mechanic and he flushed my radiator and replaced the thermostat. i would have thought the repair shop would have caught a blown gasket. this is the third time in two months. should i just buy a new car or fix this one? i love my silver fox (my car lol) so much.

PS, i am broke.
Jan 18, 2018 at 8:42 AM
Avatar
PATENTED_REPAIR_PRO
  • CERTIFIED EXPERT
  • 1,853 POSTS
Usually when the head gasket blows and allows engine coolant to enter the combustion chamber it will blow a lot of white smoke from the tailpipe and will be hard to miss.
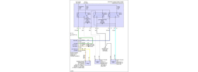
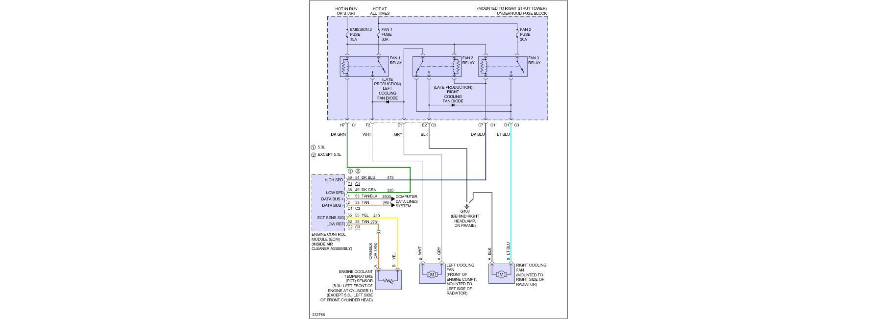
Have you confirmed if the fan/s run or not when it gets hot? If they do not check the cooling fan fuses and you could also have a bad cooling fan relay and there are three relays, fan one, fan two and fan three , plus fuses emission two, fan one and fan two all in the under-hood fuse block.
Jan 18, 2018 at 8:49 AM