Hi,
Here is how the turn signal and hazards operate the fasher is incorporated into the ECU and it sets the timer for the turn signal and hazards. Try clearing the ECU trouble codes by unhooking the battery for ten minutes if there is an error in the system it may be disabling the turn signals and hazards.
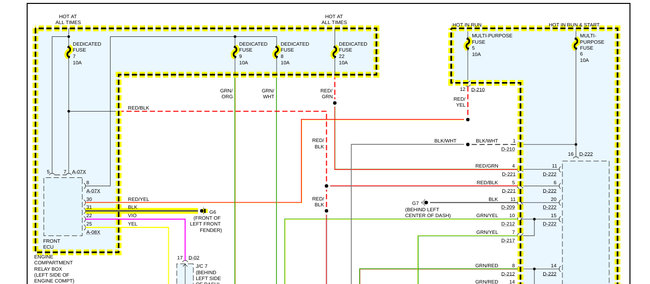
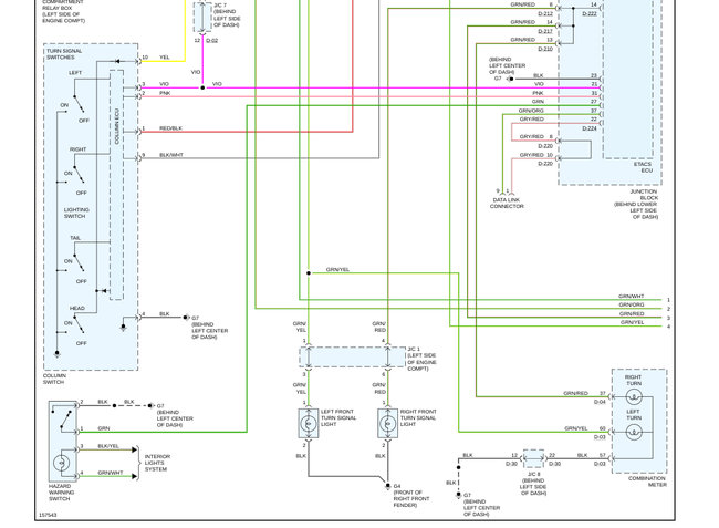
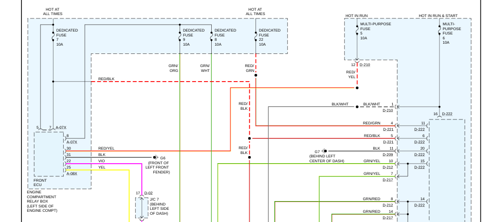
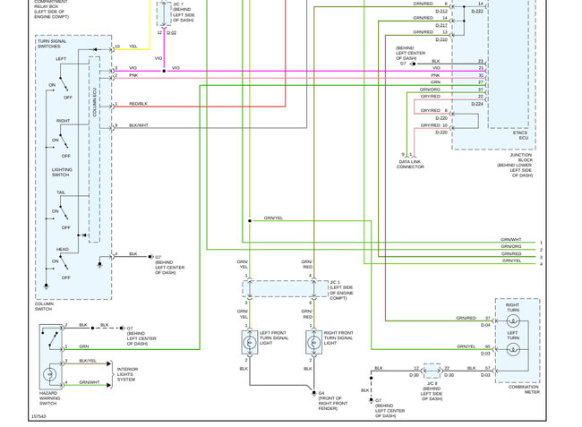
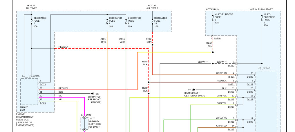
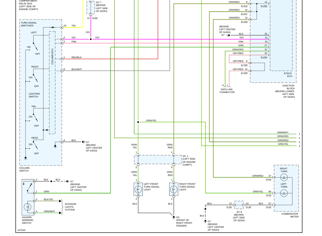
CIRCUIT OPERATION
- The turn-signal light switch sends a signal through the column-ECU (incorporated in the column switch) to the ETACS-ECU. If the column-ECU sends a turn-signal light switch "ON" signal to the ETACS-ECU, the ETACS-ECU turns on the flasher timer (incorporated in the ETACS-ECU), thus causing the turn-signal lights to flash.
- The ETACS-ECU operates the turn-signal lights according to the following signals:
- Ignition switch (IG1)
- Turn-signal light switch
TECHNICAL DESCRIPTION (COMMENT)
Is the turn-signal lights do not flash normally, the input circuits from the switches described in "CIRCUIT OPERATION" or the ETACS-ECU may be defective. If the hazard warning lights do not flash, the power supply line to the ETACS-ECU (dedicated to the turn-signal lights) may be defective.
TROUBLESHOOTING HINTS
- Malfunction of column switch (turn-signal light and lighting switch)
- Malfunction of the ETACS-ECU
- Damaged harness wires or connectors
Let us know if you need more information.
Thanks
Joe Terwilliger
Images (Click to enlarge)
Jan 28, 2020 at 10:41 PM