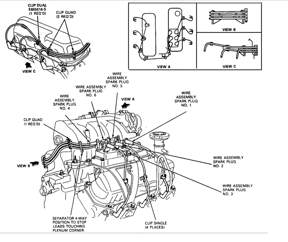
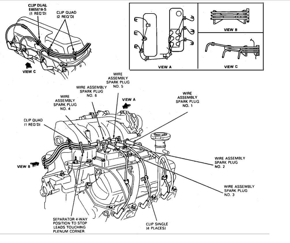
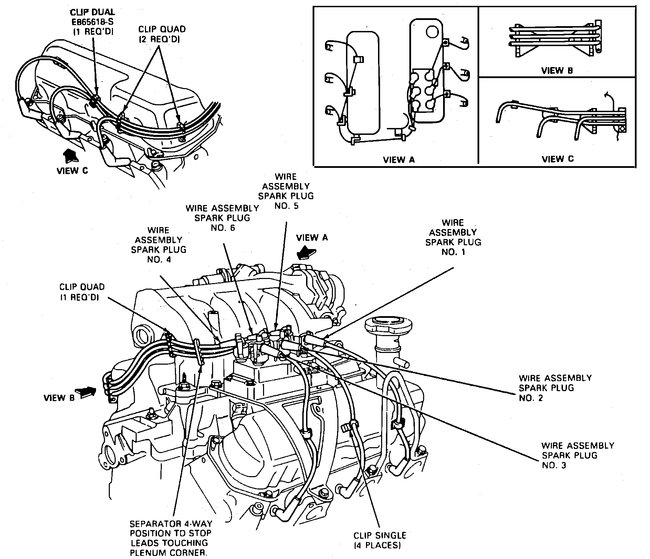
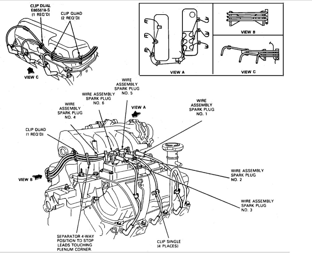
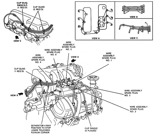
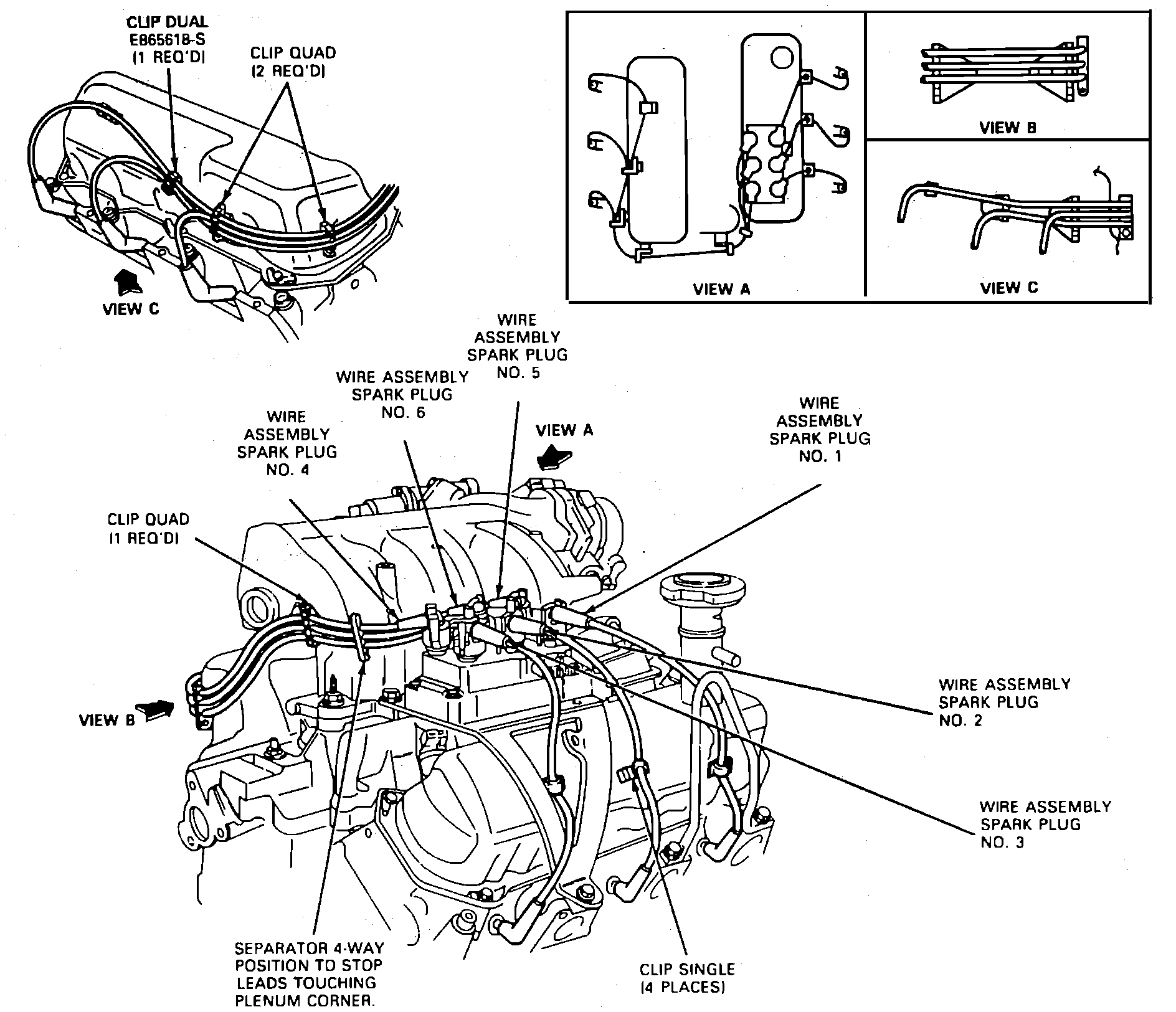
Ah, no such thing as a dumb question. In fact, this is a really good question, hehe. I think the picture below will help you out. Just in case you can't see the writing on the wires, the 3 wires on the left of the picture are 1 (starting at front where hand is) , 2 and 3. The wires on the right side of picture are 5 (starting at the front again) , 6 then 4.

You should be able to find the connector from this picture.
Thanks for using 2carpros.com!
Oct 9, 2020 at 9:40 AM
(Merged)