☰
Login
Join
×
Home
Answered Questions
Repair Topics
Repair & Service Guides
Popular Questions
Warning Lights
Trouble Codes
How It Works
Testing / Diagnostics
Symptoms
Videos
Login
Become a Member
Home
Chevrolet
S-10
Ignition
No Spark
No fire to spark plugs
2000 CHEVROLET S-10
189,000 MILES • 2.2L • 4 CYL • 2WD • AUTOMATIC
KEVIN DUCRE SR.
MEMBER
1 POST
FOLLOW
Just installed new transmission and now it will not fire to my spark plugs and the coil packs are new. What could it be?
Oct 15, 2018 at 12:19 PM
Advertisement
ASEMASTER6371
CERTIFIED EXPERT
52,796 POSTS
Good afternoon.
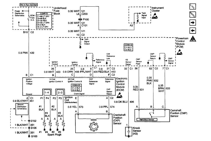
Did you check all the ground wires? There were ground wires on the bell housing bolts that hold the transmission to the engine.
G103 in the diagram.
Roy
Images (Click to enlarge)
Oct 15, 2018 at 12:45 PM