codes P0100 and P0172

2006 VOLKSWAGEN JETTA GLI
150,000 MILES • 2.0L • V6 • AUTOMATIC
Avatar
STS2GO
  • MEMBER
  • 1 POST
Car is throwing codes P0100 and P0172. I have changed the mass air flow sensor and PCV valve with no better results. Car seems to idle fine, but she said she has noticed it sluggish sometimes when accelerating on to the highway. I looked for and vacuum leeks as best I could.
Mar 31, 2017 at 6:26 AM
Advertisement
Avatar
STRAILER
  • CERTIFIED EXPERT
  • 53,854 POSTS
Hello,

This could be one of two problems; first I would check the catalytic converter which could cause the engine to not take in the correct amount of air which will cause the problem and cause the low power.

https://www.2carpros.com/articles/how-to-test-a-catalytic-converter

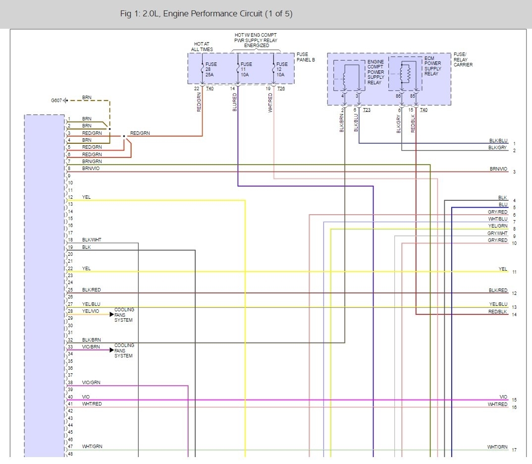
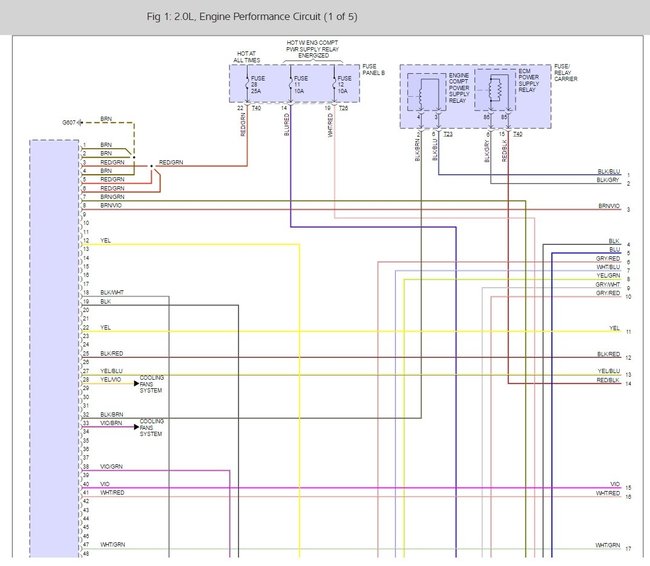
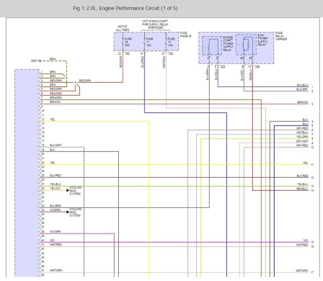
Next it could be a wiring or connection issue with the MAF sensor. Here is a guide and the engine wiring diagrams to help you troubleshoot the problem.

https://www.2carpros.com/articles/how-to-check-wiring

Please let us know what happens.

Best, Ken
Apr 3, 2017 at 11:23 AM