First, the 12 code is the system is normal.
So that means we need to focus on the 23 which is the intake air temperature low code.
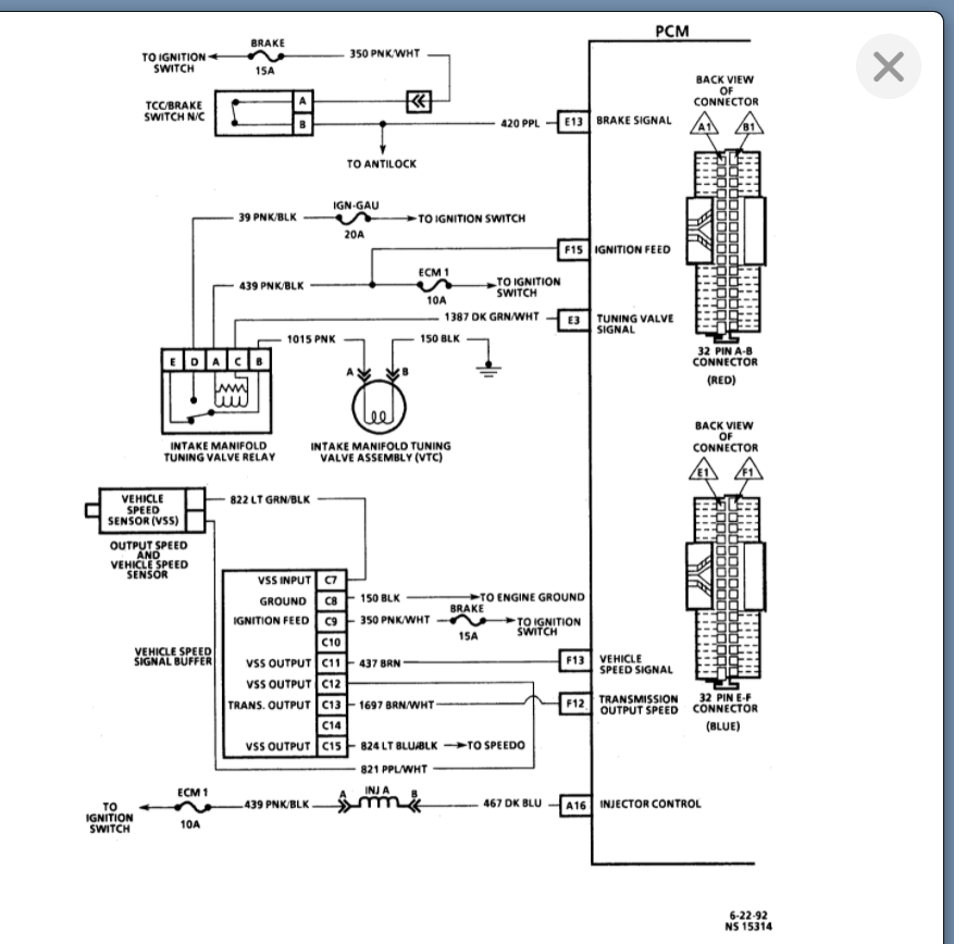
This means the voltage at the control module is too low which normally means there is a short to ground. So, if you replaced the sensor then that takes us to wiring or the control module.
https://www.2carpros.com/articles/buick-cadillac-chevy-gmc-oldsmobile-pontiac-gm-1983-1995-obd1-code-definitions-and-retrieval-method
I highly suspect we have a ground issue, so we need to check resistance to ground with the module and sensor unplugged. This should be an open circuit.
https://www.2carpros.com/articles/how-to-use-a-voltmeter
If not, then you have a wiring issue.
If it is an open circuit then we need to suspect the module.
Please run through this info and let me know what questions you have.
Thanks
Jan 15, 2022 at 12:23 PM