Fault code 43?

1989 OLDSMOBILE CIERA
146,691 MILES • 2.8L • V6 • 2WD • AUTOMATIC
Avatar
CUT213
  • MEMBER
  • 25 POSTS
Can't seem to get rid of code #43. List of items check and/or replaced:
Replaced water temp sensor. Because it was cheap & easy.
Replaced knock sensor. Because it was cheap & easy.
Checked knock sensor wire connections. The wire and connector appear to be good.
Replaced fuel filter. Because I did not know vehicles history.
Replaced the three coils and ignition module. Because I found the center coil was a used and different coil that had heavy corrosion on the plug wire terminals and because they were difficult to access.
Checked fuel pressure: 36PSI idle 42PSI upon demand, quickly returns to 36PSI afterwards
Replaced all spark plugs. Because I did not know vehicles history.
Replaced the fuel pressure regulator. Because it was the factory original regulator and it had to be removed in order to replace the injectors. Why take the chance, it was already loose.
Replaced all the fuel rail O-rings.
Replace the intake manifold gaskets
OHM tested all six injectors. I found fault on #1 and #2 injectors and discovered the #5 injector was different from all the other injectors. I purchased a "flow match set" of six Bosch injectors that were tested to within one percent of each other's fuel flow to insure even fuel delivery. The two faulty injectors were below OHM specs and created issues with the PCM driver causing the engine to stall with greater and increasing frequency and, shorter and shorter run times to the point the car would not make it to the end of driveway without stalling. It was found that the replacement of the injectors cured the stalling issues all together.
None of the other items I replaced seem to have any effect on the running or miss firing issues. The only thing that made any difference was the replacement of all six injectors. The engine seems somewhat stronger than before they were changed, when it would run. But it still is not as powerful as it was before code #43 appeared. Code #43 by default reduces ignition timing to try to reduce engine "knock" as detected by the knock sensor. As long as that code stays on the timing will remain retarded. The motor no longer stalls and seems to be running fairly good but does not have the same power level that it had before the fault code #43 appeared, probably because of the timing being retarded. Now I'm not sure where to look in order to turn off the fault code??? I cleared the code, but it comes right back on, right after startup.
Dec 1, 2023 at 4:26 PM
Advertisement
Avatar
STRAILER
  • CERTIFIED EXPERT
  • 53,854 POSTS
What does the engine sound like when running? Because if the engine is making noise the knock sensor will pick that up and cause the 43 code.

43 - Knock sensor or electronic spark control circuit fault.

If you are not sure, can you upload a short video of the engine running so I can hear it? I have seen the PCM o out and cause this problem as well. Another way to test the system is to connect a scanner and see if a signal is present when the engine is not running. That way for sure the PCM is bad. They make an OBD1 to an OBD2 adapter.

https://www.2carpros.com/articles/checking-a-service-engine-soon-or-check-engine-light-on-or-flashing

Please go over this guide and get back to us.

Dec 2, 2023 at 11:02 AM
Avatar
CUT213
  • MEMBER
  • 25 POSTS
The engine is running very well. No unusual noise or knocking sounds at all. I backed the car back into the shop and load tested it by running the engine at full power with the transmission in drive like I did before. The first time I did that I found the engine was misfiring really badly under the load. This time there was no misfiring at all. The engine seems to be running really well. If the timing were not retarded because of the #43 fault code, I believe it would be more powerful than it was before, because the #1 and #2 injectors were not doing their job. Those two cylinders were extremely lean. I have driven the car about 70 miles since I replaced the injectors. I can tell it wants to run better, but the timing is still retarded and holding it back. The two faulty injectors may have damaged the PCM driver by being out of OHM spec. The longer I drove it the worse the stalling problem became, and it also happened much more frequently. It was taking longer and longer for it to recover and start up again each time it happens.
Dec 2, 2023 at 1:41 PM
Advertisement
Avatar
STRAILER
  • CERTIFIED EXPERT
  • 53,854 POSTS
I am wondering if you have a partially clogged catalytic converter. Please use this guide to check. Also, you may have a PCM that is going out, it might be worth it to try another PCM or send yours out for testing.

https://www.2carpros.com/articles/how-to-test-a-catalytic-converter

Check out the images (below). Let us know how it goes.
Dec 4, 2023 at 9:27 AM
Avatar
CUT213
  • MEMBER
  • 25 POSTS
I finally got to check CAT temperatures. Cat is warmer at the rear. It appears the the CAT is working. Also discover sometime in the last three years the Cat had been replaced. The engine is running pretty good, I have burned two tanks of gas. Fuel mileage is way down from before this issue came up. It's running around 15.6 compared to 23 to 27 before. The engine power is still lower than before the problem occured but strong than before all the work was done. Again I will state the only thing that made any difference was replacing the fuel injectors. Two of them were out of OHM specs and cause the ECM driver to lose it's mind and kept shut down the engine. That might also have damaged the ECM unit. The engine no longer stalls at all. I have noticed a very slight engine surge up and down only went the car is driving and it reaches a place where there is no real load on the engine you can feel the very slight surge. The slightest load up or down will stop the surge. It does not surge at idle at all, in or out of gear. I kind think it might be the Idle Position Sensor beginning to fail. Other than that one surge issue and the lower gas mileage it runs out pretty good. If i did not know the car I would think that the power level was normal for a 2.8L V6. But I do know for sure it can run better and gets better fuel mileage than it is currently doing. I've got a new IPS coming, have order everything, not a popular car these days. I will get back to you after I replace the IPS and let you know it that corrects the minor surging issue. I have noted that the throttle seems to be a little hesitant to accelerate from low idle, almost like a carburator with a faulty accelerator pump. Had the same issue on my C1500 truck. Replaced the IPS and the problem cleared right up.
Dec 16, 2023 at 7:53 PM
Avatar
STRAILER
  • CERTIFIED EXPERT
  • 53,854 POSTS
I have seen a weak MAP sensor cause this problem too. Have you tried a new one? When they become weak, they will not have a code but will report back to the PCM to give the engine less fuel.
Dec 18, 2023 at 9:35 AM
Avatar
CUT213
  • MEMBER
  • 25 POSTS
Bad news! While driving back home from out of town the engine suddenly and without any kind of warning began to misfire and backfire from the intake and had a hugh loss of power almost enough to suddenly lose forward motion. Small amounts of additional throttle would cause the engine to almost stall out. Full throttle would cause the engine to make the transmission to down shift and the engine could slowly increase the ground speed. No knocks or rattles at all. I was able to complete the trip home another 22 miles. I drove straight into my shop and began to inspect this situation. The engine was as quiet as ever and would idle quietly except for the slight sound of missing at the exhaust. I began to remove plug wires one at a time to discover which cylinder was missing. I started with #1plug wire; this caused the miss to become very magnified, way worse than it was. I re-installed that plug wire and went to #3 plug wire. Same effect as #1. Reinstalled that wire and went to #5 plug wire. This one was different. When that wire was removing the miss became slightly worst, when the wire was reinstalled, the missing effect lessened slightly on that cylinder. So, this cylinder was very low on power but was not a completely dead cylinder until the plug wire was removed. I left it alone for the rest of the evening.
I did not get to work again until about 6:30 PM the next day. I attempted to start the engine, but the starter caused the ground wire to arch and lost connection. This happens several times in a row. I finally removed the ground cable and cleaned it up, it did not appear to be dirty. I cleaned the positive cable also. I tried again to start the engine. This time would turn a little and the battery would not turn it until I released the key and tried to spin the engine again. This happened 3 times before the engine finally began to turn. The engine was slow to start, but it finally did crank up and run. I wondered if the ground being somewhat of a faulty contact may have caused this while driving. I began to check the vacuum hoses for leaks. When I was checking the hose between the engine and the firewall, I noticed a very slight amount of smoke coming off the exhaust manifold and pipe. I wondered why it was doing this, then I saw oil drip from the area, then I saw oil on the floor below the exhaust pipe that was not there earlier. Apparently, the faulty cylinder had Hydro look the engine causing the starter and battery issues. I then when to the rear to check the tailpipe. I saw some smoke at the pipe and droplets on the floor of the shop. I returned to the engine and removed the oil filler cap from the valve cover to check for blowby. This engine has never shown any signs of blowby before, and it was not showing any now. I shut down the engine and checked the oil for possible water in the oil, no trace of water was found. I check the radiator for possible oil in coolant or loss of coolant. All was good. The motor has no unusual noises or sounds but is leaking oil into the exhaust system at a small rate. I heard no unusual sound or noise when the problem suddenly happens except for the backfiring coming from the intake, but, only when I tried to accelerate at a low throttle demand. When the engine could rev up the backfire in the intake shut up until you tried to cruise at lighter throttle speeds. I don't know what has happen unless a valve might have broken a small piece off and has damaged the piston and/or the cylinder bore and is now allowing oil to escape into the exhaust system. It still runs quietly and the #5 cylinder is not a totally dead cylinder, but it is smoking out the tailpipe now. I think it might be over for this car. It's really a shame. This car has never been wrecked, it was taken care of by the previous owner, the interior is clean, the transmission is strong, it was always kept in the garage, even by me. It's a very nice looking car and rides and drives good. The engine was slowly getting its power back when this happens. If you know anybody that needs a really good parts car, this is a really good one! I just install new rotors, drums and pads and brake liners and wheel cylinders before the road trip.
Dec 20, 2023 at 6:36 PM
Avatar
CUT213
  • MEMBER
  • 25 POSTS
I've had time to think about the problem and the visual results of what I have seen and to put together clues with facts and theory about this problem. I'm wondering now if it might be a stuck valve. Just barely open enough to relieve compression, and not completely burn off the gas or to have full normal compression, so the cylinder is not completely dead. That might be the oil looking fluid that was dripping out of the exhaust system while the engine was running.
If the piston or cylinder bore got damaged enough to let oil come into the cylinder then, as a result, there should have been some blowby in the crankcase. I looked for that and did not find any signs of blowby.
It's not likely a blown head gasket. I feel like if the head gasket gave out then there is a good chance that the radiator fluids would be contaminated or low on coolant or both, and the temperature light would have come on, none of this happen. I drove it another 22 miles after the problem occurred which, if the head gasket blew out, would have given it enough time to do all three issues. Blowby would have been coming out of the crankcase if the cylinder or piston got damaged. I kind of think now it might have a stuck valve on #5 cylinder. I don't hear any tapit noise, but, if the valve was just barely open, then the hydraulic lifters could still not rattle to alert me. I guess I need to remove that front valve cover for a look see. What do you think?
Dec 21, 2023 at 12:54 PM
Avatar
STRAILER
  • CERTIFIED EXPERT
  • 53,854 POSTS
I think we should do a compression test on the engine to see what's going on.

This guide can help, that way we know what we are dealing with:

https://www.2carpros.com/articles/how-to-test-engine-compression

Please go over this guide and get back to us.


Dec 22, 2023 at 9:56 AM
Avatar
CUT213
  • MEMBER
  • 25 POSTS
I found the issue. Long story short. One of the replacement injectors was over fueling the #5 cylinder. Vast amounts of gas was being pumped into that cylinder, far more that it could burn and just overwhelmed the system. I performed a lot of test and inspections and found lots of unburned gas in the #5 cylinder. I turned the engine over with the spark plug out to blow the gas out, then I blew air into the cylinder to dry it out. I put a bore scope down the cylinder to inspect for possible damage. No damage was found. As a matter of fact, you could see that some remains of the hash marks still on the cylinder walls and the groove rings on top of the piston. Looked good for a motor with 148000 miles on it. Now the ONLY injector you can see or touch just happens to be #5. So I started the engine to see if it would idle now that the cylinder was dry again. At first it seemed to be normal idle but within a few seconds it began to have trouble idling and the running. Gas began to drip out of the exhaust manifold where the exhaust pipe bolt together and drip on the shop floor. Some of that gas was fuming off of the hot manifold and created a smokey cloud between the engine and firewall. Still more gas continued through the exhaust system and out the tailpipe as droplets on the shop floor and smoke. After witnessing this I remove the electrical connection from the injector. Now this took about two maybe three minutes to see any visual chance in the way the engine was running and idling. Slowly the gas dripping from the exhaust manifold began to slow down and dry up and burn off the forward exhaust system and it quit dripping on the floor. Also the amount of smoke had also diminished greatly. Within 5 or 6 minutes the effect reached the rear tailpipe and began to clear up and the engine was not struggling to idle any more. The engine sounded almost normal except for the missing cause from the injector being unplugged. The engine is not making any noises or unusual sounds other than the missing sound. I've got another injector ordered but I'm not likely to get it before the holidays are over with.

Can you find a part number for the EGR exhaust circulation "TUBE"? Mine is damaged and needs to be replaced. So far nobody can come up with a picture or part number for this car. My tube is a full metal flex tube about 8 to 9 inches long, with a two bolt mounting bracket at the EGR end and the other end has a Female JIC nut fitting where it screws onto the exhaust system. If it is no longer available then I will attempt to delete the EGR system. The EGR has a vacuum hose and a 4-wire electrical connector on it. So, I'm not sure the computer will go along with this solution. But maybe it being an older OBD 1 car it can still be done.
Dec 23, 2023 at 2:57 PM
Avatar
STRAILER
  • CERTIFIED EXPERT
  • 53,854 POSTS
Yep, you will get a code, I am glad you found the problem, but can you start a new thread for the EGR issue please? We only handle one problem per thread, please post your new question here, you must be logged in.

https://www.2carpros.com/questions/new

Cheers, Ken
Dec 26, 2023 at 9:31 AM
Avatar
CUT213
  • MEMBER
  • 25 POSTS
I started another thread on the EGR. I just need a part number for it.
Dec 26, 2023 at 4:52 PM
Avatar
STRAILER
  • CERTIFIED EXPERT
  • 53,854 POSTS
Thank you.
Dec 27, 2023 at 12:01 PM
Avatar
CUT213
  • MEMBER
  • 25 POSTS
I have a couple of threads on this subject. I have tested and replaced a number of items trying to turn off this check engine. Code 43. Have inspected sensor wiring and replaced knock sensor, replace coolant sensor, replace spark plugs, replace all 3 coils and ignition module, replaced all 6 fuel injectors, (fuel injectors were the only things so far that were confirmed to be faulty.), checked fuel pressure at 36 to 42 psi. After replacing the fuel, injectors the engine quit stalling out and runs pretty good. But the code 43 emissions light is still on and has retarded the timing and prevents the engine from running normally. I'm at a loss as to what to check next. I have not found any faulty wiring anywhere so far.
Mar 25, 2024 at 12:04 PM (Merged)
Avatar
JACOBANDNICKOLAS
  • CERTIFIED EXPERT
  • 110,175 POSTS
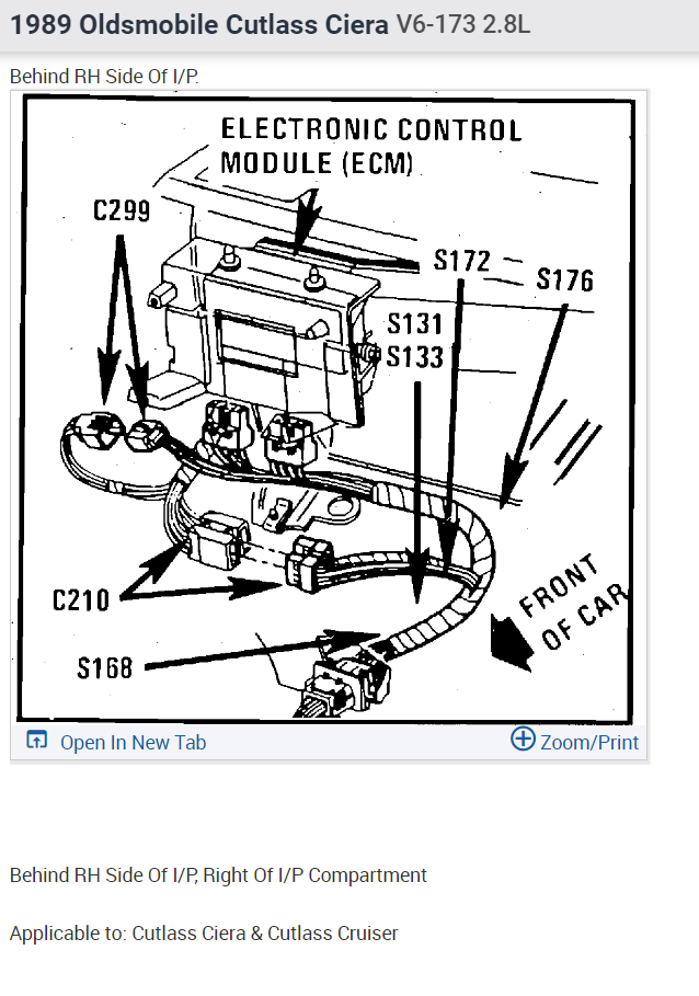
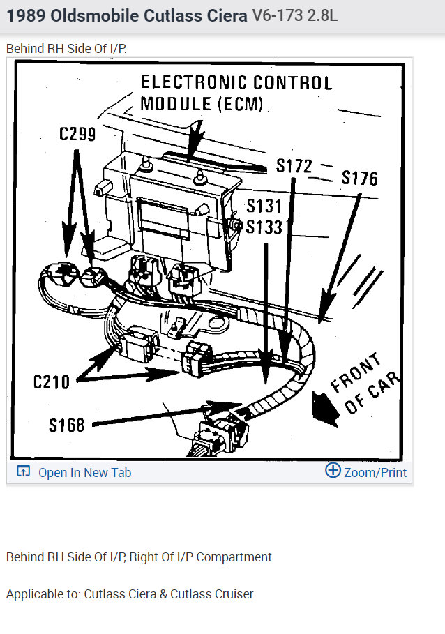
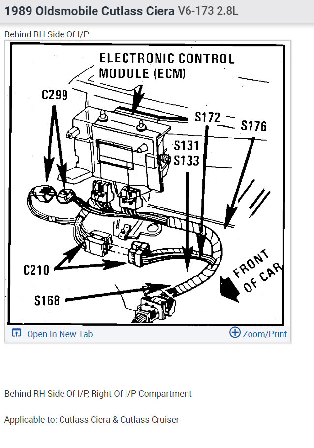
Hi:

The code is certainly related to a timing/knock sensor issue. However, it doesn't mean the sensor is the problem. It could be related to the ECM.

I attached diagnostics below. Let me know if you have already tried this.

Joe

See pics below
Mar 25, 2024 at 12:04 PM (Merged)