overheating still after replacing the fan clutch

1993 LEXUS GS 300
80,971 MILES • 3.0L • 6 CYL • 2WD • AUTOMATIC
Avatar
CRAIGNEXT
  • MEMBER
  • 1 POST
My car cares a fan clutch to my fan to cool the engine but also 2 other fans.my car is overheating still after I replaced the fan clutch. Does the 2 other fans supposed to come on at some point? I was told that the radiator fan and the A/C fan comes on also when it reaches a certain temperature but I have never heard them come on at all. I’ve also replaced thermostat, radiator, relays, engine coolant sensor/switch and the radiator fan temp sensor/switch below the radiator but still can’t get any progress of getting the fans to come on. One fan is located in front of the A/C condenser and the other one is placed behind the radiator but no signs of coming on unless I unplugged the radiator sensor/switch. Than they both comes on until I plug it back.can I get help from anyone please.
Jun 10, 2021 at 8:49 PM
Advertisement
Avatar
JACOBANDNICKOLAS
  • CERTIFIED EXPERT
  • 110,175 POSTS
Hi,

The fan near the A/C condenser should turn on as soon as the A/C is turned on. The other fan is based on engine coolant temperature. At approximately 210°F, it should be signaled to turn on.

So, if you don't hear the fan turn on with the A/C, we do have an issue, unless the A/C is inoperative.

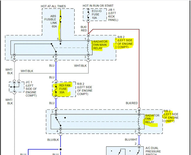
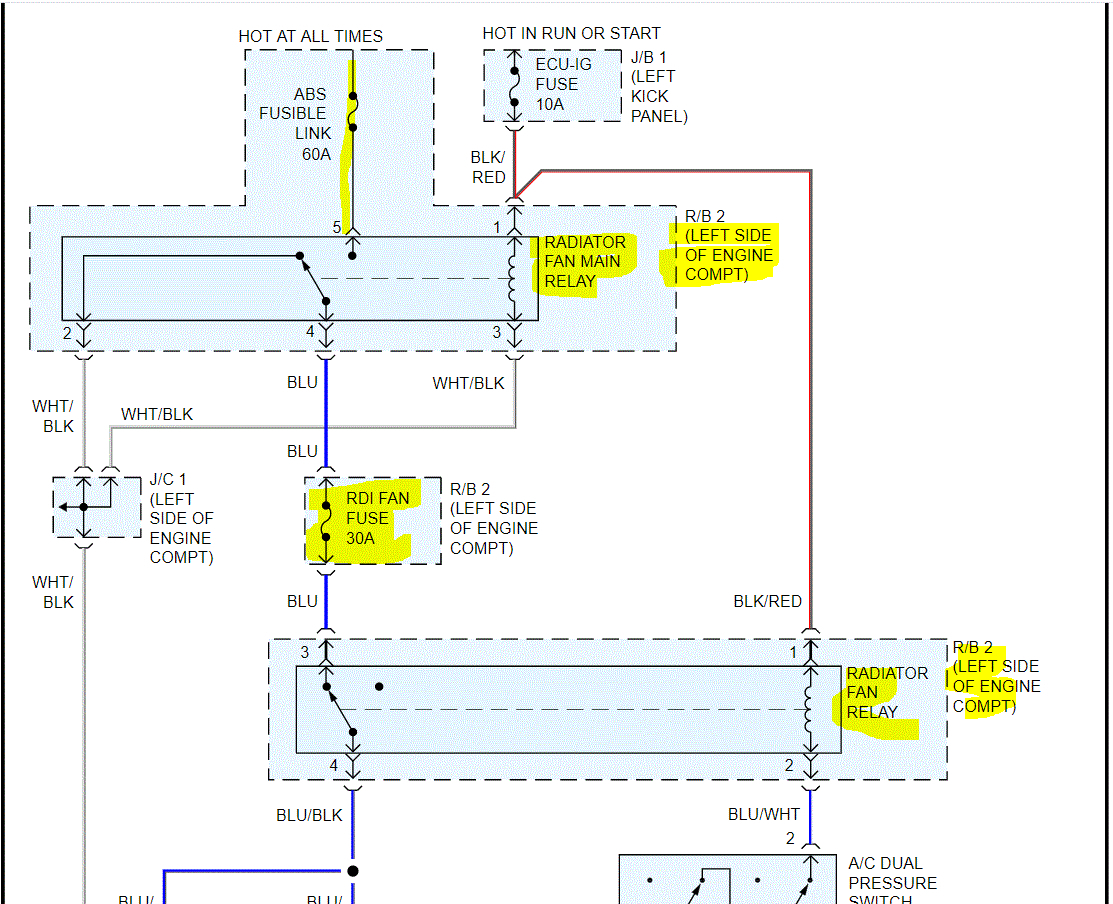
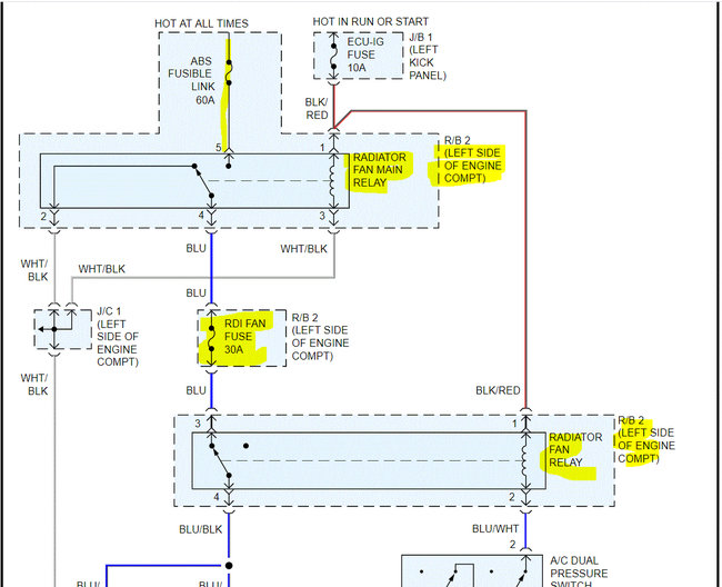
I attached the wiring schematic below for the cooling fans. Since you can get them to turn on by disconnecting a sensor, that tells me it isn't a power or fan motor issue.

On the schematic, I highlighted power supplies, but again, I don't think that's the issue. So that leaves a bad ground, a faulty relay (there are two), or a wiring issue. What I would like you to do is check the relays.

We have three ways we can do this. First, locate the relays in relay box 2 under the hood. See pic 3 for location. If there are other relays having the same part number, switch them to see if it makes a difference.

Another way is to remove the relays and follow this link to check them.

https://www.2carpros.com/articles/how-to-check-an-electrical-relay-and-wiring-control-circuit

Third, review pic 4 below. It is how to test the relays right from the manual.

Let me know what you find or if you have other questions.

Take care,

Joe

See pics below.

Jun 11, 2021 at 10:18 PM