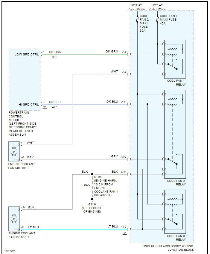
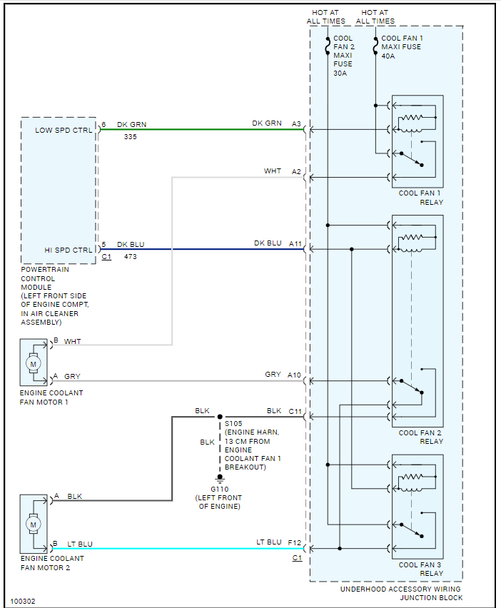
No electric cooling fans unless A/C is on; then both fans work. Tried switching relays, no difference. There is power to terminal 87. Jumping 87 and 30 has no effect. Fuses are good. Wire resistance is good. The computer is throwing a code for overheating, and other engine and transmission issues, which I know are definitely all related to overheating. The only thing I haven't checked is the temperature sensor. It is a three-wire type. I don't know which terminals to jump. The temperature gauge and overheat indicator work correctly. I am concerned the computer could be damaged because **all of this** started after being hit in the driver side fender (where the computer is). However, the computer seems to "check out" ok. The only other (new) problem since the accident is an "event code" (not DTC) for a voltage issue in the instrument panel. I notice my clock always says "1:25" when I turn on the ignition, regardless of how many times I've reset the clock. I am confident there is no air in the coolant, and I am now confident that there are no issues in the fuse box nor are there any "resistance" issues, other than a voltage reading of 11.9v on the "Fan #2 relay" whereas the "Fan #1 relay" was a full 12.0v. (I don't see an issue with 1/10th of a volt loss).
In short, how do I confirm a three-wire temperature sensor? And how do I confirm the PCM is calling for the fans to come on? (Keep in mind they work when A/C is on, and the "non-A/C" fan operation stopped working *immediately* after an accident). There is NO wiring damage from accident.
Lastly... The car is shortly due for the junk yard as soon as I can find another car. Can I "wire the fans" directly to the battery with a switch? Running with the AC on is not an option because it will leak Freon and stop working. (I had to charge it to get it to work. But the fans did come on. But not with A/C in the off position; (still fully charged).
Sorry about the above "essay" length, but it has been my experience that if I don't say "I checked the fuse", you will ask me if "Did you check the fuse?", which wastes even more time.
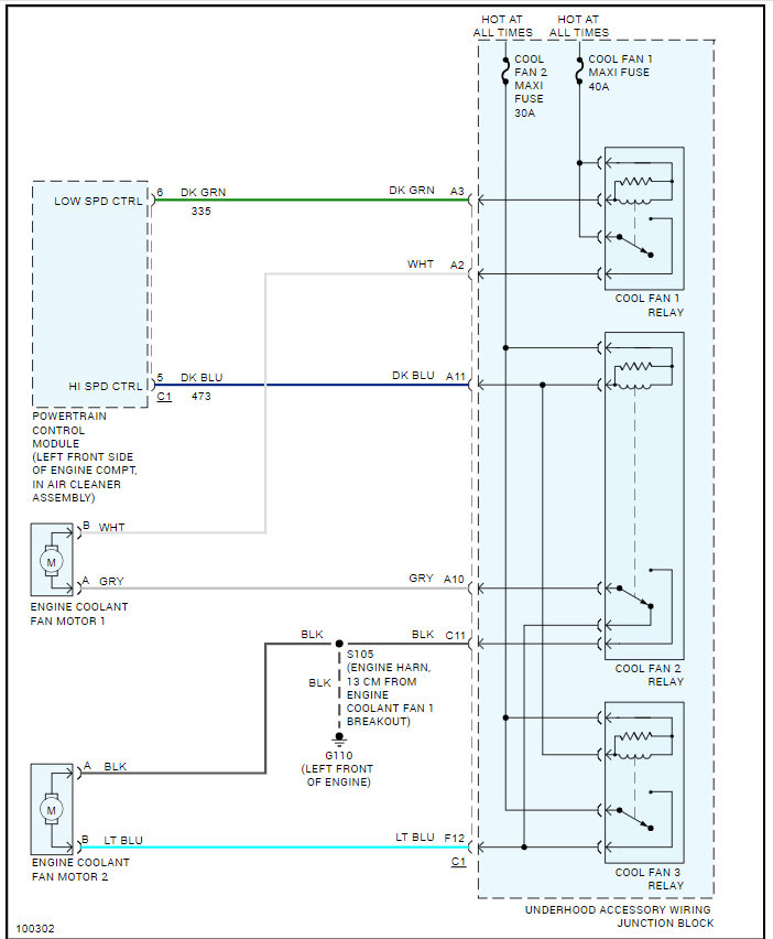
In short, how do I confirm a three-wire temperature sensor? And how do I confirm the PCM is calling for the fans to come on? (Keep in mind they work when A/C is on, and the "non-A/C" fan operation stopped working *immediately* after an accident). There is NO wiring damage from accident.
Lastly... The car is shortly due for the junk yard as soon as I can find another car. Can I "wire the fans" directly to the battery with a switch? Running with the AC on is not an option because it will leak Freon and stop working. (I had to charge it to get it to work. But the fans did come on. But not with A/C in the off position; (still fully charged).
Sorry about the above "essay" length, but it has been my experience that if I don't say "I checked the fuse", you will ask me if "Did you check the fuse?", which wastes even more time.
May 28, 2024 at 6:15 PM


