Fan stays on when car is off?

2017 JEEP COMPASS
110,000 MILES • 4 CYL • 2WD • AUTOMATIC
Avatar
MARYMATTEO
  • MEMBER
  • 1 POST
The cooling fan stays on when car is off. Looking for relay box location and relay location. Thanks
Feb 26, 2026 at 9:35 AM
Advertisement
Avatar
STEVE W.
  • CERTIFIED EXPERT
  • 15,113 POSTS
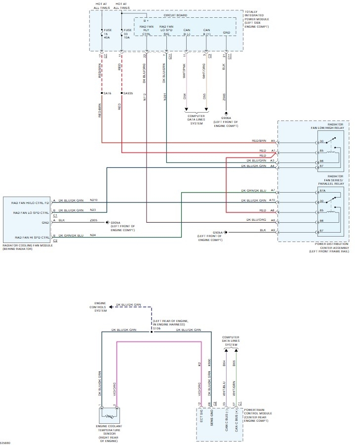
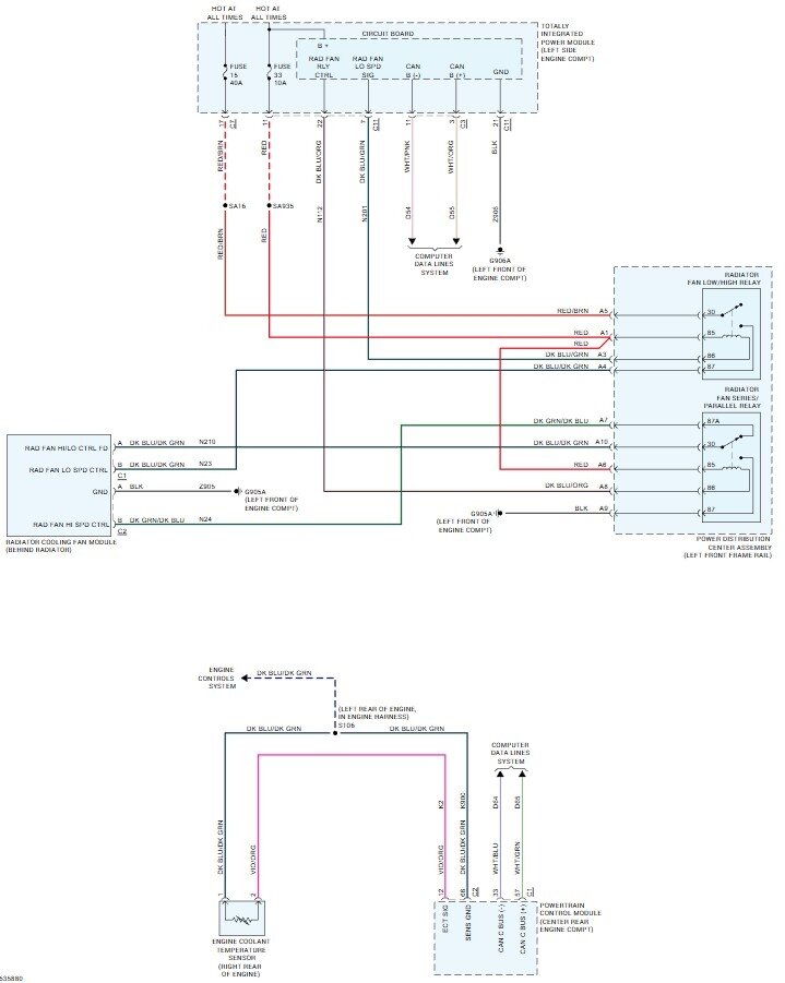
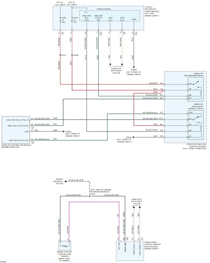
These are the diagrams and location for the relays, however this problem may not be a relay. Testing will show if it is though. The relays are in the fuse and relay block at the front of the engine compartment. There are two of them, one turns on both fans at low speed , the other changes the ground path so that both fans operate on high speed. To test them a simple test light will work. If you remove either one there will be power on terminal 85 from fuse 33. That feeds the relays, but won't turn them on and that doesn't power the fans. Fan power instead comes from fuse 15 and into the low speed relay on terminal 30. To test if the fans staying on is in the TIPM a relay or the fan module itself takes some testing. First connect your test light to battery ground (or any good ground) remove both relays and check for power on terminals 85 on both relays, and on terminal 30 of the "fan low" relay. Should be power to all three. Next connect the test light to battery positive, now find the 86 terminals in both relay sockets, gently touch the test light to the terminals one at a time, If the issue is in the TIPM locking the fan(s) on then one of the two terminals will turn on the light. If you get a light the TIPM is the issue and testing is done. No light? Swap the relays, does the fan(s) turn on now? Swap them back, fan(s) on now? If the fans stop with a relay swap but come back when swapped back, get a replacement relay and swap it into the low speed relay, that is the one that sends power to the fans and they shouldn't run with it off. So either the TIPM is turning it on or the relay has fused contacts.
Feb 26, 2026 at 4:44 PM