☰
Login
Join
×
Home
Answered Questions
Repair Topics
Repair & Service Guides
Popular Questions
Warning Lights
Trouble Codes
How It Works
Testing / Diagnostics
Symptoms
Videos
Login
Become a Member
Home
Oldsmobile
Alero
Interior
Instrument Cluster
Gauges
Engine Temperature
fan not going on
1999 OLDSMOBILE ALERO
36,000 MILES • 3.4L • 6 CYL • 2WD • AUTOMATIC
HIPSGARAGE
MEMBER
1 POST
FOLLOW
Fan is not turning on when temperature gauge get past half way point.
Feb 8, 2017 at 11:18 AM
Advertisement
HMAC300
CERTIFIED EXPERT
48,601 POSTS
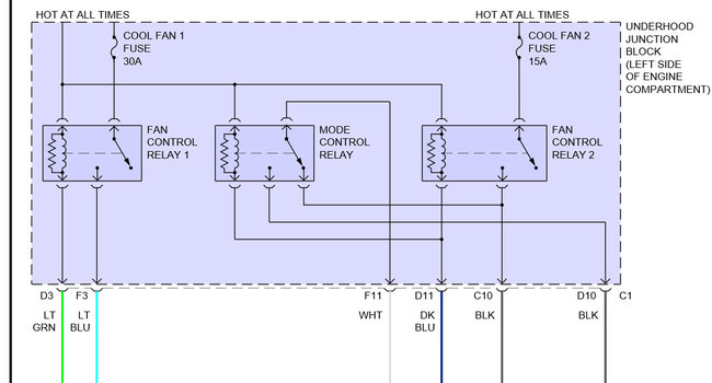
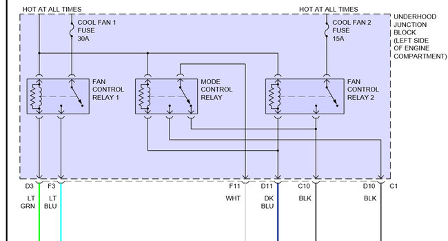
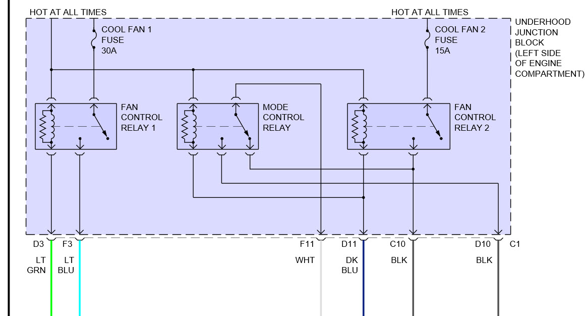
I assume you have checked everything in the picture as well as wiring going from ECT to PCM.
Image (Click to enlarge)
Feb 8, 2017 at 12:21 PM