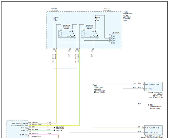
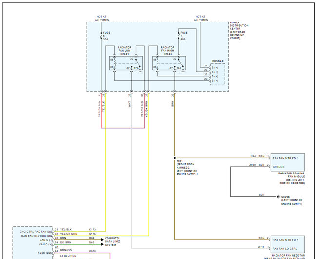
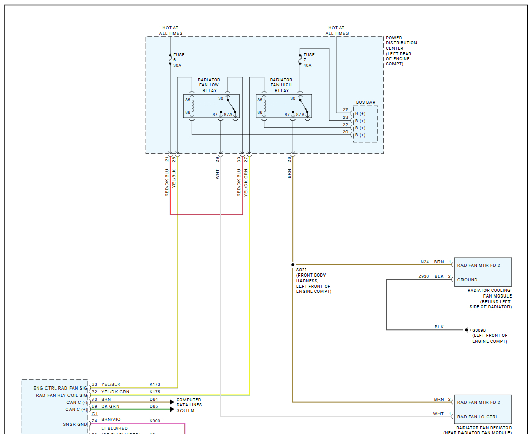
Blower inside the car works, the A/C button lights up, compressor wasn't running, turned it by hand and it moved. I added a tiny bit of freon, and it kicked on so i guess it was a tiny low. Air was kind of cool but not cold then I saw that the radiator fan isn't on. Is there a common issue with these as far as that? And where would be the fuse on it for the fan and what would you suggest checking on it? Thanks. Also, P0128 code is in there. not sure if the thermostat code is related. I just checked 2 fuses and switched the niddle red relat and still nothing. Removed power to fan and applied battery power and it spun. Out it back together and the fan kicked on for like 7 seconds. Then it stops. Then in another half minute does the same thing. Actuated fan via scanner at both speeds and both were fine. Isn't the dan supposed to be on all the time while A/C is on?
May 2, 2025 at 9:38 AM













