Water pump?

2009 BMW 328
131,000 MILES • 6 CYL • 2WD • AUTOMATIC
Avatar
NASER NASER
  • MEMBER
  • 836 POSTS
This is a friend if mine's car. we replaced the thermostat and water pump 2 months ago because the pump failed and car was overheating. yesterday he was driving home and it overheated, he checked water level was low so he added some and drove it home. he removed the coolant temperature sensor so the fan can come on high to help with the heating until he came home. i checked it today and i saw faults that are not present such as water pump speed deviation, o2, and catalyticone, deleted all and started the car and let it warm, o2 and catalytic one are present i don't see anything else, unplugged coolant temperature sensor and fan came on high. Plugged it back and turned A/C on but fan did not come on immediately. Turned on after couple of minutes. Turned A/C off and fan shut off. Now at 169F coolant temperature and 156 at radiator outlet the speed of the electric coolant pump is at 0. Now at 200 and the water pump speed is zero, am not sure if the electrical connector could have come off or what. I will have to jack it up, but anyways if the pump is bad when is the coolant fan supposed to kick in at what temperature?

Am thinking since the pump is totally dead it could be a fuse, one under the hood passenger side, but there ate also fuses in the glove box, can you get me the diagram for it so I will know which it is? Its a tight fit
Jan 21, 2020 at 1:41 PM
Advertisement
Avatar
STRAILER
  • CERTIFIED EXPERT
  • 53,854 POSTS
Hi NASER NASER.

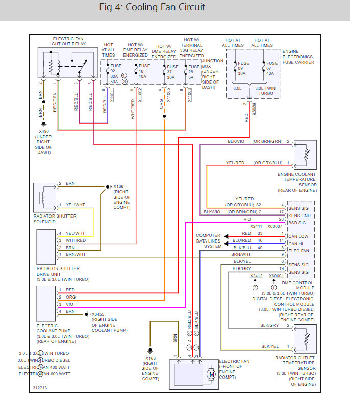
This water pump is powered by the #37 under the dash on the passenger's side fuse panel. Here is the water pump wiring diagrams so you can see how it works plus the instructions for replacing the pump to confirm the installation is correct in the diagrams below.

They speak of the thermostat and to vent the system without fail. Here is a guide to help check the electrical:

https://www.2carpros.com/articles/how-to-check-wiring

Check out the diagrams (below). Please let us know what you find. We are interested to see what it is.
Jan 22, 2020 at 10:12 AM
Avatar
NASER NASER
  • MEMBER
  • 836 POSTS
Thanks, checked all fuses a d they are good, pump not coming on at all when primed by scanner, the connector has 4 wires as the diagram shows, 2 show battery voltage and one (purple)shows nothing but the tester still gives a light. do you know what kr when its supposed to have power? 4 The is nothing which am guessing ground.
Jan 22, 2020 at 11:21 AM
Advertisement
Avatar
STRAILER
  • CERTIFIED EXPERT
  • 53,854 POSTS
Brown is ground orange is power. it sounds like the pump is bad. was it an OEM part? Do you have power at fuse # 37?
Jan 23, 2020 at 9:48 AM
Avatar
NASER NASER
  • MEMBER
  • 836 POSTS
yes the fuse has power. Am asking about the VIO wire, the first two have battery voltage, the fourth have ground, the third just shows a dim light and not showing voltage reading. I replaced the pump with aftermarket 3 months ago.
Jan 23, 2020 at 10:26 AM
Avatar
STRAILER
  • CERTIFIED EXPERT
  • 53,854 POSTS
The VIO wire is the trigger it should turn the pump on. I would unplug the pump to see if the reading change, if so replace the pump. I would use OEM.
Jan 23, 2020 at 10:35 AM
Avatar
NASER NASER
  • MEMBER
  • 836 POSTS
The test light I have has light and readings. with the first 2 wires I get a light and readings of voltage. the VIO only gives dim light but no reading, not even showing 0. that is with the ignition on and the connector unplugged.
Jan 23, 2020 at 10:37 AM
Avatar
STRAILER
  • CERTIFIED EXPERT
  • 53,854 POSTS
That does sounds right I would try the DME control module. Here is the location is the diagrams below. Check out the diagrams (below). Please let us know what you find.
Jan 24, 2020 at 6:58 PM
Avatar
NASER NASER
  • MEMBER
  • 836 POSTS
Am sorry check with the DME module as far as what?
Jan 24, 2020 at 7:36 PM
Avatar
STRAILER
  • CERTIFIED EXPERT
  • 53,854 POSTS
Replacing it, if the water pump is good then its the only thing that could be wrong. a bad DME.
Jan 26, 2020 at 9:53 AM
Avatar
NASER NASER
  • MEMBER
  • 836 POSTS
Oh the brain on the passenger side, but wouldn't the DME when bad cause other things to go bad and not just the water pump?
Jan 26, 2020 at 10:11 AM
Avatar
NASER NASER
  • MEMBER
  • 836 POSTS
Is there a way to test the pump outside once i remove it?
Jan 26, 2020 at 10:12 AM
Avatar
STRAILER
  • CERTIFIED EXPERT
  • 53,854 POSTS
It could have just part of the DME going bad which controls the pump. You can try putting power and ground to the pump to see if you can get it to work. I would make sure the pump is good though.
Jan 26, 2020 at 10:28 AM
Avatar
NASER NASER
  • MEMBER
  • 836 POSTS
Am going to try that while she still on, which of the 4 pins would i supply positive to? The ground i know is number 4.
Jan 26, 2020 at 10:45 AM
Avatar
STRAILER
  • CERTIFIED EXPERT
  • 53,854 POSTS
I would try to ground the violet wire to see if the pump comes on.
Jan 27, 2020 at 9:30 AM