Two days ago our vehicle began to run real hot when at a stop light. It cooled right down when we were moving, and we were careful to make sure the engine didn't freeze.
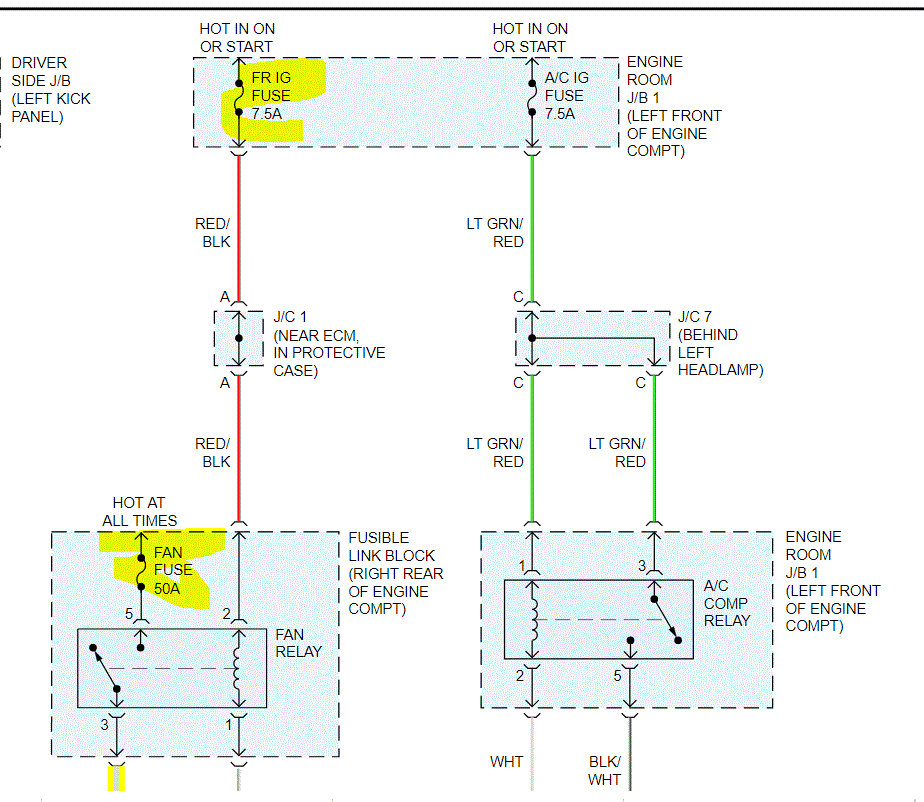
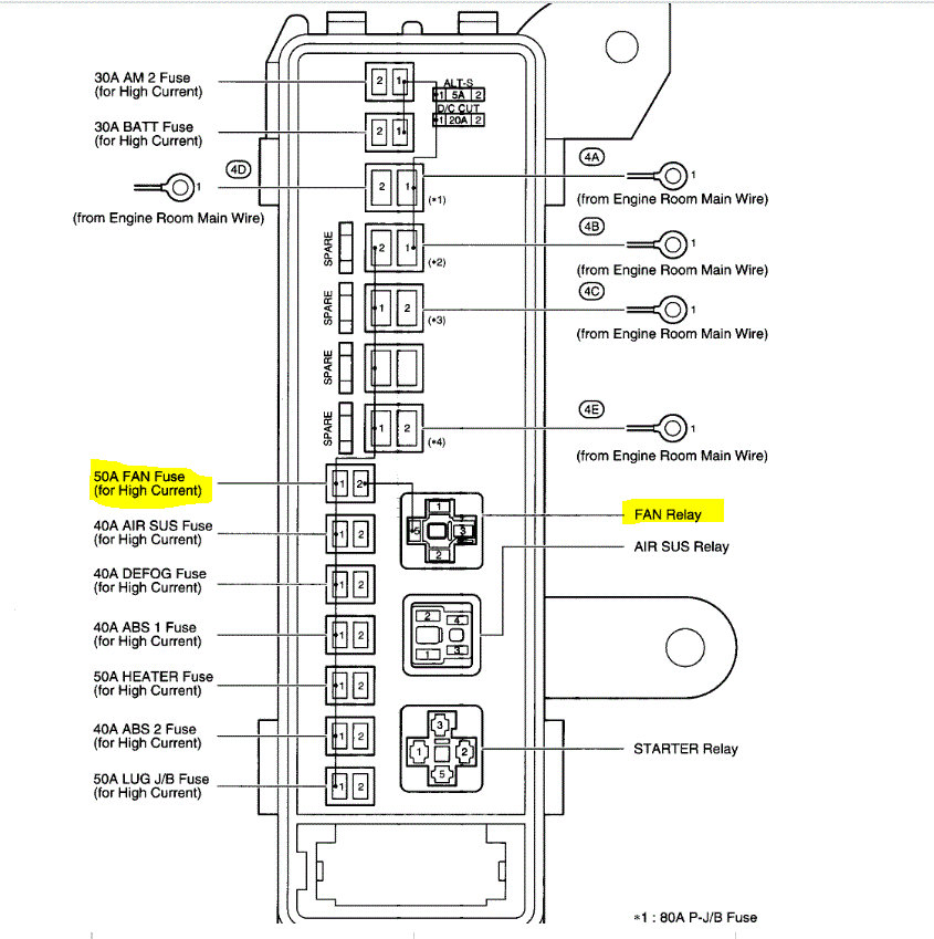
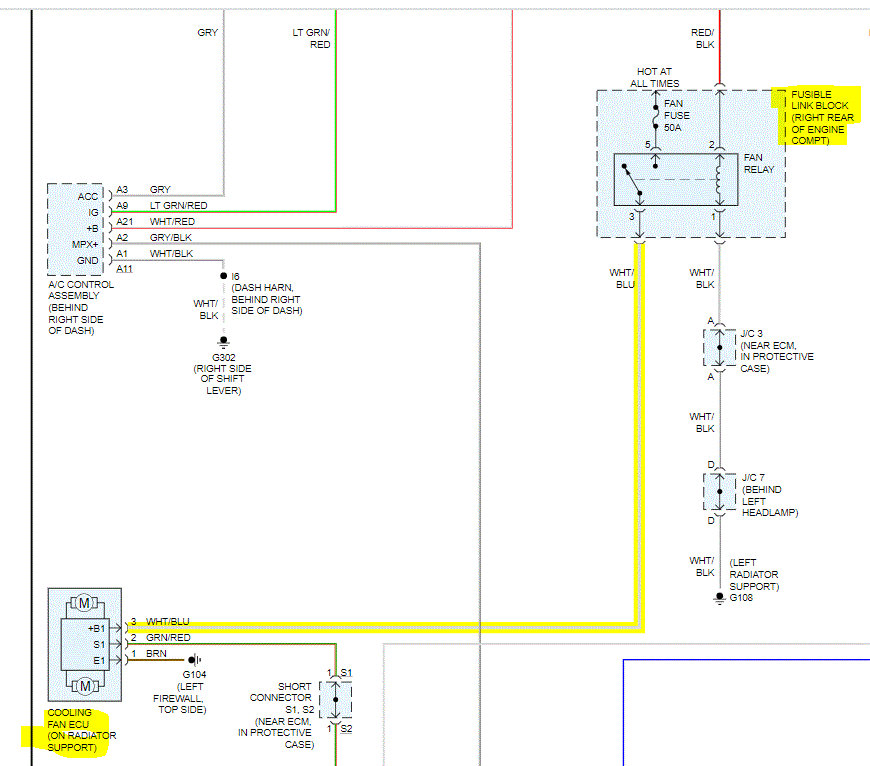
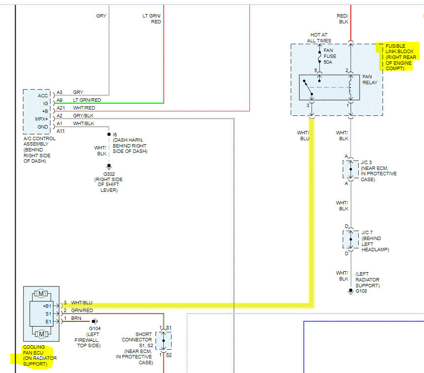
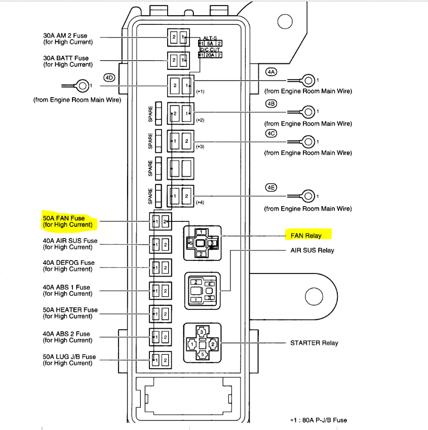
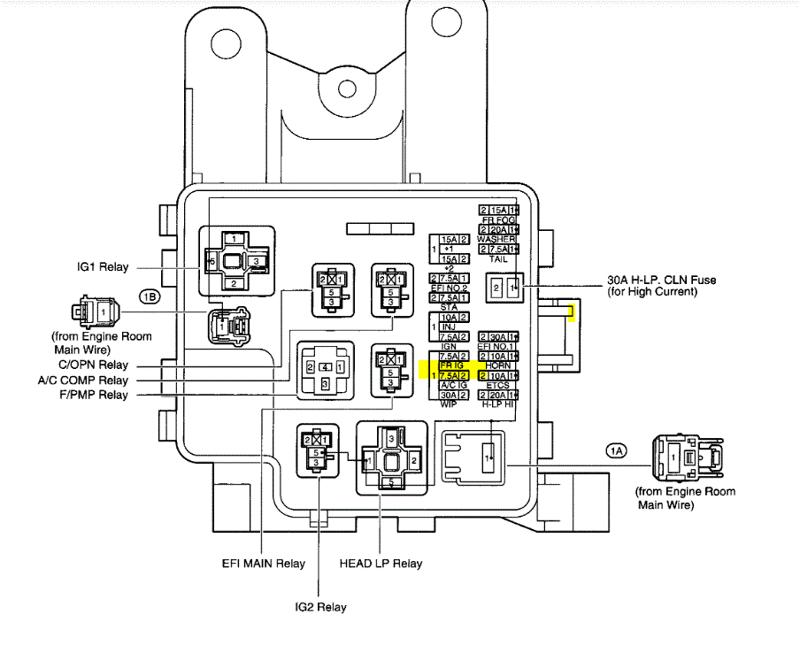
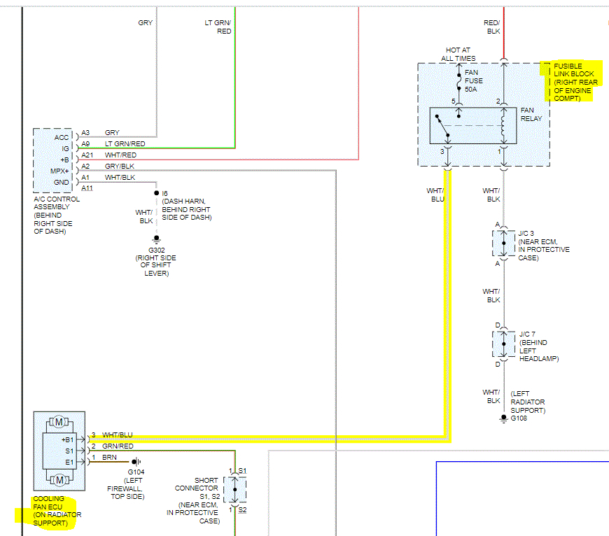
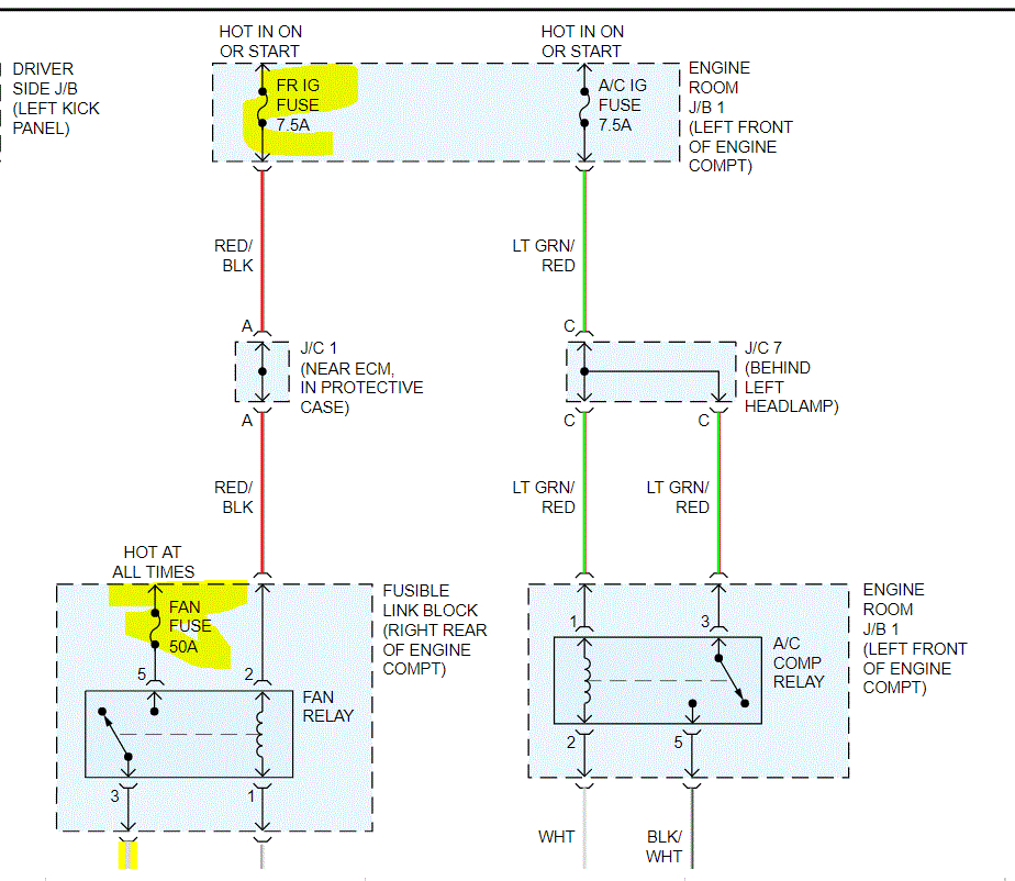
I just checked the fans with the A/C on and the engine running, and the passenger side fan is on but the driver's side fan wasn't running.
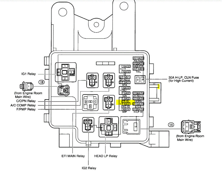
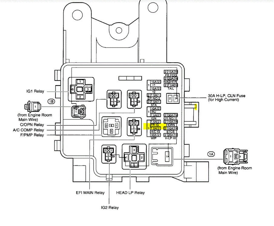
I believe this model might have fan relays, so my questions are:
A. Can you list the diagnostic steps to make sure we identify the problem before ordering parts?
B. After making the repair shouldn't we do an oil and filter change as well as flush the radiator and replace the coolant?
Thanks as usual,
Jon
(as soon as the liftgate actuator for our Mazda5 arrives I'll let you know how the r&r went)
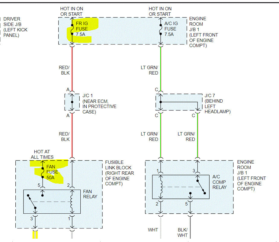
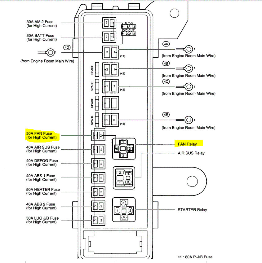
I just checked the fans with the A/C on and the engine running, and the passenger side fan is on but the driver's side fan wasn't running.
I believe this model might have fan relays, so my questions are:
A. Can you list the diagnostic steps to make sure we identify the problem before ordering parts?
B. After making the repair shouldn't we do an oil and filter change as well as flush the radiator and replace the coolant?
Thanks as usual,
Jon
(as soon as the liftgate actuator for our Mazda5 arrives I'll let you know how the r&r went)
Oct 18, 2020 at 6:52 PM













