A/C fan not working

1998 FORD F-150
268,000 MILES • 5.4L • V8 • 2WD • AUTOMATIC
Avatar
TDAY1973
  • MEMBER
  • 3 POSTS
A/C fan yesterday was going in and out, like an electrical problem. today it has completely stopped working and no fan on A/C. I was thinking blower motor but after reading twenty or thirty articles I find that it could be a relay or resistor. All fuses are fine of course it could not be that easy. But can somebody show me a diagram where the relays and resistors are located and how to replace? My book on my car of course does not show this. Much thanks from sixty two granny shade tree mechanic.
Sep 19, 2017 at 4:48 PM
Advertisement
Avatar
CJ MEDEVAC
  • CERTIFIED EXPERT
  • 11,004 POSTS
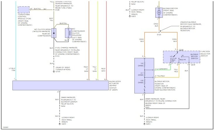
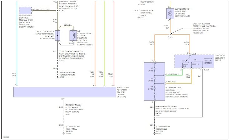
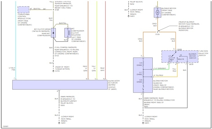
I was able to get you a diagram of the "AC Circuit" from "Prodemand".

If things are not looking right, send me your VIN, That usually gets me straight to the meat and potatoes without adding your info in bit by bit. I had a choice of three letters in the eighth digit of the VIN (I went with the first choice, "L"). The diagrams may be the same for all of the choices (may not be too).

You will see the grounds/relays/fuses/ etc. In the diagram. Locations of the components are usually listed beside them.

I had to make three screenshots to get the entire diagram. First one sits on top of the second one, second on third. I insured they overlapped so no information is lost (so you will see some of the same stuff on adjoining diagrams).

Let us know if this helps

The Medic
Sep 19, 2017 at 6:15 PM
Avatar
TDAY1973
  • MEMBER
  • 3 POSTS
think it is a L..5.4L. cannot find my paper I have it on.
Sep 19, 2017 at 7:20 PM
Advertisement
Avatar
CJ MEDEVAC
  • CERTIFIED EXPERT
  • 11,004 POSTS
If so, its digit "8" on driver's side looking thru the windshield.

Also, probably on your insurance card.

If it is "L", You have the right diagram.

The Medic
Sep 19, 2017 at 7:54 PM