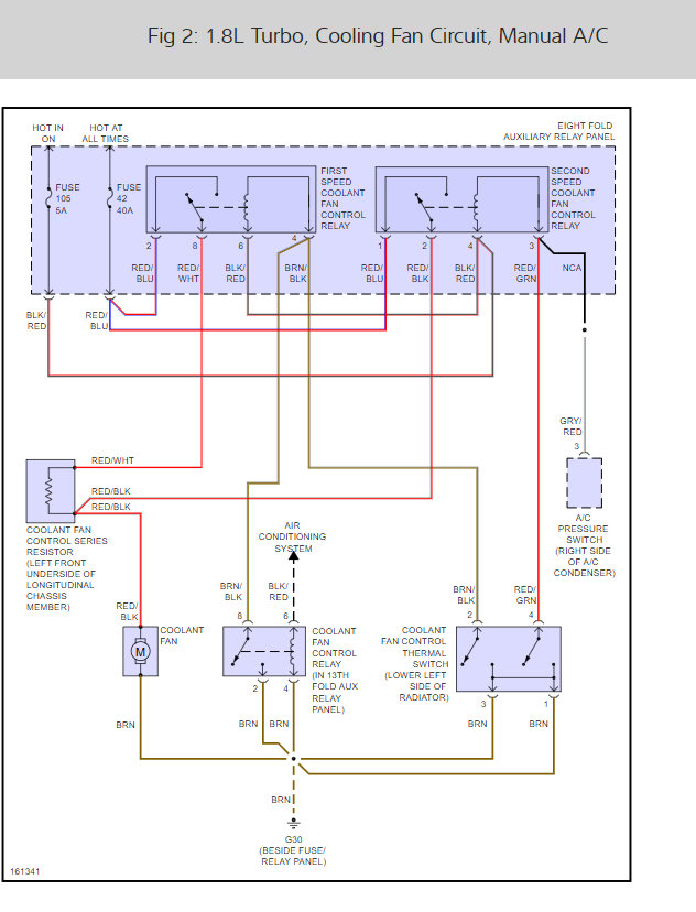
Hi I have a 2004 b5 series 1.8T AWM passat DOHC engine wagon. I had a previous problem where my auxiliary fan the small right hand side fan would come on when the key was turned, not started. So I tried to track a blown fuse there is nothing in the fuse box.Nothing in the relay arrangement on thirteen fold auxiliary relay panel, nothing above the relay panel. Seems to be blown because I changed all the fuses or at least switch them out for other ones including the ones that I couldn’t see. A blown fuse display like the clear ones. I’ve checked the fuses Which include The 5, 30, 40 and 60 amp Labeled coolant fan fuse. I’ve checked relay and fuse arrangements on the 8 panel relay panel, also check ECM box under the plastic cover on the driver side. I’ve changed the coolant temperature sensor and all I’ve done is get both fans stuck on.which I think happened after I unplugged the 373 in the ECM box. So I’ve made my prob worse. please help.
In order:
Changed coolant temperature sensor (between firewall and engine).
Checked fuse panel.
Checked relay panels behind steering wheel.
Checked the ECM box for a fuse.
I haven’t wanted to take the housing off between the radiator and plastic cover for the fans because the forms that I’ve read say that there is no fan switch on this specific model engine.
I’m stumped and now really sad.
Please help.
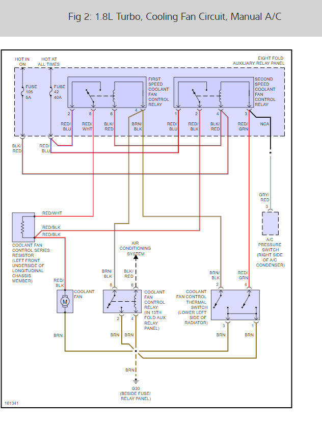
In order:
Changed coolant temperature sensor (between firewall and engine).
Checked fuse panel.
Checked relay panels behind steering wheel.
Checked the ECM box for a fuse.
I haven’t wanted to take the housing off between the radiator and plastic cover for the fans because the forms that I’ve read say that there is no fan switch on this specific model engine.
I’m stumped and now really sad.
Please help.
Jun 5, 2019 at 6:39 AM

