Fan belt not working properly

1998 OLDSMOBILE INTRIGUE
15,567 MILES • 6 CYL
Avatar
MARIABARELA
  • MEMBER
  • 1 POST
I have the car listed above a gift. so I have noticed that the fan belt does not turn on and I will be driving down the road and I notice it's hot. And it smells hot or smells burnt.
Dec 30, 2018 at 8:31 PM
Advertisement
Avatar
JACOBANDNICKOLAS
  • CERTIFIED EXPERT
  • 110,175 POSTS
Hi and thanks for using 2CarPros.

Are you referring to the cooling fan motors or something related to the serpentine belt?

Here is a link that shows the routing for the serpentine belt, but no fan is related:

https://www.2carpros.com/diagrams/oldsmobile/intrigue/1998

Now, if the electric fans are not turning on, the first thing I need you to check are the fuses in the under hood fuse box. There is a 30 amp fuse there that provides power to the fan relays. I attached the fuse box legend relevant to this fuse.

https://www.2carpros.com/articles/how-a-car-fuse-works

https://www.2carpros.com/articles/how-to-check-a-car-fuse

Here are a couple links that show how to use a multi meter as well as test light and wiring:

https://www.2carpros.com/articles/how-to-use-a-test-light-circuit-tester

https://www.2carpros.com/articles/how-to-use-a-voltmeter

https://www.2carpros.com/articles/how-to-check-wiring

If there is power and the fuses are good, in the same power distribution box are the relays for the cooling fan. Switch them with another relay in the box that has the same part number to see if the fans work. If they do, replace the relays. If there are no relays to switch with, here is a link that shows how to check a relay:

https://www.2carpros.com/articles/how-to-check-an-electrical-relay-and-wiring-control-circuit

Now, if the fuses and relays are good, then you need to check if the fan motor has failed. You will need to provide power to them to see if they turn on. Or, when the engine is cold, and off, spin them by hand to see if they move smoothly. If they don't replace them.

Here are the directions for replacing the fan motors:

__________
COOLING FAN MOTOR REPLACEMENT - ELECTRIC
REMOVAL PROCEDURE

CAUTION: Keep hands, tools, and clothing away from the electric engine coolant fans in order to help prevent personal injury. These fans are electric and can turn on whether or not the engine is running. The fans can start automatically with the ignition in the ON position.

1. Remove the cooling fan assembly.


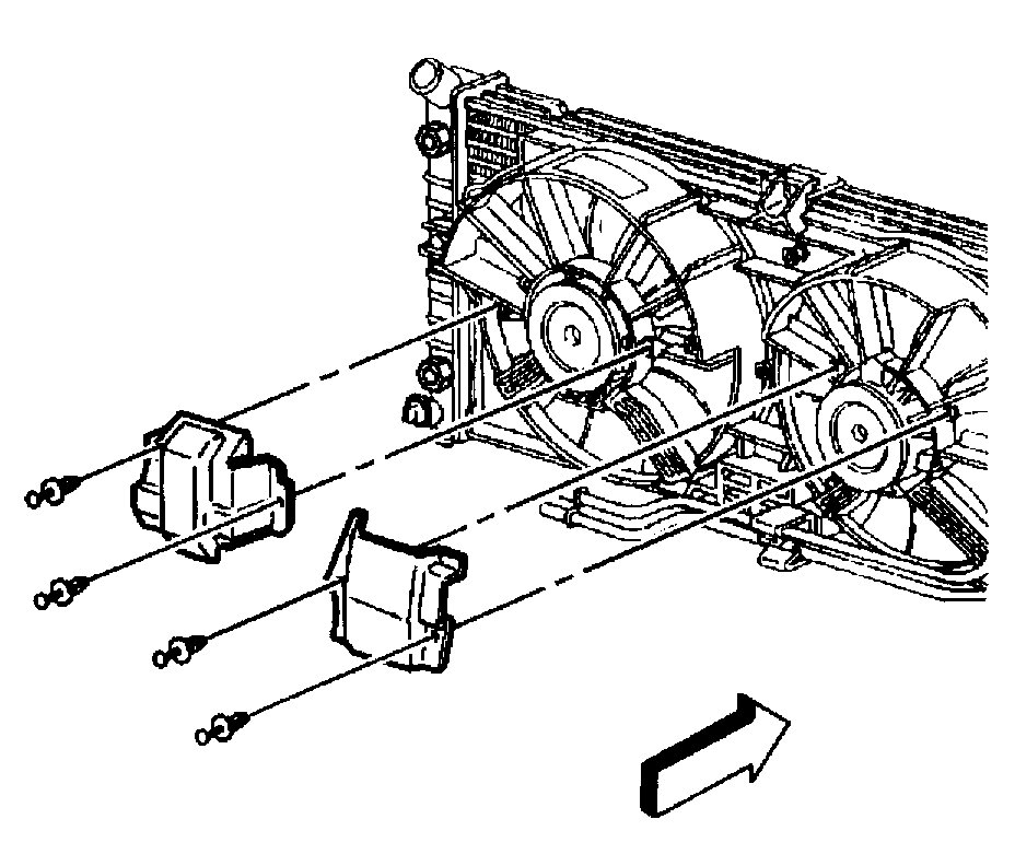
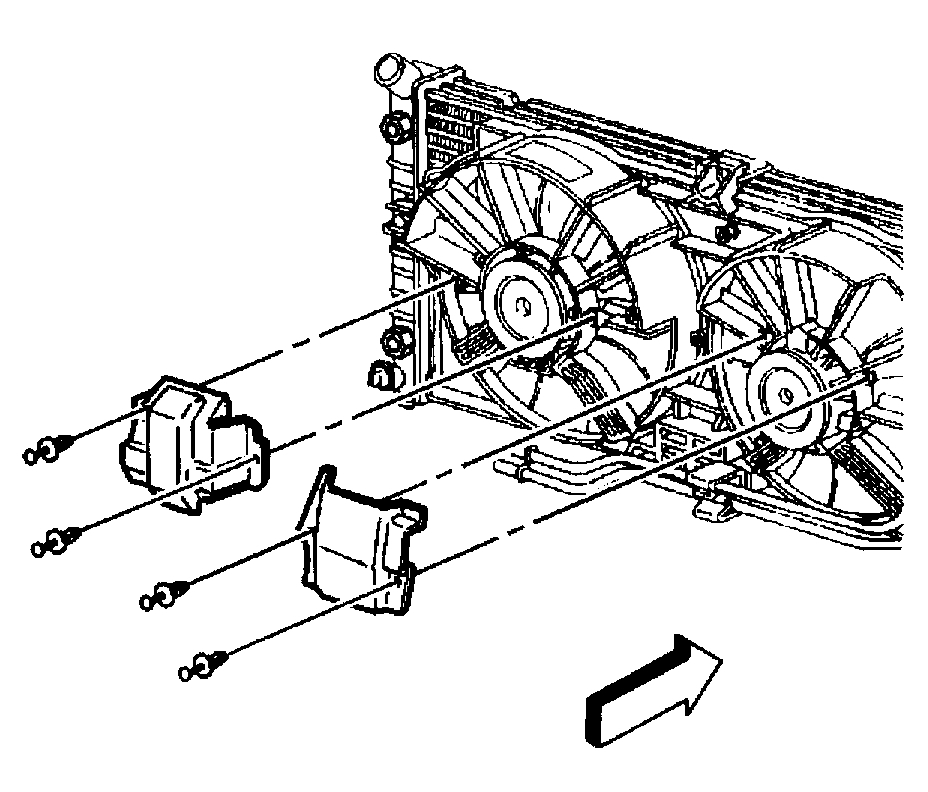
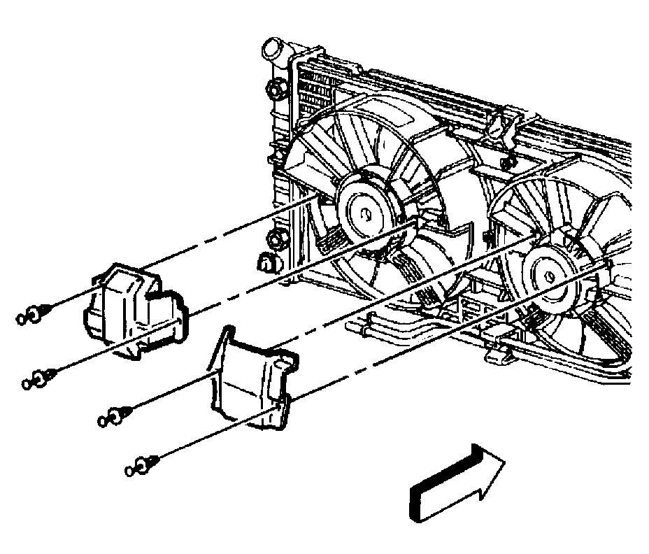
2. Remove the cooling fan heat shield(s).
3. Disconnect the cooling fan motor electrical connector(s).


4. Remove the cooling fan blade nut.
5. Remove the cooling fan blade.
6. Inspect the cooling fan for the following conditions:
^ Bent or cracked cooling fan blades
^ Smoothness of the cooling fan blade mating surfaces
^ Remove burrs or other imperfections as necessary

CAUTION: If a fan blade is bent or damaged in any way, do not repair or reuse the damaged part. Always replace a bent or damaged fan blade. Fan blades that have been damaged can not be assured of proper balance and could fail and fly apart during subsequent use. This creates an extremely dangerous situation. The fan blades must remain in proper balance. You cannot assure fan blade balance once a fan blade has been bent or damaged.

A fan blade that is not in proper balance could fail and fly apart during use, creating an extremely dangerous situation.

7. Remove the cooling fan motor bolts.
8. Remove the cooling fan motor.

INSTALLATION PROCEDURE


1. Install the cooling fan motor.
2. Install the cooling fan motor bolts.
^ Tighten the cooling fan motor bolts to 6 Nm (53 inch lbs.).

NOTICE: Refer to Fastener Notice in Service Precautions.


3. Install the cooling fan blade.
4. Install the cooling fan blade nut.
^ Tighten the cooling fan blade nut to 6 Nm (53 inch lbs.).

5. Connect the cooling fan motor electrical connector(s).


6. Install the cooling fan heat shield(s)
7. Install the cooling fan assembly.

Let me know if this helps or if you have other questions.

Take care,
Joe

Dec 30, 2018 at 10:19 PM