Code P0232, replaced three fuel pumps within a month?

2011 LAND ROVER RANGE ROVER SPORT
63,436 MILES • 5.0L • V8 • AUTOMATIC
Avatar
FOLARIN79
  • MEMBER
  • 2 POSTS
I replaced 3 fuel pumps within a month. With P0232 code and all cylinders detected misfire.
Jul 4, 2024 at 10:49 AM
Advertisement
Avatar
AL514
  • CERTIFIED EXPERT
  • 5,465 POSTS
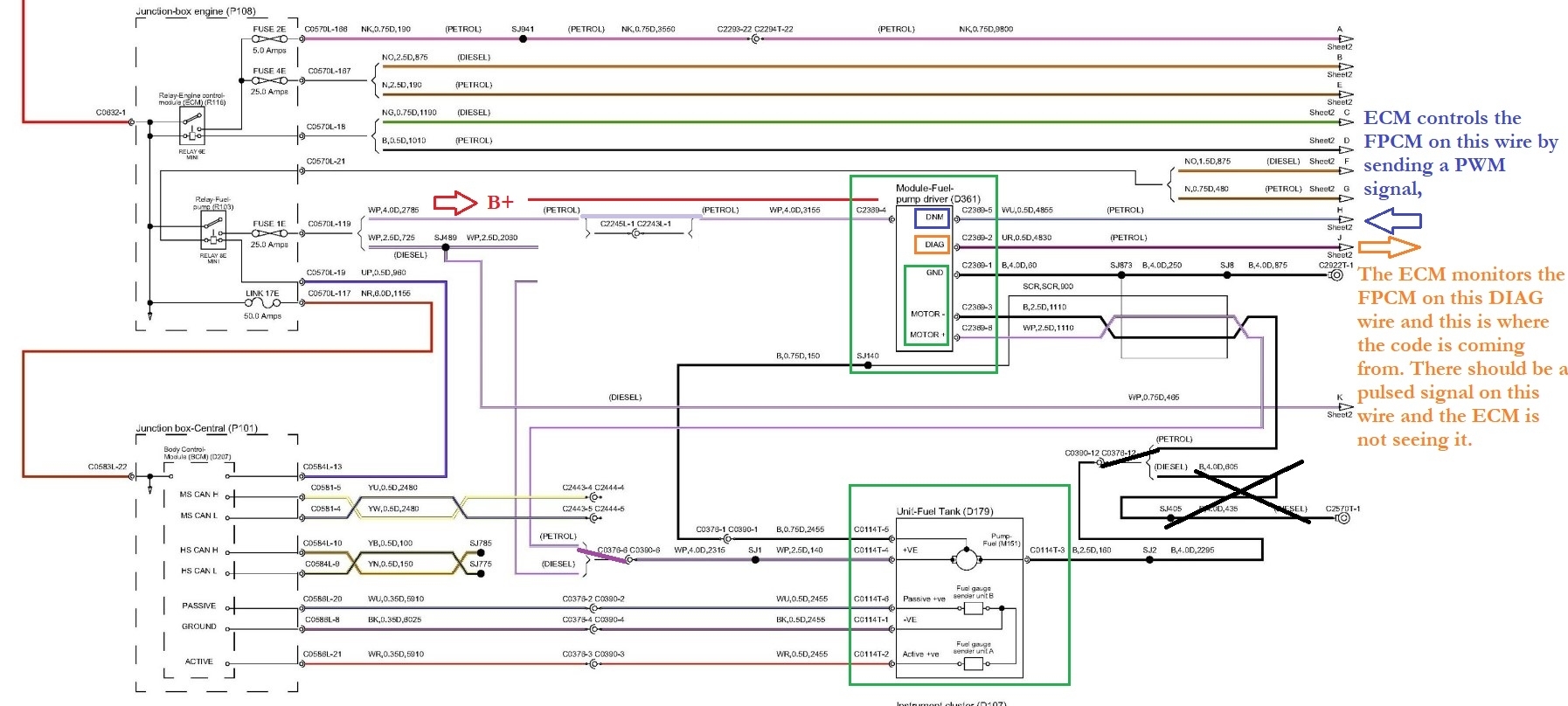
Hello, are you referring to the fuel pump in the tank? And this code is for the fuel pump control module circuit fault. The fuel pump control module for the pump in the tank is a pulse width modulated pump, its not an On or Off type pump, its pulsed by the module to control fuel pressure to the 2 High Pressure fuel pumps that are mechanically driven by the engine. So if the FPCM is shorted to ground internally and supplying a constant 12v to the fuel pump it will burn out. Ill post some wiring diagrams that show the module and pump wiring,
Jul 4, 2024 at 3:30 PM
Avatar
AL514
  • CERTIFIED EXPERT
  • 5,465 POSTS
Are you finding any blown fuses?
Jul 4, 2024 at 3:33 PM
Advertisement
Avatar
AL514
  • CERTIFIED EXPERT
  • 5,465 POSTS
So, these diagrams may look confusing but they're not as bad as it may seem, this code is indicating that the PCM is not receiving a Diag signal back from the Fuel Pump Control Module. In the 4th diagram I've marked in orange the DIAG circuit that should be outputting a pulsed signal to the ECM indicating that it is functioning. The issue can be either the module is not receiving power, the DIAG wire is shorted to Ground or Power (so its not pulsing), or the module has failed, and if you are burning up fuel pumps most likely there is a straight short to the pump whereas its receiving full power all the time. Its not designed for that, so once we find this module, I can walk you through testing at the connector for proper power and ground. And explain what should be coming out the wires marked "MOTOR -" and MOTOR +". It should be a signal as shown in diagram 5 roughly. A 0v to 12v signal that is varied by the module to control pressure.
More than likely the module has failed and will need to be replaced which usually requires programming with a capable scan tool. I know todays a holiday, so just let me know tomorrow or whenever if you want to diagnose this.
Diagram 6 is the aftermarket diagram is a bit easier to see where power and ground comes from.

https://www.2carpros.com/articles/how-to-use-a-voltmeter
Jul 4, 2024 at 4:37 PM