factory transmission wiring diagrams please

2000 FORD RANGER
209,000 MILES • 2.5L • 4 CYL • 2WD • MANUAL
Avatar
AL T.
  • MEMBER
  • 3 POSTS
A four pawed Georgia native chewed off a four-wire harness that runs along the top of the transmission. I can find nothing it would go to. I need to know where the factory diagrams are that not only show the schematics, but also the location of the related components. Ford no longer has them on their EDBase.

And when I went to fire it up, it fired immediately and stalled. No fuel pump whine. So maybe the harness is related to the fuel pump as it ran fine before. Battery is strong and fine. Starter too.
Jun 19, 2022 at 3:47 PM
Advertisement
Avatar
KASEKENNY
  • CERTIFIED EXPERT
  • 18,907 POSTS
Unfortunately, they list wiring diagrams by system and not location on the vehicle.

So, we are going to have to find which component this transmission goes to.

This means we need to find the harness and trace it to the end that is still attached to it.

https://www.2carpros.com/articles/how-to-check-wiring

I assume this is related to the powertrain system so I am attaching the complete system but as you can see, this is going to be tough to know if this is part of these harnesses.

If we know what the harness goes to then we will be able to figure out what the harness is for.

Let me know and we can go from there.

Thanks
Jun 20, 2022 at 12:23 PM
Avatar
STRAILER
  • CERTIFIED EXPERT
  • 53,854 POSTS
Lol that's a good one. Yes, here is a guide to help you check the wiring once it is repaired and the transmission wiring diagrams in the images below:

https://www.2carpros.com/articles/how-to-check-wiring

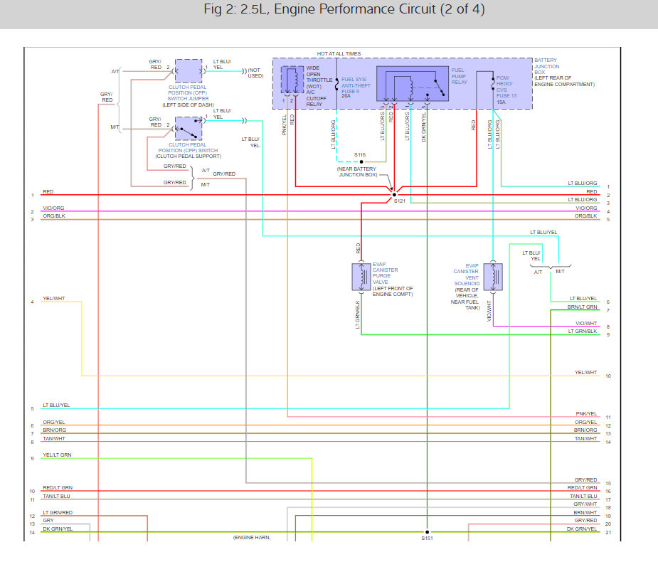
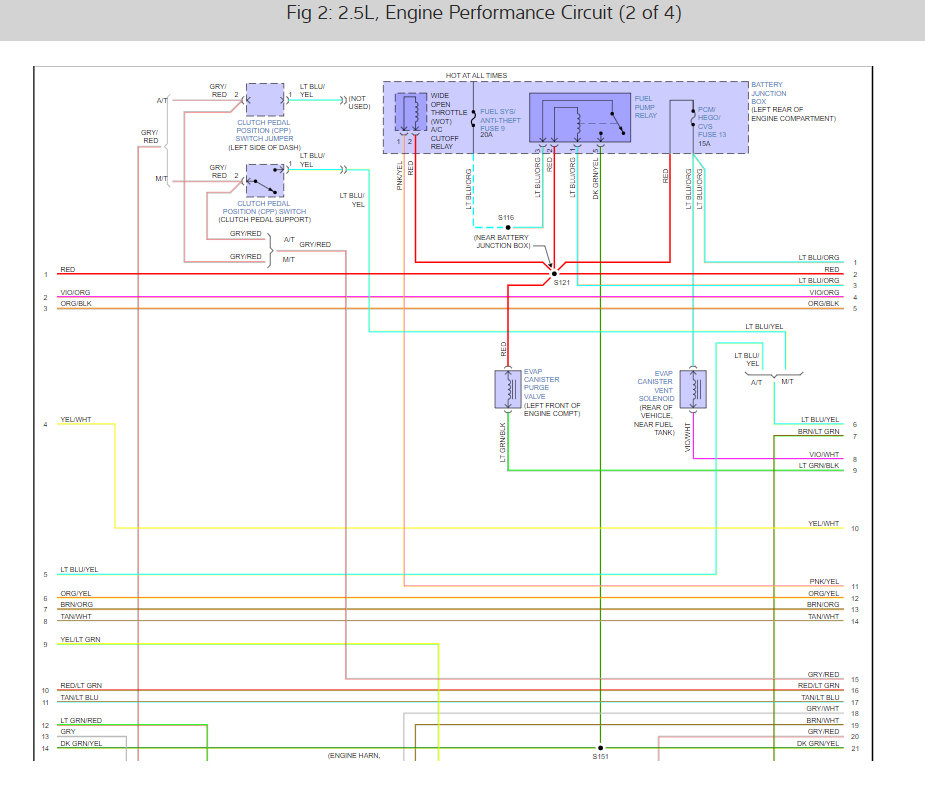
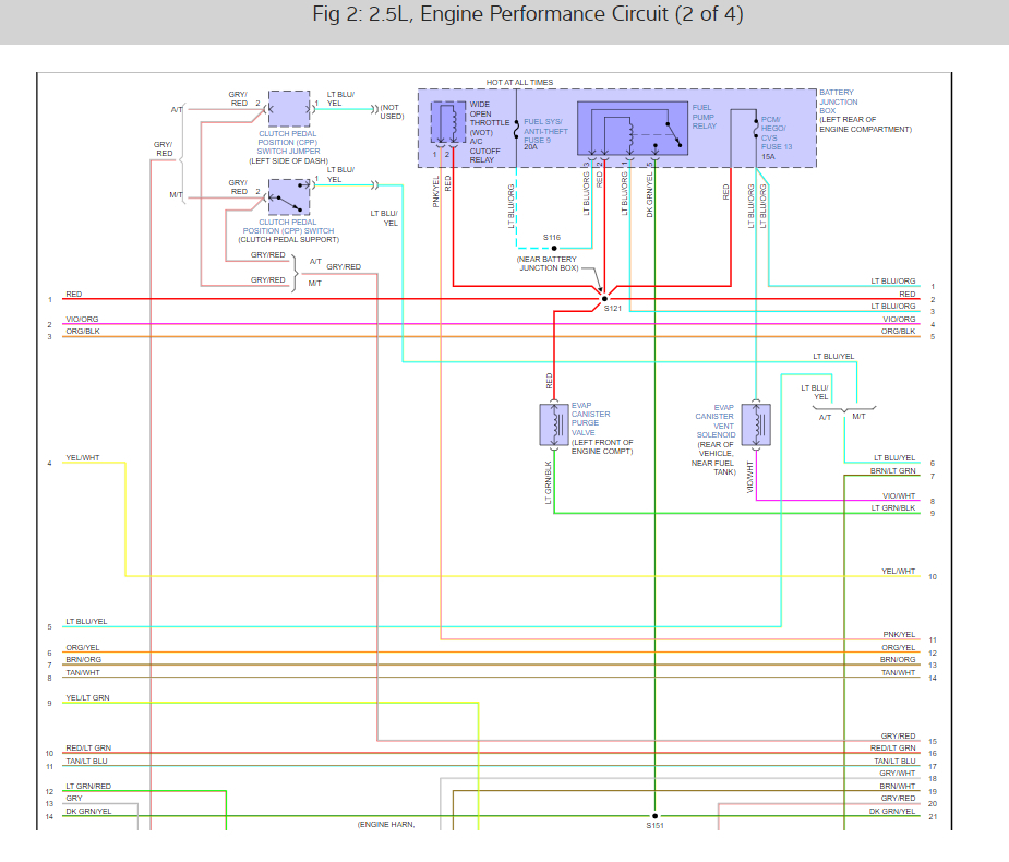
Here is the engine, fuel pump, reverse and rear light wiring diagrams in the images below. Check out the diagrams (below). Let us know what happens and please upload pictures or videos of the problem.

Jun 20, 2022 at 12:30 PM
Advertisement
Avatar
AL T.
  • MEMBER
  • 3 POSTS
Kenny K and Ken L both replied to my query about cutaway renderings in factory manuals regarding the chewing off of a small four wire harness on my 2000 4-cylinder manual transmission Ranger. I cannot see anything it would reach. There is a pocket in the tail shaft that would hold the speedometer gear in older days. But this pocket is closed over.

I used to be a "Goodwrench". GM manuals not only have full schematics, but another section has cutaway drawings of actual harness routings. This helps in locating possible abrasion related shorts. That is the kind of info that would clear this up in 3 minutes.

Additionally, I noticed it won't run. Cranks fine. I listen and can hear the fuel pump relay cut off 2 seconds after twisting the key. I also hear the pump whine quietly, then cut off. Depress the fuel rail Schrader and it does not squirt. My next test is to pinch the fuel return line to force a rich condition to see if the pump actually is pushing fuel or just sounding impressive...

At first, I thought the harness might have something to do with the fuel pump. But it is chewed off by the driver's side tail shaft. Not near the tank. So, the pump might be an unrelated issue with conspicuous timing.

I'll see what I can find out tomorrow. Maybe some pics too.
Jun 20, 2022 at 5:16 PM
Avatar
AL T.
  • MEMBER
  • 3 POSTS
Oh yes. All this came up when I crawled under to replace a leaky steering rack...
Jun 20, 2022 at 5:18 PM
Avatar
KASEKENNY
  • CERTIFIED EXPERT
  • 18,907 POSTS
Okay. Can you try to get a picture of this and that may help us figure out what this could be?

However, you should be able to stretch the wiring and it will get to about the location that the connector will be. Clearly if the wires are chewed through then the connector should still be connected to that these came from.

In other words, the mice would not have eaten the connector so that it should still be in its home and have the other side of the wires that were chewed off.

If you can't find the connector, let's see if we can get the picture and go from there.

Thanks
Jun 20, 2022 at 7:36 PM