☰
Login
Join
×
Home
Answered Questions
Repair Topics
Repair & Service Guides
Popular Questions
Warning Lights
Trouble Codes
How It Works
Testing / Diagnostics
Symptoms
Videos
Login
Become a Member
Home
Chevrolet
Tahoe
Ignition
Firing Order
Factory trailer plug wiring diagram needed?
2003 CHEVROLET TAHOE
327,000 MILES • 5.3L • V8 • 2WD • AUTOMATIC
BUBBA BLACKWELL JR.
MEMBER
1 POST
FOLLOW
Looking for factory wiring color diagram for 7 pin trailer lights plug for the SUV listed above that doesn't contain a white wire.
Dec 12, 2024 at 4:43 PM
Advertisement
STRAILER
CERTIFIED EXPERT
53,854 POSTS
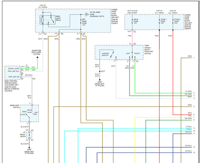
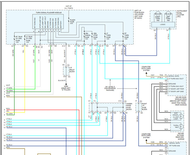
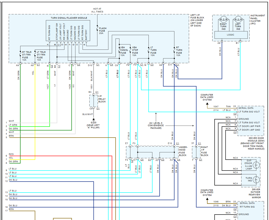
Sure, here are the trailing plug wiring diagrams for the 7-pin connector:
blk - ground
yel - left stop/turn
drgrn - right stop turn
lt grn - reverse lights
red - power
drkblue - trailer brake power (if used)
brn - running lights
Check out the images (below). Let us know if you need anything else.
Images (Click to enlarge)
Dec 12, 2024 at 5:59 PM