Factory radio wiring harness cut, wiring diagram needed?

2004 CHEVROLET TRAILBLAZER
200,600 MILES • 4.2L • 6 CYL • 2WD • AUTOMATIC
Avatar
ADRIAN N CARLOS
  • MEMBER
  • 1 POST
How can I tell which color wire means what and connects to what wires on my afternoon stereo?
Jun 4, 2023 at 2:49 AM
Advertisement
Avatar
STEVE W.
  • CERTIFIED EXPERT
  • 15,113 POSTS
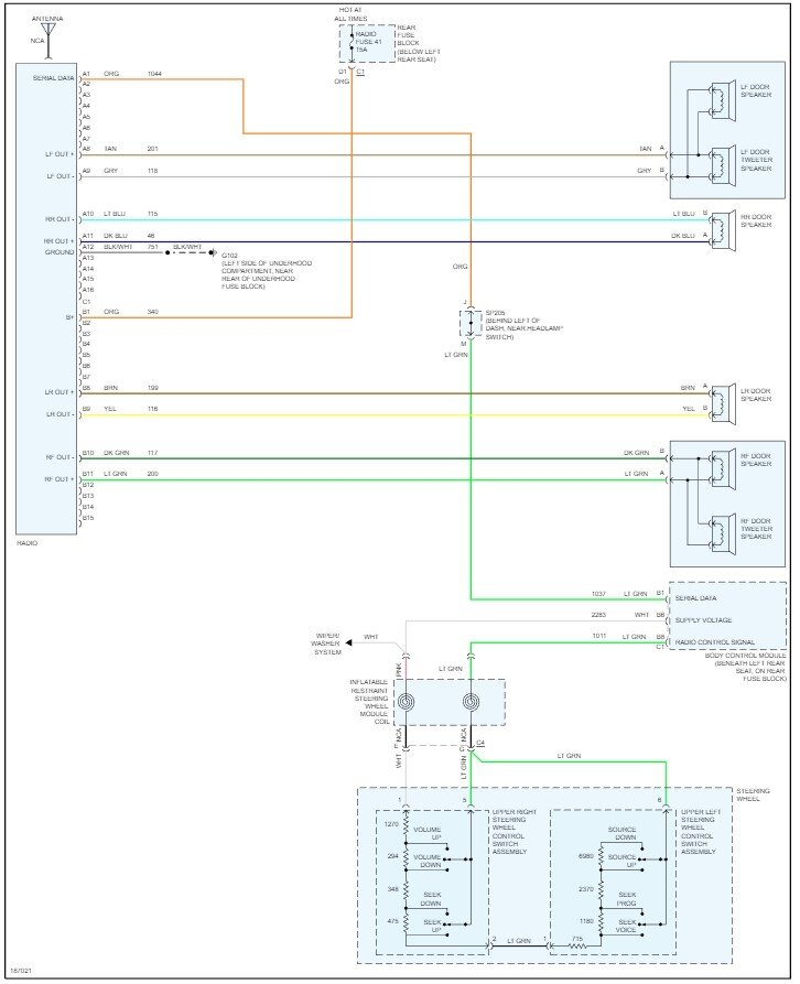
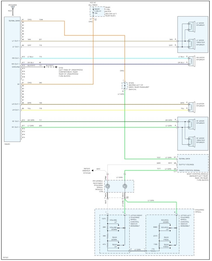
You can get an adapter harness that will just plug in and give you the wire information without cutting any wiring. If the wiring is already cut these are the base and mid-level radio diagrams. However, it will depend on the aftermarket unit you use as to what needs to be connected. If it has the base level unit there are fewer connections.
Jun 4, 2023 at 9:08 PM