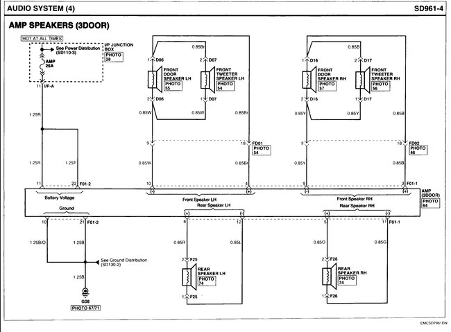
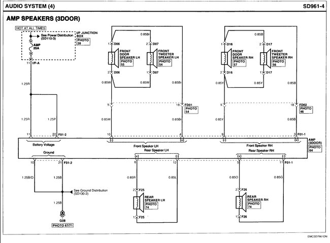
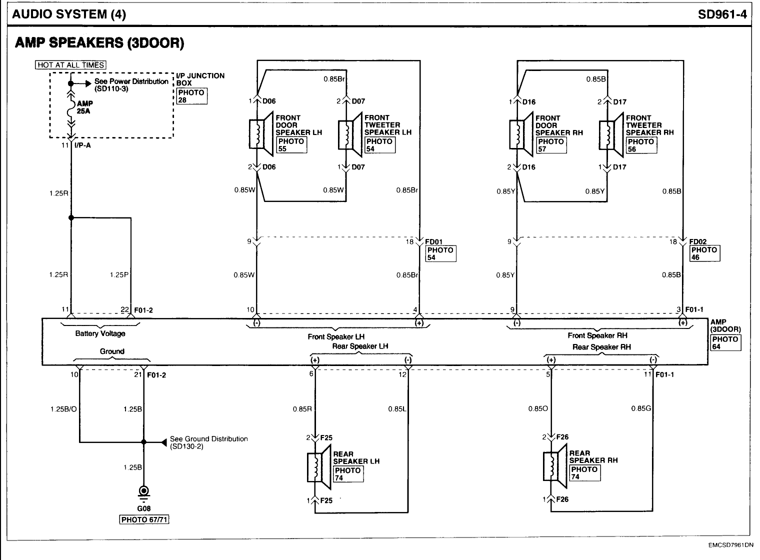
Where is located the factory amp? This is the SE hatchback model.
Feb 14, 2018 at 4:10 PM
Advertisement
STEVE W.
CERTIFIED EXPERT
15,113 POSTS
If it has one it will be behind the right rear trunk trim panel under the hatchback. Remove the screws and clips and the amp is mounted to a bracket. Check out the diagrams (Below). Please let us know what you find. We are interested to see what it is.