Factory alarm how to turn off to start car?

1994 CHEVROLET CAMARO
150,000 MILES • 5.7L • V8 • 2WD
Avatar
DANG SONY
  • MEMBER
  • 1 POST
The factory alarm is flashing can't start car. how to turn it off?
Oct 20, 2021 at 9:52 AM
Advertisement
Avatar
SQM
  • CERTIFIED EXPERT
  • 6,383 POSTS
Hello,

Try this method to see if you can reset the light.

Unlock the car using the key fob. Use the key to lock and unlock the door.
Inset the key and crank the engine.
Hold the panic button and try starting it.

If this does not work disconnect the battery and wait 60 seconds and reconnect.

Here is helpful article:

https://www.2carpros.com/articles/how-to-reset-a-security-system

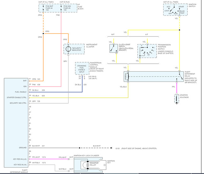
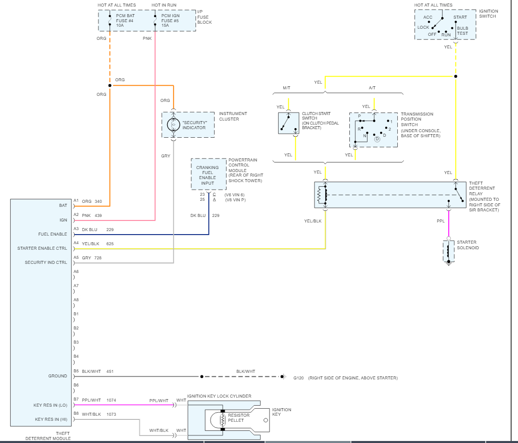
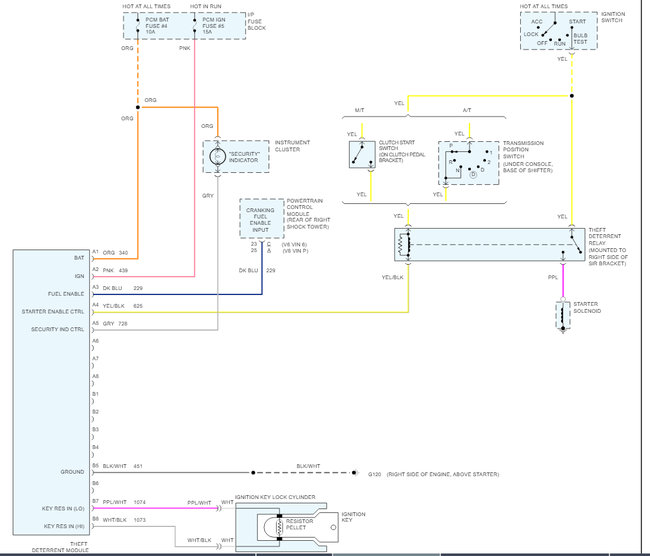
If you are unable to reset it, you could have a bad module. You can try to disconnect the fuse for the alarm.
Check the fuse number 4 and 5, that is located in the under the dash fuse panel.

I have attached diagrams for your reference.

Please let me know if you have any questions.
Thank you.
Oct 20, 2021 at 1:35 PM