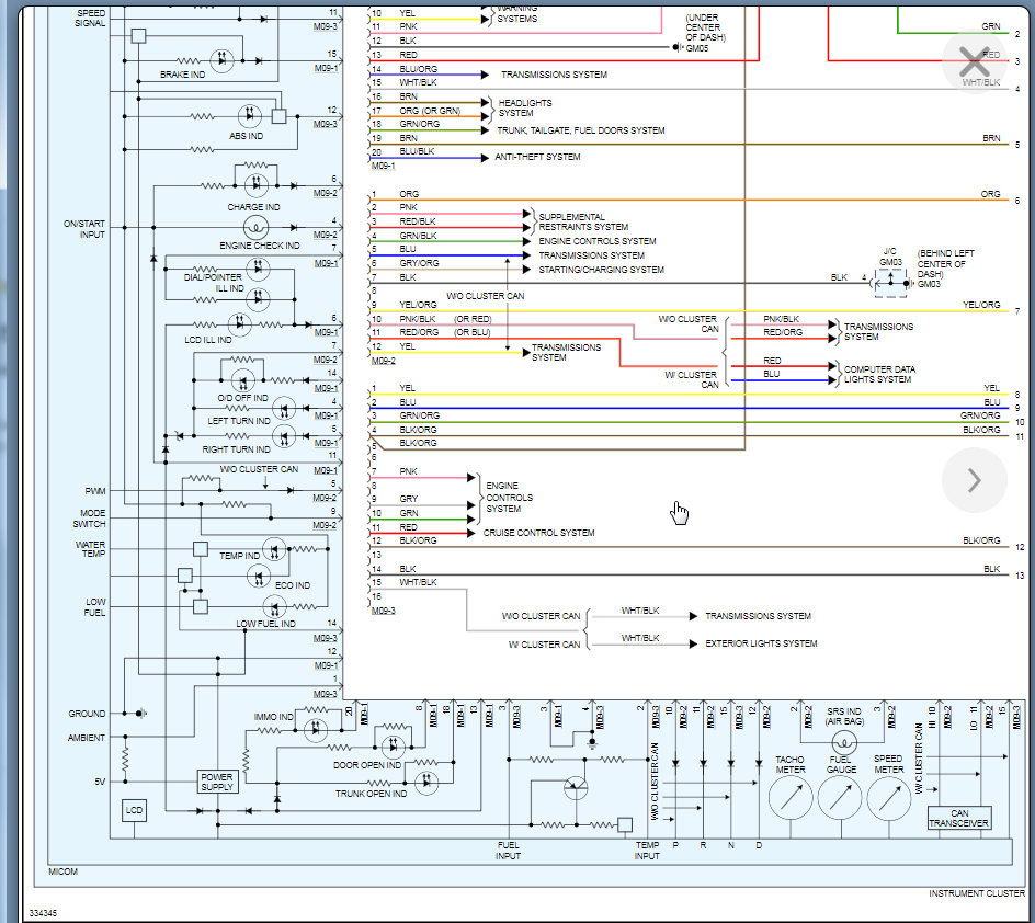
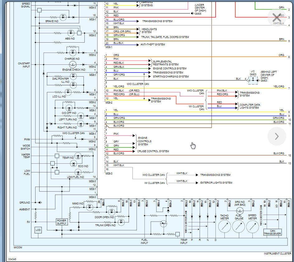
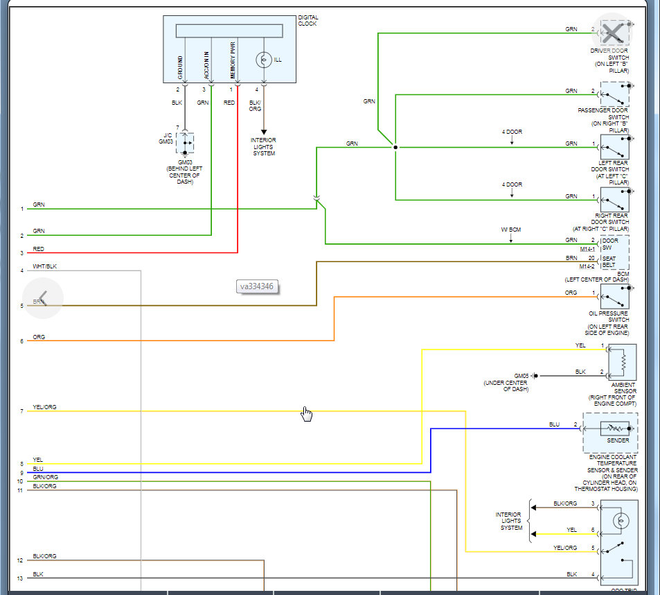
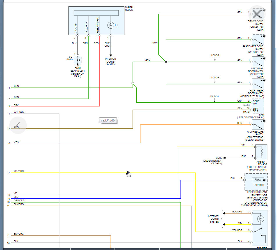
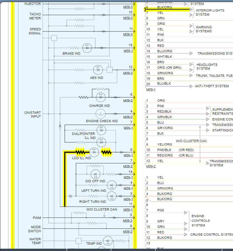
Just 2 days ago, I noticed that there are km and ml letters, and letters A and B displayed on the odometer screen when key is at on or engine running. After waiting for about 5 minutes, everything turns normal again. Refer attachment for clearer information.
In normal, it shows km and no A and B displayed, just blank.
No other issues with the car. Just those surprising extra letters!!!
How to fix it? What causes?? Please kindly help.
In normal, it shows km and no A and B displayed, just blank.
No other issues with the car. Just those surprising extra letters!!!
How to fix it? What causes?? Please kindly help.
Oct 21, 2020 at 2:29 AM






