Daytime running lights will not turn off

2019 FORD MUSTANG
4,200 MILES • 2.0L • 4 CYL • 2WD • AUTOMATIC
Avatar
BABYROAN
  • MEMBER
  • 1 POST
As a result, the battery is constantly running down. Today when I tried to charge the battery the lights, again, would not turn off and I could not get enough of a charge to start the car.

Is there a way to disconnect the lights so I can charge the battery and get it to the Ford dealer where the car is still under warranty?

Thanks!

Gary
Jun 20, 2022 at 3:23 PM
Advertisement
Avatar
STRAILER
  • CERTIFIED EXPERT
  • 53,855 POSTS
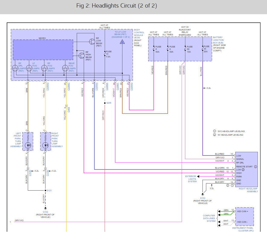
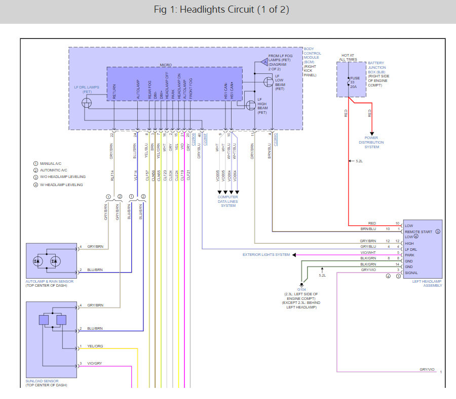
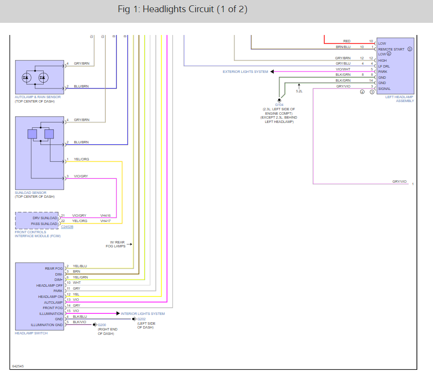
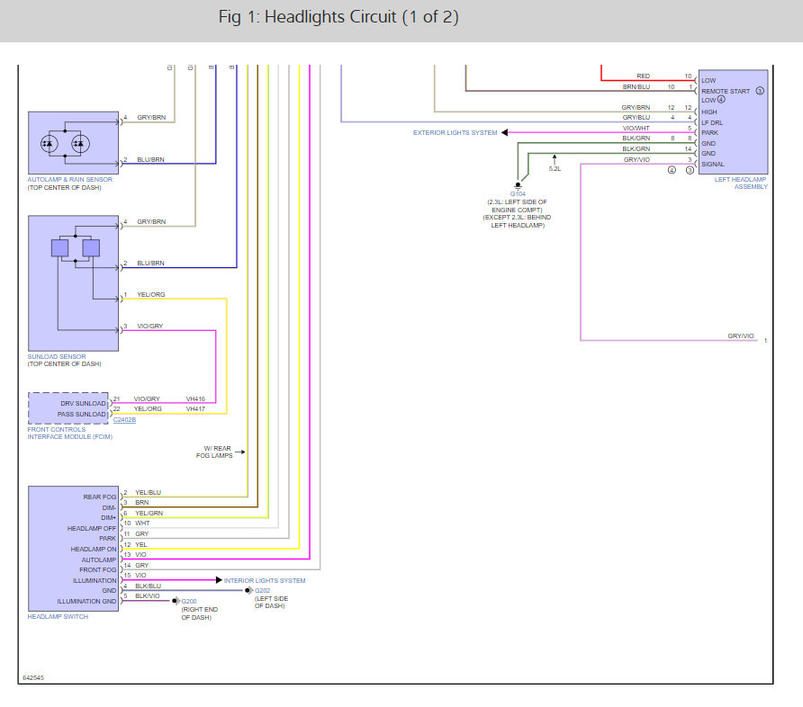
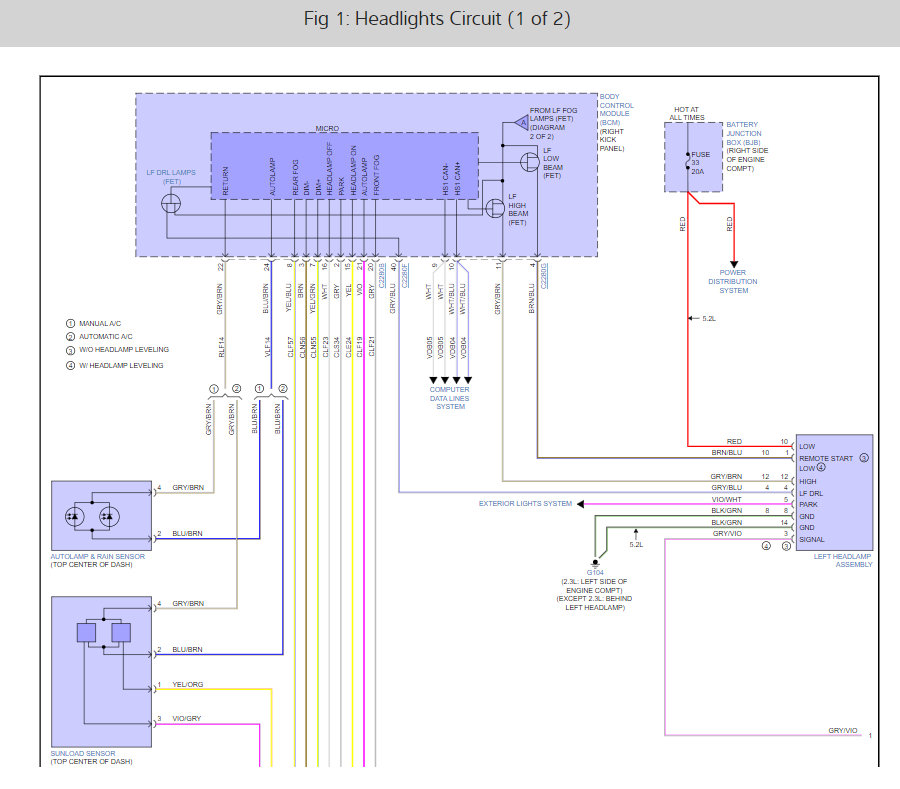
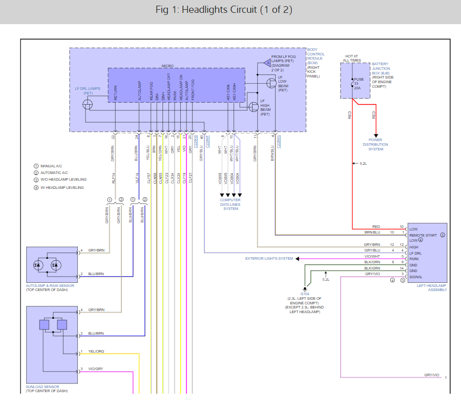
Unfortunately, the DRL is controlled by the BCM, but we can try to remove some fuses to help not drain down the battery. I have included the headlight/DRL wiring diagrams so you can see how the system works and instructions on how to replace the BCM so you can see what needs to be done to fix it. Also, I have included the fuses you can pull (one at a time) once you pull a fuse and the DRL goes out make sure the car starts. Check out the diagrams (below). Let us know what happens and please upload pictures or videos of the problem.

Jun 21, 2022 at 9:37 AM