Evap system Car stalls when coming to a stop?

2011 FORD ESCAPE
160,000 MILES • 2.5L • 4 CYL • 2WD • AUTOMATIC
Avatar
MRCO2073
  • MEMBER
  • 2 POSTS
Car stalls when coming to a stop after about 20 minutes of highway driving. Starts right up when I put in neutral. It started happening after the charcoal canister got replaced. I eventually also replaced the purge solenoid however, after about two months, it got stuck open again and I started having the same problems with it stalling after about 20 minutes on the highway when coming to a stop in traffic. Not sure why the purge solenoid keeps getting stuck open.
Dec 13, 2025 at 11:40 AM
Advertisement
Avatar
AL514
  • CERTIFIED EXPERT
  • 5,465 POSTS
Hello, was the new purge valve from Ford? We have been seeing a lot of aftermarket parts that are bad right out of the box. Something to consider is, when the original canister failed, pieces of charcoal from the canister can end up in the Evap hoses/lines and can cause a new Purge valve to end up sticking as well. You can lightly tap it and see if any tiny pieces of charcoal come out. Evap system issues can be very difficult. Not using oem Ford parts can contribute to issues as well. If you find the new purge valve does in fact have pieces of charcoal falling out, I would clean out the Evap lines running from the Purge valve back to the canister.
Is it setting new codes for the Evap system?
Dec 14, 2025 at 9:10 AM
Avatar
AL514
  • CERTIFIED EXPERT
  • 5,465 POSTS
Here is a guide to the Evap system's operations to get a better idea of how it works.

https://www.2carpros.com/articles/how-emission-control-systems-work
Dec 14, 2025 at 9:11 AM
Advertisement
Avatar
MRCO2073
  • MEMBER
  • 2 POSTS
I just recently put in the ford purge valve but the 1st one I put lasted 2 months it was not a ford part 2nd one was also not a ford part lasted less than 2 weeks before I started having issues again. I was getting codes P0443, and P1450.
Dec 14, 2025 at 1:56 PM
Avatar
AL514
  • CERTIFIED EXPERT
  • 5,465 POSTS
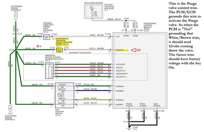
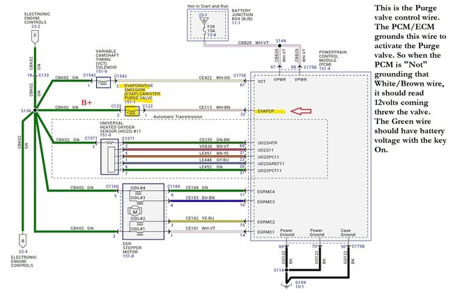
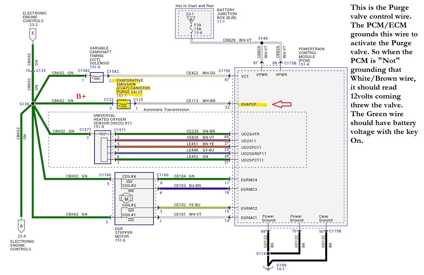
Ok so some codes are still setting. And this P0443 is a circuit code for the Purge valve, with the P1450 being a trouble code for "Unable to Bleed Up Fuel Tank Vacuum".
This code is related, to test the fuel tank for any fuel vapor leaks, the ECM (engine computer) will close the Vent Valve on the Evap Canister and it opens the Purge valve. This causes a vacuum from the intake manifold to pull the fuel vapors from the gas tank so it can be burned in the engine instead of being released into the atmosphere.
The ECM monitors the fuel tank pressure with a very sensitive pressure sensor, and any changes or lack of change when its supposed to change pressure will set codes.

I will post the flow chart for diagnosing the first code (P0443) because its a circuit code and is most likely also the cause of the 2nd code.
Start by taking a look at live engine data with the scan tool, and see what the Fuel Tank Pressure Sensor (FTPS) is reading at key On engine Off, and then at idle.

Then when diagnosing a Purge valve issue the first thing I check is if the valve is closed when its off. You shouldnt be able to blow any air threw it. The Purge valve should only open when the ECM provides a Ground for the valve and this happens after the vehicle has started to warm up.
The 2nd thing I check is if there is any intake manifold vacuum at the valve with the engine idling and the valve unplugged. There should be no vacuum pulling on the valve.
Since you are dealing with a circuit code, you will need to use a multimeter to check for voltage and actuation of the valve when the ECM commands it on. More advanced scan tools can activate the valve using bi-directional controls, but this depends on the scan tool being used.

Ill post this service info for you, along with wiring diagrams so you can check the valve for power. (Something to note: An issue with the fuel tank pressure sensor can also cause codes like this because it can be providing the ECM with incorrect data) just something to keep in mind.
Dec 15, 2025 at 8:35 AM
Avatar
AL514
  • CERTIFIED EXPERT
  • 5,465 POSTS
Here are the oem Ford wiring diagrams and the first part of the flow chart for the P0443 code since the entire flow chart is probably 10 to 15 pages of testing steps. But let us know what you find.

https://www.2carpros.com/articles/how-emission-control-systems-work

https://www.2carpros.com/articles/how-to-use-a-voltmeter
Dec 15, 2025 at 8:59 AM
Avatar
AL514
  • CERTIFIED EXPERT
  • 5,465 POSTS
This P1450 can be set by the previous code. Excessive purge flow is going to be a partially stuck open valve or the purge control wire is shorted to ground, keeping the valve active at all times, which on a side note could burn the valve out since its controlled by a pulsed width modulated signal, (a very fast On/Off signal).
Dec 15, 2025 at 9:04 AM