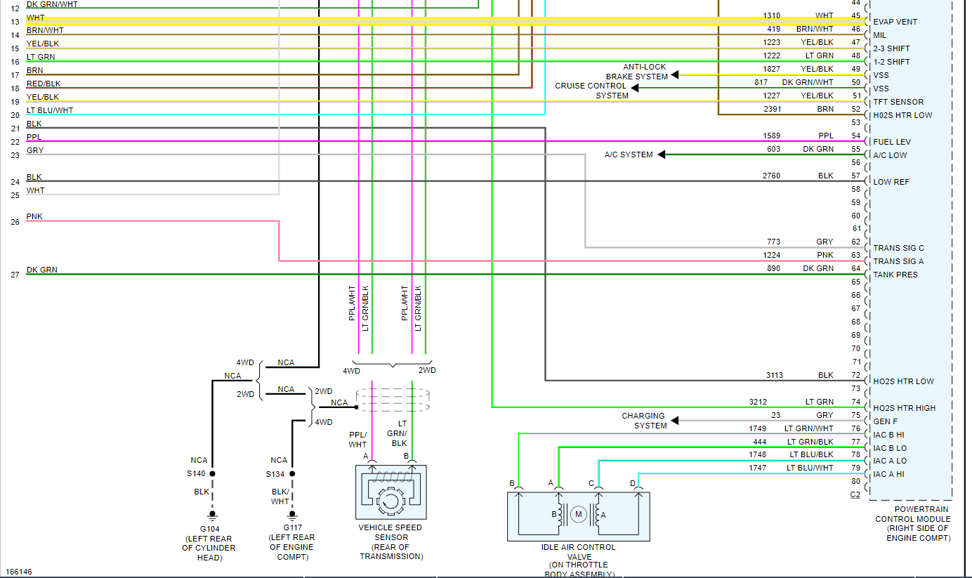
My truck used to hold pressure awhile back syphon gas out of my truck and I got gas out it was slow with a quarter inch clear hose .I'm not sure if that had anything to do with problem I'm having. but since I have owed the truck it has been hard to put gas in. I have had it pass smog with it being hard to fill and it seems to hold pressure. when I do smoke test I built one it makes a lot of smoke. I did test and found nothing. i activated the vent solenoid and I checked the gas cap and took it off and smoke was present and deactivated vent solenoid and smoke comes out and it seems to hold pressure. now I'm going to drive it and see if it will take gas like it is supposed to. I haven't replaced fill neck I know it needs to have drive cycles on it so maybe it's fixed. As much time and effort I have put into it I don't feel like I fixed it because I still have all original equipment. If you have any ideas or help please it would be most helpful. I went to junkyard for purge and vent solenoid.
But put mine back on the other one from junk yard wouldn't hold vacuum purge so I put mine back on. could by unhooking and hooking up make mine start working again.
But put mine back on the other one from junk yard wouldn't hold vacuum purge so I put mine back on. could by unhooking and hooking up make mine start working again.
Apr 15, 2021 at 12:23 PM





























