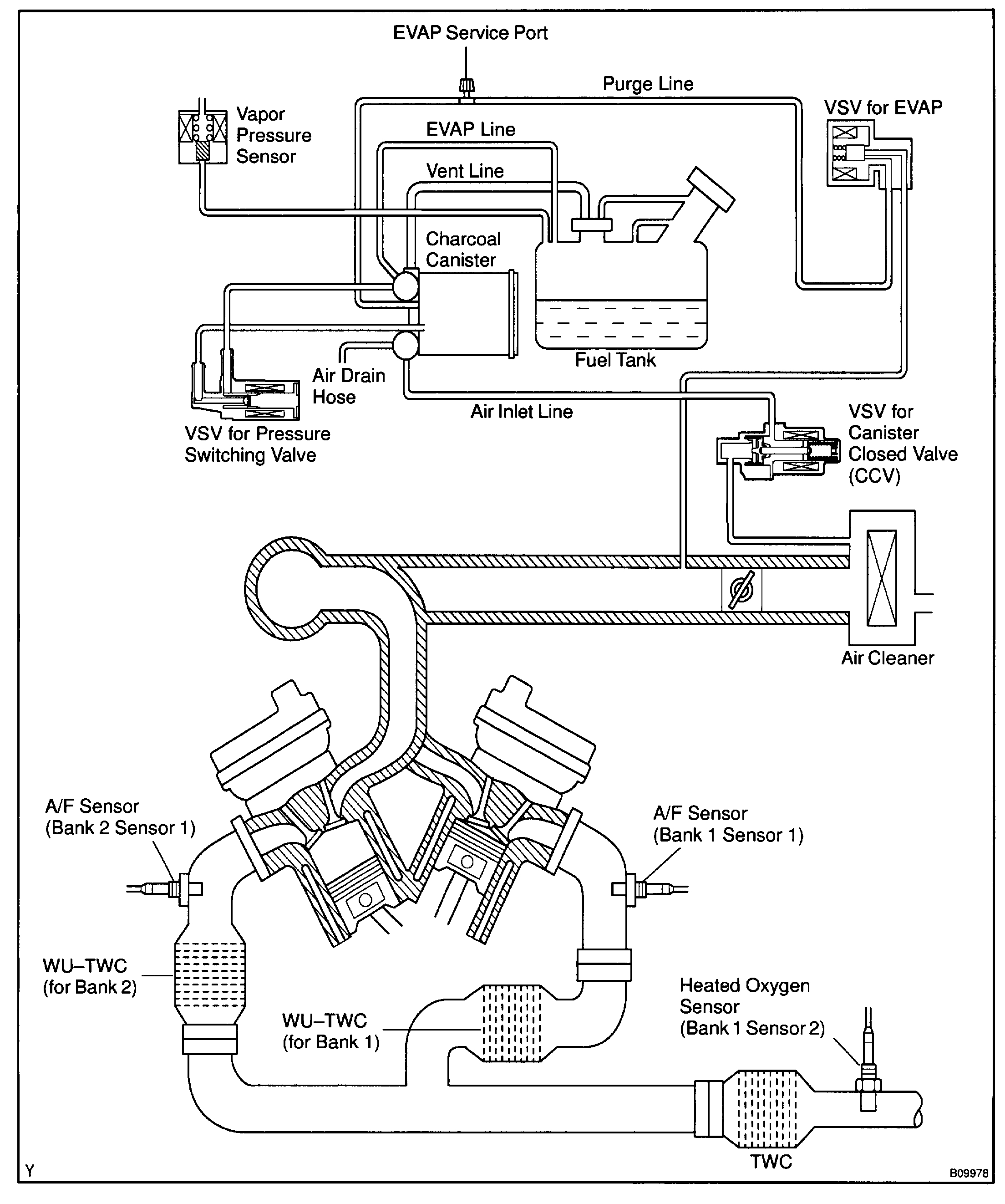
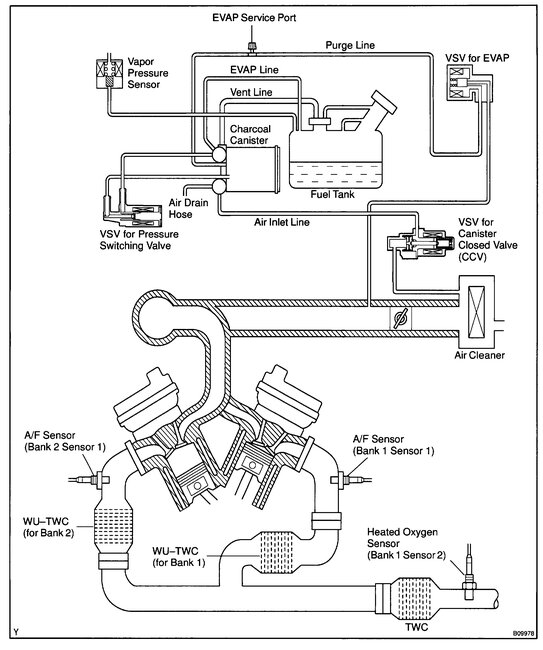
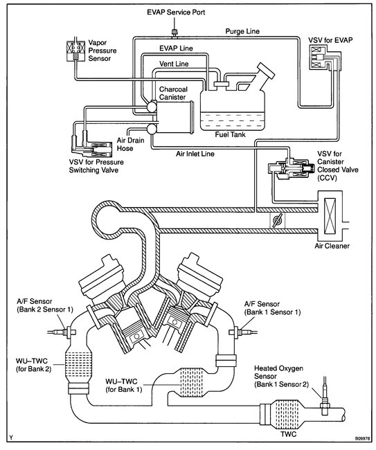
customer states : vehicle began with the code p0440(2).
I replaced the fuel cap with Lexus parts. No visible rust or wear on the filler neck. After replacing, the code read-
p0440(1).
Inspected all of EVAP system for cracks, loose hoses, etc-none found.
Performed smoke test, oil filler cap was leaking badly, replaced with Lexus parts. There are two small leaks , photos provided, other than those two ,no more leaks were found.
No oil leaks of any kind.
Does not burn excessive oil.
Does not run hot.
Tested all valves on the EVAP with direct 12v current, they all work.
Vehicle has excessive fuel consumption (30-40 miles a tank).
All filters on vehicle are new.
Replaced vacuum switch valve near the air filter box.
I am been working on my cars for over 20 years, so i know a few things. Cant figure this one out.
I am NOT good with a multi meter, ONLY BASIC .
Thank you for your support!
AW
I replaced the fuel cap with Lexus parts. No visible rust or wear on the filler neck. After replacing, the code read-
p0440(1).
Inspected all of EVAP system for cracks, loose hoses, etc-none found.
Performed smoke test, oil filler cap was leaking badly, replaced with Lexus parts. There are two small leaks , photos provided, other than those two ,no more leaks were found.
No oil leaks of any kind.
Does not burn excessive oil.
Does not run hot.
Tested all valves on the EVAP with direct 12v current, they all work.
Vehicle has excessive fuel consumption (30-40 miles a tank).
All filters on vehicle are new.
Replaced vacuum switch valve near the air filter box.
I am been working on my cars for over 20 years, so i know a few things. Cant figure this one out.
I am NOT good with a multi meter, ONLY BASIC .
Thank you for your support!
AW
Aug 27, 2025 at 8:35 PM



