ESP LIGHT

2006 AUDI A6
246,456 MILES • 2.0L • 4 CYL • FWD • MANUAL
Avatar
SOKRAT GEGA
  • MEMBER
  • 17 POSTS
Hi All,

My car after five kilometers driving turns on ESP light. if i turn off engine and turn on again ESP light turns off. i checked with Delphi software and I found one fault
18265 Load Signal Error Message From ECU.
Please help me.
Nov 29, 2016 at 4:18 AM
Advertisement
Avatar
STRAILER
  • CERTIFIED EXPERT
  • 53,854 POSTS
Hey Sokrat,

This code means there could be a problem with one of your struts, take a flashlight and check for oil leaking from one or more of them , this means they need to be replaced.


Please let us know happens so it will help others.

Best, Ken

Dec 1, 2016 at 12:09 PM
Avatar
SOKRAT GEGA
  • MEMBER
  • 17 POSTS
Hi Ken
thanks for your reply
Dec 5, 2016 at 4:09 AM
Advertisement
Avatar
STRAILER
  • CERTIFIED EXPERT
  • 53,854 POSTS
No problem Sokrat, did you find any strut leakage?
Dec 5, 2016 at 11:04 AM
Avatar
SOKRAT GEGA
  • MEMBER
  • 17 POSTS
Hi ken thanks for your interest. This days i waiting my friend turn back in my service and i checked this problem thanks again

Sorry for my bad english
Dec 6, 2016 at 2:04 PM
Avatar
SOKRAT GEGA
  • MEMBER
  • 17 POSTS
Hi mr Ken first thanks for your reply in my post i have a small service and what I do in my job is to repair and solve electrical problems my job works fine but I have problem in Diesel Particular Filter sector my question is after remove Diesel Particular Filter car not works normaly on road because ECU not have signals from sensor and I Want to teaching how to remove from ECU Diesel Particular Filter sector Please help Sorry for my bad english
Dec 7, 2016 at 11:57 AM
Avatar
STRAILER
  • CERTIFIED EXPERT
  • 53,854 POSTS
Hey SOKRAT

If this is a separate problem please start a new question.

Best, Ken
Dec 7, 2016 at 2:14 PM
Avatar
SOKRAT GEGA
  • MEMBER
  • 17 POSTS
ok no problem sorry
Dec 7, 2016 at 11:25 PM
Avatar
STRAILER
  • CERTIFIED EXPERT
  • 53,854 POSTS
Please let us now what happens on the ESP LIGHT though, we are interested in getting that problem fixed.
Dec 8, 2016 at 10:41 AM
Avatar
SOKRAT GEGA
  • MEMBER
  • 17 POSTS
Hi ken
Im still waitting for my friend becaiuse he will bring his car to my service
Thank for your interesting
When i check this problem i tell you thanks again
Dec 8, 2016 at 10:52 AM
Avatar
SOKRAT GEGA
  • MEMBER
  • 17 POSTS
Hi
today i check all stuts and no leaks
esp lamp continue on after 5 kilometers
Dec 12, 2016 at 6:31 AM
Avatar
STRAILER
  • CERTIFIED EXPERT
  • 53,854 POSTS
Hi,

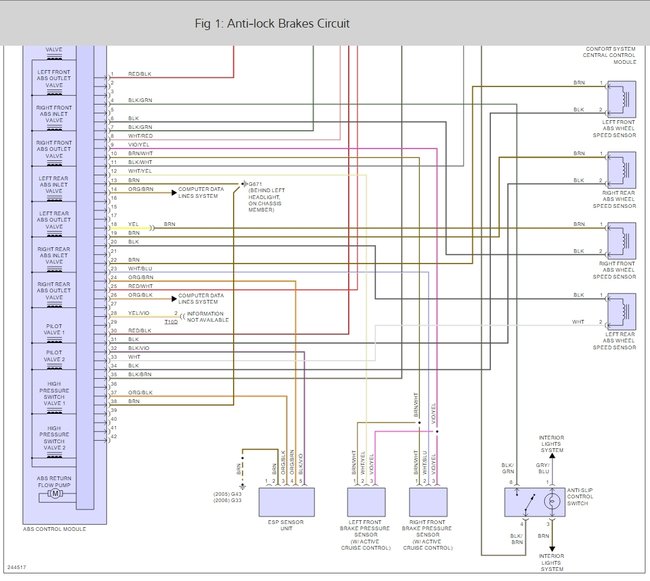
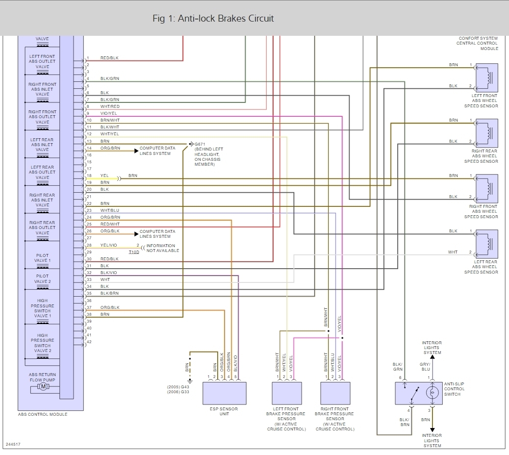
It could be a problem with the sensing unit but there are other fuses. Also the wheel speed sensors can give you some problems as well, here is a guide that can help you test each sensor and wiring diagram to help test the system.

https://www.2carpros.com/articles/abs-wheel-speed-sensor-test

Please run some tests and get back to us so we can continue helping you.

Best, Ken


Dec 12, 2016 at 9:53 AM