Ten ESP codes on scanner?

2009 MERCEDES BENZ CLK 350
127,750 MILES • 3.5L • V6 • 2WD • AUTOMATIC
Avatar
HAL1958
  • MEMBER
  • 89 POSTS
I have 10 Esp codes. What trouble shooting can I do for that? Codes below.
May 21, 2024 at 12:58 PM
Advertisement
Avatar
STEVE W.
  • CERTIFIED EXPERT
  • 15,113 POSTS
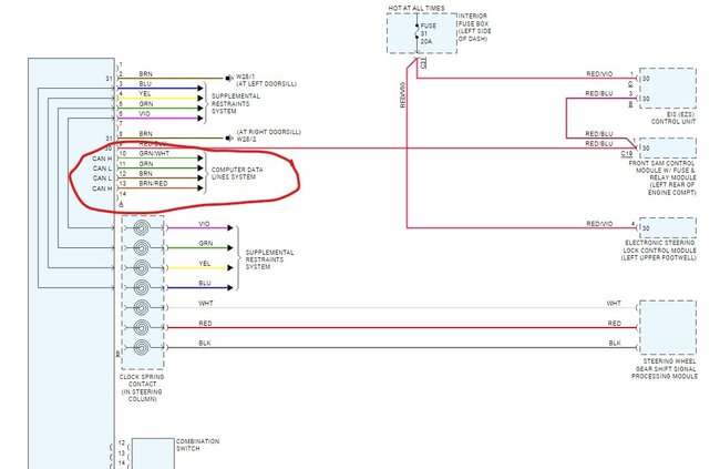
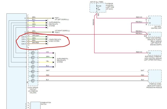
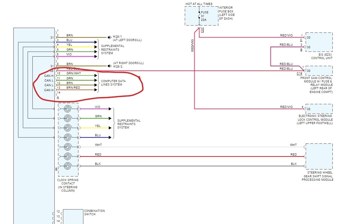
Looking at those codes you have a failure in the CAN bus. You would need to start with an oscilloscope connected to the CAN bus to see what the signal looks like. At the moment it is either missing or very corrupt. Then isolate each component on the CAN bus one at a time until the signal returns or is correct. Then you can repair or replace that part. I would start with the steering column module as there are numerous codes for it, however MB has the module on both the high and low CAN networks, so it makes it harder to test. That is, however, where I would look first. It might be possible to unplug the connector on the steering module and then erase the codes and see which ones return. The problem with that is MB likes to report the loss of signals as well as signal failures so you can end up with other codes as well. That is where using a scope to test works better as it can test with things connected and isolate the data problem.

May 22, 2024 at 5:37 AM
Avatar
HAL1958
  • MEMBER
  • 89 POSTS
I have a thinktool S8 scanner. How can i use it to check the signal ?
May 22, 2024 at 1:41 PM
Advertisement
Avatar
STEVE W.
  • CERTIFIED EXPERT
  • 15,113 POSTS
Sorry no, that tool doesn't have a scope in it. They do make an add on scope, but it is as expensive as the scan tool itself. If you wanted to spend that money, I'd instead opt for one of the Pico scope units.
May 22, 2024 at 3:08 PM
Avatar
HAL1958
  • MEMBER
  • 89 POSTS
when you say steering module do you mean steering angle sensor under airbag ?
May 23, 2024 at 5:18 AM
Avatar
STEVE W.
  • CERTIFIED EXPERT
  • 15,113 POSTS
The steering module is basically the entire column unit. MB loves to stuff a lot of things into a small package, so they put all the controls into the column along with a computer module that uses all of the sensor inputs and passes them on to the rest of the vehicle. So the turn signals, light controls, steering sensors, airbag, and more all in one module with a data network inside it that connects to the rest of the vehicles networks.
May 23, 2024 at 10:43 AM