Error code P1750 and transmission slipping

2003 ACURA TL
148,000 MILES • 3.2L • 6 CYL • 2WD • AUTOMATIC
Avatar
JASON VAUGHN
  • MEMBER
  • 18 POSTS
The car would not go into gear the other day after driving for a while. Had to pull over in a parking lot. The D5 light was blinking, check engine and TCS lights were on. Shut off the engine just for a few seconds and started it back up and the check engine was still on but not the others. Car drove home fine after that. The code I pulled from it was P1750.
Mar 27, 2018 at 12:14 PM
Advertisement
Avatar
MHPAUTOS
  • CERTIFIED EXPERT
  • 31,937 POSTS
That code is for the range position switch, start looking at faulty range position switch.
Range position switch harness is open or shorted.
Range position switch circuit poor electrical connection.
start here.

Mar 28, 2018 at 3:38 AM
Avatar
JASON VAUGHN
  • MEMBER
  • 18 POSTS
The Acura dealership I contacted about this code says it is some kind of solenoids on the transmission. Could that be the problem too or should I start with the range position switch first? Thanks for the reply.
Mar 28, 2018 at 7:05 AM
Advertisement
Avatar
JASON VAUGHN
  • MEMBER
  • 18 POSTS
Also, I have been looking and most places I looked the code to replace/fix this part is P1705 and my code is reading P1750. Just wanted to make sure we were talking about the same thing. Thanks.
Mar 28, 2018 at 8:26 AM
Avatar
JASON VAUGHN
  • MEMBER
  • 18 POSTS
Here is what I get on my code reader.
Mar 28, 2018 at 1:54 PM
Avatar
MHPAUTOS
  • CERTIFIED EXPERT
  • 31,937 POSTS
This is the definition i get on a tech site i looked at.

P1750 Honda - Mechanical problem in hydraulic control system of a/t clutch pressure control solenoid possible causes faulty range position switch range position switch harness is open or shorted Range Position Switch circuit poor electrical connection

But looking a bit further i am not that sure. i will look into it a bit further and see what i come up with.

Mar 28, 2018 at 4:21 PM
Avatar
JASON VAUGHN
  • MEMBER
  • 18 POSTS
So that harness is causing a problem with that solenoid that the code is talking about? I should start with that harness instead of the solenoid? We drove it tonight and it felt like it was trying to slip shifting just a few times and would shift hard a couple of times. We have checked the fluid and it is not low and color looks good.
Mar 28, 2018 at 6:43 PM
Avatar
MHPAUTOS
  • CERTIFIED EXPERT
  • 31,937 POSTS
could well be, in any case that is a good place to start looking. make sure plug is tight and secure, pins are clean and have no corrosion. you can get electrical terminal cleaner in a can to spray on terminals, this you can get at any parts store.
Mar 28, 2018 at 6:53 PM
Avatar
JASON VAUGHN
  • MEMBER
  • 18 POSTS
The plug on the harness and not the solenoid correct? So clean the harness connection before replacing the harness itself? Sorry so many questions. I am not familiar with these cars and we have only had it three weeks and all this had happened.
Mar 28, 2018 at 7:04 PM
Avatar
MHPAUTOS
  • CERTIFIED EXPERT
  • 31,937 POSTS
Do the harness first and see if it fixes it if not do the solenoid pack plugs.
Mar 28, 2018 at 9:37 PM
Avatar
JASON VAUGHN
  • MEMBER
  • 18 POSTS
I ordered that part today to give it a try. When I install the new part what gear should the car be in? Read some about it and some say in park and others say neutral. Just want to do it the correct way. Thanks.
Mar 29, 2018 at 2:14 PM
Avatar
MHPAUTOS
  • CERTIFIED EXPERT
  • 31,937 POSTS
Set it in park, it should only fit on one way anyway.
Mar 29, 2018 at 4:45 PM
Avatar
JASON VAUGHN
  • MEMBER
  • 18 POSTS
That is what I thought, but read on some forums that it would not be right if it was not in neutral for some reason. Thanks for all the help! Hopefully the part will be here in a few days and that will fix the problem.
Mar 29, 2018 at 4:46 PM
Avatar
MHPAUTOS
  • CERTIFIED EXPERT
  • 31,937 POSTS
Let me know if you still have problems.
Mar 29, 2018 at 6:37 PM
Avatar
JASON VAUGHN
  • MEMBER
  • 18 POSTS
This morning my son tried to leave for school and when he put it in reverse it was like it was in neutral. Does this still point to the part I have ordered for it or something else wrong?
Mar 30, 2018 at 6:10 AM
Avatar
KHLOW2008
  • CERTIFIED EXPERT
  • 41,814 POSTS
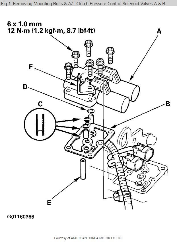
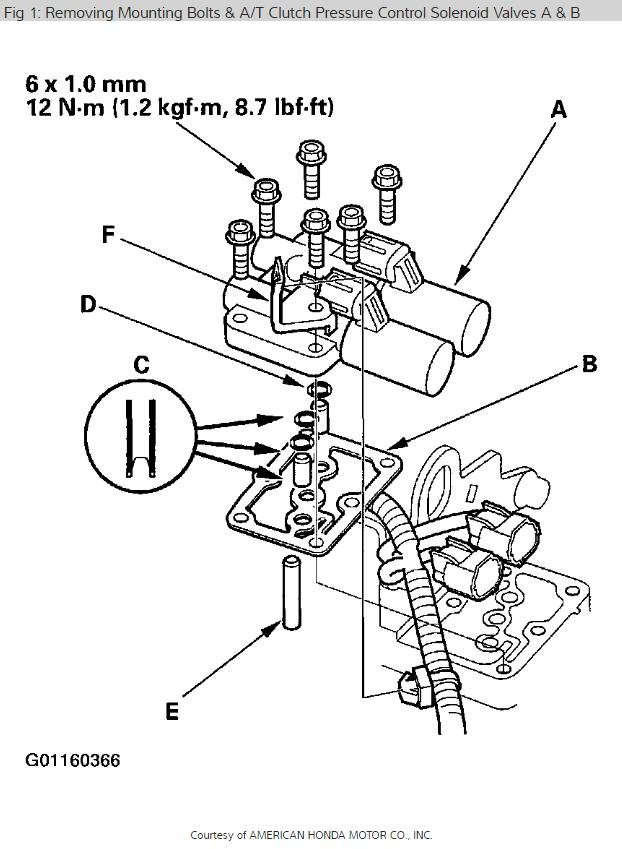
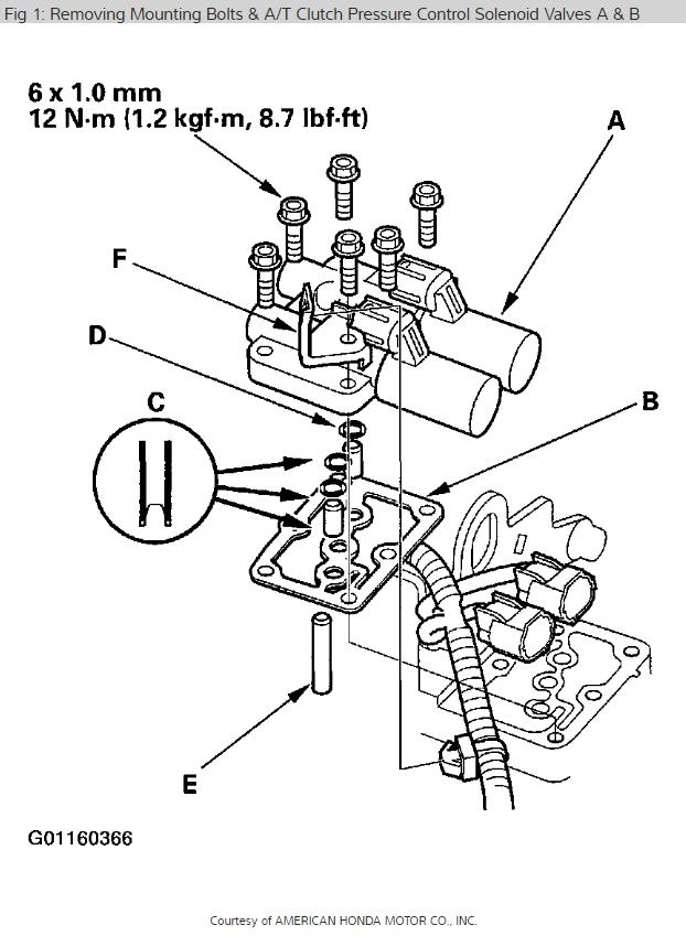
For this trouble code, it should be the pressure control valve that is causing the problem. The diagram shows what it is and this component is known to fail quite often. However, replacing this component does not necessarily solve the problem as internal damage could have occurred after when problem started. Below is the testing procedures

DTC P1750: Mechanical Problem In Hydraulic Control System Of A/T Clutch Pressure Control Solenoid Valves A & B, Or Problem In Hydraulic Control System
NOTE: Record all freeze data and review General Troubleshooting Information before you troubleshoot.
Check whether the OBD II scan tool indicates another code.
Does the OBD II scan tool indicate another code?

YES - Perform the troubleshooting flowchart for the indicated code(s). Recheck for code P1750 after troubleshooting.
NO - Go to step 2.
Turn the ignition switch OFF.
Replace the A/T clutch pressure control solenoid valves A and B. See A/T Clutch Pressure Control Solenoid Valves A and B Replacement .

Reset the PCM memory by removing the BACK UP fuse in the passenger's under-dash fuse relay box for more than 10 seconds.
Calibrate the engine control system in the PCM, see PCM Idle Learn Procedure , and drive the vehicle for several minutes in 1st, 2nd, 3rd, 4th, and 5th gears in the [D 5 ] position.
Recheck for code P1750.
Does the OBD II scan tool indicate code P1750?

YES - Replace the transmission.
NO - The problem has been corrected.

Mar 30, 2018 at 6:59 AM
Avatar
JASON VAUGHN
  • MEMBER
  • 18 POSTS
I will look at that too. I am going to replace the range position switch first since I already have that part ordered. Thanks.
Mar 30, 2018 at 7:09 AM
Avatar
JASON VAUGHN
  • MEMBER
  • 18 POSTS
Is the solenoid A and B the linear solenoid? I have a picture of one I found just want to make sure I am looking at the right thing. Thanks.
Mar 30, 2018 at 10:40 AM
Avatar
KHLOW2008
  • CERTIFIED EXPERT
  • 41,814 POSTS
Yes, it is.
Apr 1, 2018 at 12:39 AM
Avatar
JASON VAUGHN
  • MEMBER
  • 18 POSTS
@MPHAUTOS
Got that part you said to get replaced and did not help. Twice after getting it put on the car would slip in and out of gear then the tcs and check engine light would come on and the d5 light was blinking and would not shift past 2nd gear. Could it still be that linear solenoid or is my transmission shot?
Apr 3, 2018 at 9:04 AM
Avatar
JASON VAUGHN
  • MEMBER
  • 18 POSTS
This is what it did.
Apr 3, 2018 at 9:56 AM
Avatar
JASON VAUGHN
  • MEMBER
  • 18 POSTS
Read the code during lunch and now it's P0780
Apr 3, 2018 at 10:48 AM
Avatar
STRAILER
  • CERTIFIED EXPERT
  • 53,854 POSTS
These cars had problem with the input shaft speed sensor for the transmission have you tried one yet?

Here is the shaft speed sensor location.

Check out the diagrams (Below)

Please let us know what you find. We are interested to see what it is.

Cheers, Ken
Apr 5, 2018 at 2:28 PM
Avatar
JASON VAUGHN
  • MEMBER
  • 18 POSTS
Had a transmission mechanic yesterday and they said the clutches were worn and needed a total rebuild. $3500. May be on the way to the scrap yard now.
Apr 5, 2018 at 2:32 PM
Avatar
STRAILER
  • CERTIFIED EXPERT
  • 53,854 POSTS
hmm 3500? don't need a new car? I would call around to see if you can get one cheaper if you can install the unit yourself it will save.
Apr 6, 2018 at 11:10 AM
Avatar
JASON VAUGHN
  • MEMBER
  • 18 POSTS
I don't have the expertise to install it myself and at this point not sure I want to dump more money into it. Afraid at this point it will be never ending.
Apr 6, 2018 at 2:27 PM
Avatar
STRAILER
  • CERTIFIED EXPERT
  • 53,854 POSTS
It could be, car don't last forever it might be time.
Apr 7, 2018 at 11:57 AM
Avatar
JASON VAUGHN
  • MEMBER
  • 18 POSTS
Just bought it less than a month ago for my son. Started messing up after a week. So losing everything we paid for it in less than a month.
Apr 7, 2018 at 12:04 PM
Avatar
STRAILER
  • CERTIFIED EXPERT
  • 53,854 POSTS
Hmm. sorry about that tough to take for sure, please use 2CarPros anytime we are here to help.

Cheers, Ken
Apr 10, 2018 at 2:08 PM