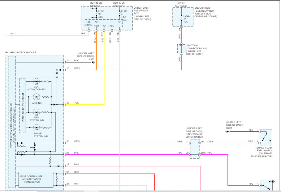
We scanned my car and it is code P1658.
ETCS control relay on malfunction
TACM relay stuck on
I pulled out the backup fuse hoping it would clear the ets but no.
Can't figure it out.
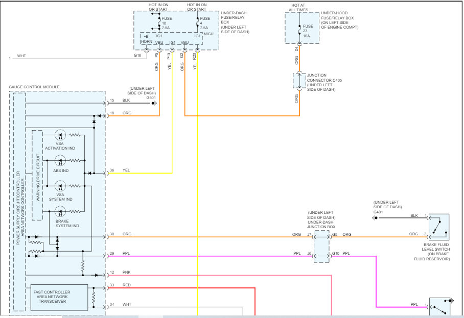
ETCS control relay on malfunction
TACM relay stuck on
I pulled out the backup fuse hoping it would clear the ets but no.
Can't figure it out.
Jun 21, 2023 at 7:51 PM













