EPC Light turns on and turns off when i turn off the car?

2018 VOLKSWAGEN PASSAT
666,690 MILES • 2.0L • 4 CYL • AUTOMATIC
Avatar
RICHIES1
  • MEMBER
  • 1 POST
Hi, I have the vehicle listed above SE model, TSI, with around 66,690 miles. Today I had the EPC light on dashboard 2 times while driving, it did lose power when the light showed up, I had to pull over. I stopped the car for around 5 minutes, it seemed to be normal after that. I'm worried this could happen again, what should I check to prevent this light from coming on again! It is around 66,690 miles, and it did lose power when the light showed up, I had to pull over.
Apr 10, 2024 at 7:16 PM
Advertisement
Avatar
RICHIES1
  • MEMBER
  • 1 POST
It is around 66,690** miles, and it did lost power when the light showed up, I had to pull over
Apr 10, 2024 at 7:21 PM
Avatar
STRAILER
  • CERTIFIED EXPERT
  • 53,854 POSTS
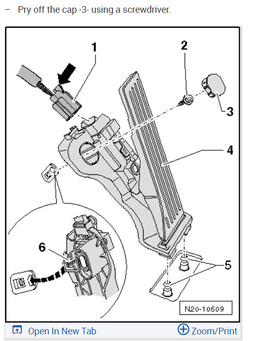
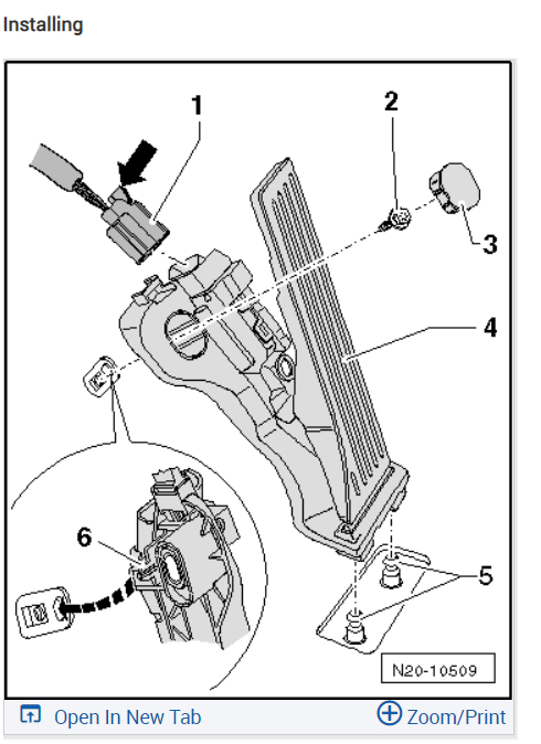
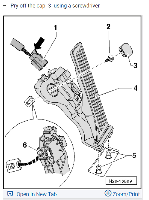
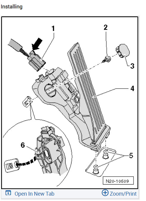
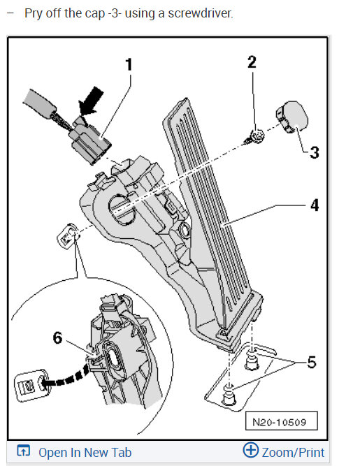
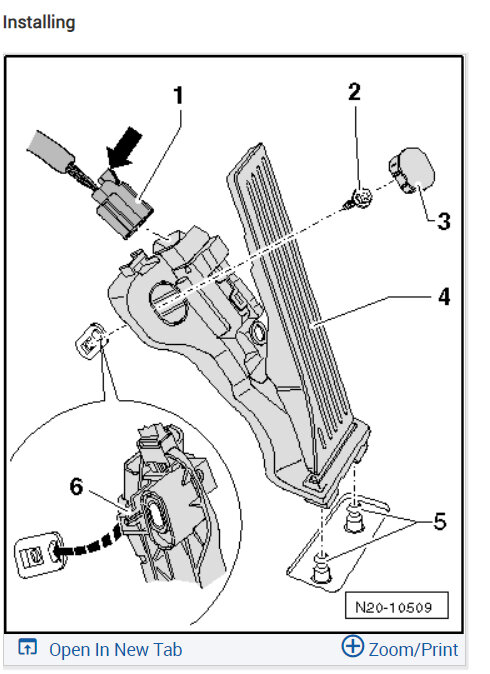
The EPC (Electronic Power Control) light on a Volkswagen Passat indicates there is an issue with the electronic throttle control. So, I would service the throttle body which this guide can show you how with an image below, and I would replace the accelerator pedal position sensor as well. I have also included how to change the sensor out in the images below.

https://www.2carpros.com/articles/throttle-actuator-service

Check out the images (below). Let us know if you need anything else.
Apr 11, 2024 at 11:16 AM
Advertisement