Engine would not turn off

1978 JEEP CJ5
160,000 MILES • 4.2L • 6 CYL • 4WD • MANUAL
Avatar
JEEPDVM
  • MEMBER
  • 3 POSTS
My alternator hasn’t been charging my battery so I went looking for the issue. I noticed on the battery side of my starter solenoid there was a black wire that was just wrapped around the battery side bolt (no termination, just bare wired wrapped around). I removed the wire and the Jeep started fine but when I turned the key off and removed it, the engine kept running.

I replaced the wire and it starts and turns off like it should. I traced the wire and it lead to an ammeter that was hidden under the dash.

I have two questions:
1) Why would removing that wire cause the Jeep to not turn off?
2) I want to get rid of the ammeter because I think that’s why the alternator isn’t working properly. It has two wires attached to it and both have 12 volts going to them. Can I just solder these two wires together and be good? Thanks
Jun 12, 2019 at 7:24 PM
Advertisement
Avatar
CJ MEDEVAC
  • CERTIFIED EXPERT
  • 11,004 POSTS
Please send a good picture of your starter solenoid!

I'd like to see the situation before I send you some diagrams.

Where is the ammeter installed? Do you have a voltmeter on the dash? Send pictures of them also.

My 1977 dash below

The Medic

Jun 13, 2019 at 4:41 PM
Avatar
JEEPDVM
  • MEMBER
  • 3 POSTS
I went ahead and removed the ammeter and wired the two wires together. There also wasn’t any fuse of any sorts so I put a fusible link from the solenoid to the wire that was originally just wrapped around the solenoid post. Jeep is runnning great again, alternator is charging the battery and it actually turned off when I removed the key. Still not sure why it would keep running with that wire removed, but for now it seems like I fixed it and made it a little safer.
Jun 13, 2019 at 4:49 PM
Advertisement
Avatar
CJ MEDEVAC
  • CERTIFIED EXPERT
  • 11,004 POSTS
Do you mean it:

Continued to "run" (as normal)?

Or

It continued to "Crank", as if you had never let off of the start position of the key?

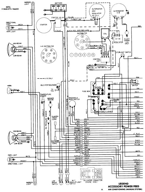
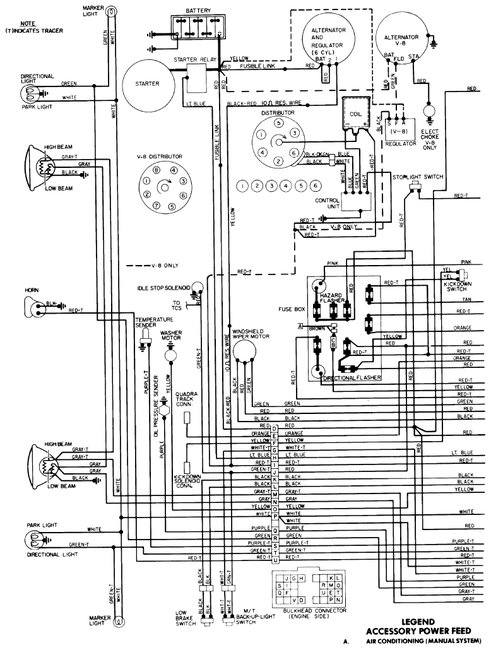
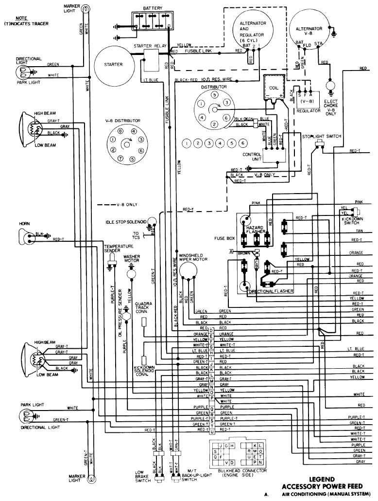
I colored a '79 diagram and use it a lot, I upgraded my Prestolite ignition to Motorcraft, that diagram serves me well, much of it pertains to other CJ years.

I'm guessing yours is still "mostly" 1978. I have not had a chance to color (in Microsoft Paint) this 1977 diagram (should be the same '76-'78), I'm sending it to you anyway, Maybe you can read it well.

Pic 1 and 2) 1977

Pic 3) From a different source, a close up of the solenoid area '76-'78. I could not find the full diagram in all of my pics.

Pic 4 and 5) My 1979 colored diagram

Pic 6) I joined the last two, blew it up, laminated it, it is so easy to trace stuff.

The Medic
Jun 13, 2019 at 6:27 PM
Avatar
JEEPDVM
  • MEMBER
  • 3 POSTS
Thanks for the pictures. Was hoping you’d respond, I’ve read a bunch of your posts and have been very helpful for someone like me just starting on mechanical stuff.

The Jeep would continue to run like normal when I took the key out. I also noticed the parking break light was on with no key in the ignition before I started it.

I have it running properly again. Now I’m just more curious as to how removing that wire would cause that issue.
Jun 14, 2019 at 9:35 AM
Avatar
CJ MEDEVAC
  • CERTIFIED EXPERT
  • 11,004 POSTS
Can you send a picture showing where the wire was?

Here's a picture of my 1977 solenoid, the other is my 1946 pretty much rewired similar to the newer CJs.

Note: I have swapped everything on the big posts to the opposite big post. In other words my "positive stuff" is on the left big post. The starter cable is all by itself on the right side big post. (this is opposite from the original set up)(the solenoid does not care!)

This is now set up more like Ford vehicles of the same period. Best of all, the Positive big post is now close to "S" terminal, the screwdriver can touch both at the same time. This allows me to bump or start the engine using a screwdriver. (last picture)

The Medic
Jun 14, 2019 at 4:38 PM