Engine will not start but starter motor operates

2003 TOYOTA YARIS
168,734 MILES • 4 CYL • 2WD • AUTOMATIC
Avatar
VABBIED
  • MEMBER
  • 15 POSTS
Car listed above has an 2nz engine wont start after radiator fan relay short circuit on alternator and ignition wires. The dashboard blacked out, after checking and cleaning the fuses the dash came to power.
Apr 2, 2020 at 10:33 AM
Advertisement
Avatar
JACOBANDNICKOLAS
  • CERTIFIED EXPERT
  • 110,175 POSTS
Hi,
:
Is there damage to the relay box? Also, did the alternator something on the ignition (wires) short as well?

Let me know exactly what happened, what you have done, and what is happening at this point.

Here are a few links you may find helpful as we go through this repair:

https://www.2carpros.com/articles/how-a-car-fuse-works

https://www.2carpros.com/articles/how-to-check-a-car-fuse

https://www.2carpros.com/articles/how-to-check-an-electrical-relay-and-wiring-control-circuit

https://www.2carpros.com/articles/how-to-use-a-test-light-circuit-tester

https://www.2carpros.com/articles/how-to-use-a-voltmeter

https://www.2carpros.com/articles/how-to-check-wiring

Let me know. Also, if you can see damage to wiring or components, please post them here as well so I can see exactly what is happening.

Take care,
Joe
Apr 2, 2020 at 11:39 AM
Avatar
KASEKENNY
  • CERTIFIED EXPERT
  • 18,907 POSTS
So if you found the relay was shorted against the ignition system and now we have a no start, I am going to assume we have an ignition system issue.

Lets confirm this by pulling a spark plug and connecting it back to the ignition system then hold it against the block and crank the engine. If there is no spark then we need check the ignition relay.

Here is a guide that covers the basics of this issue:

https://www.2carpros.com/articles/car-cranks-but-wont-start

We don't have this exact vehicle year and engine in the USA so I had to use info from a 2006 Yaris with a 1nz engine. The systems are basically the same but I will not be able to assist with location of things as I am sure they are different then your vehicle. However, again the principals are the same.

Let's start with confirming there is no spark and go from there. Thanks
Apr 2, 2020 at 11:49 AM
Advertisement
Avatar
VABBIED
  • MEMBER
  • 15 POSTS
Hi,

First the engine was running perfect but but some mechanic said noticed the radiator fan not working so he put some wiring on the alternator and the spark plug wires, connected the fun right on the alternator with a 24v Relay, Each time i start the engine the fan also starts. It became annoying its noise and the engine temperature was ever cold, the temperature simply kept popping on the dash.

So with little information i had, i decided to reconnect the fan back to its cables hoping it will start running automatically, i waited for the engine temperature to rise but the fan never worked so i had to put it back connecting it on the alternator so it could continue to run each time engine is running.. I think then that is when i made mistake, the dash went off!
I checked for blown fuses i found 10A gauge, 15A ACC were blown so i used small copper wires to fix them and 15A FOG was missing in place Then i tried the ignition on and the dash came to power but the engine wont start! Check for the spark it's there though i think the spark plugs do not look too good as well. But before i tampered with the fan the engine was running perfect.
Apr 2, 2020 at 12:24 PM
Avatar
VABBIED
  • MEMBER
  • 15 POSTS
I checked fuse box in the engine compartment all looks good, the small fuse box connected to the positive terminal of the battery is also good .
Yes, there is damage on one of the spark wires that distribute to spark plugs, where the relay and fan were connected the white cable looks brown now. I will add pictures in the morning.
Apr 2, 2020 at 12:30 PM
Avatar
VABBIED
  • MEMBER
  • 15 POSTS
This was the condition when the short circuit happened.
Apr 3, 2020 at 3:22 AM
Avatar
VABBIED
  • MEMBER
  • 15 POSTS
After checking and cleaning the blown fuses the dash came up, this is now.
Apr 3, 2020 at 3:32 AM
Avatar
JACOBANDNICKOLAS
  • CERTIFIED EXPERT
  • 110,175 POSTS
Hi,

Please clarify something for me. I did watch the video and at one point you are holding a heavy gauge wire. It appears to be attached (exposed connection) to a much smaller red wire. Is that correct?

Let me know.

Joe
Apr 3, 2020 at 5:39 PM
Avatar
VABBIED
  • MEMBER
  • 15 POSTS
Yes, that the black/red stripe cable attached to the alternator and the other small 3 cables connect to the sensor near the alternator. heavy gauge wire. It appears to be attached (exposed connection) to a much smaller red wire. Thus where the radiator fan and relay was connected and caused a short circuit, and from the relay another cable was attached to the cylinder heard.
Apr 4, 2020 at 2:34 AM
Avatar
KASEKENNY
  • CERTIFIED EXPERT
  • 18,907 POSTS
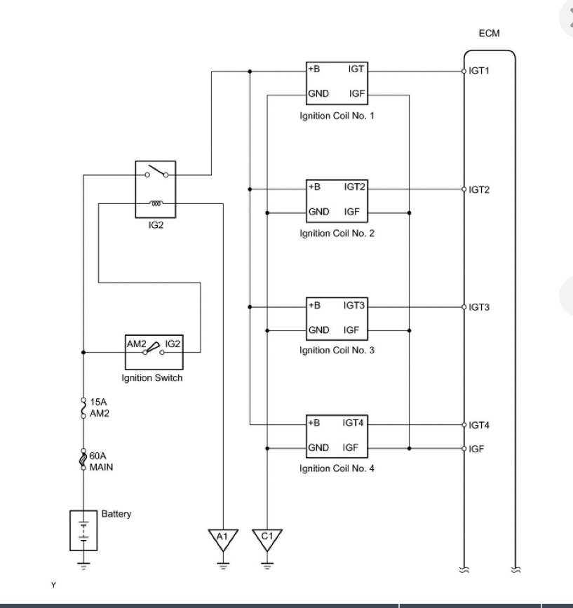
Okay. Just to jump back in, that is not the proper way that is to be wired. I am not sure you are saying this but if the fan is wired to the large gauge wire from the alternator, then that is why the relay is failing. That is far too much current for the fans.

I attached the diagram for a 2006 Yaris (as we don't have a diagram for your year) of the cooling fans. You should not have any other splices or even exposed wiring.

Any that you have needs to be repaired and remove any splices that are not supposed to be there.

Apr 4, 2020 at 4:02 PM
Avatar
VABBIED
  • MEMBER
  • 15 POSTS
So do i need to reconnect the fan using the provided diagram to try the engine or just covering the exposed wiring should get it to start?
Apr 4, 2020 at 9:01 PM
Avatar
JACOBANDNICKOLAS
  • CERTIFIED EXPERT
  • 110,175 POSTS
Hi,

The fan doesn't need connected to try the engine. However, yes, make sure there are no exposed wires that could cause a short. Also, once you get things working properly, make certain nothing can cause a short.
Apr 4, 2020 at 10:42 PM
Avatar
VABBIED
  • MEMBER
  • 15 POSTS
Thank you so much for your quick and helpful response. Am putting tools together to work on getting things working properly, challenge being am in a remote area far enough to a proper garage for diagnosis. I'll be back when am done putting things working.
Apr 5, 2020 at 3:59 PM
Avatar
JACOBANDNICKOLAS
  • CERTIFIED EXPERT
  • 110,175 POSTS
Sounds like a plan. Let us know.

Take care,
Joe
Apr 5, 2020 at 5:53 PM
Avatar
KASEKENNY
  • CERTIFIED EXPERT
  • 18,907 POSTS
Sounds great. Totally understand how that can be a challenge. Let us know how you make out. We are here to help. Either Joe or I will get back to you, whoever gets to it first. Thanks
Apr 5, 2020 at 5:54 PM
Avatar
VABBIED
  • MEMBER
  • 15 POSTS
Shorted radiator fan with a 4 pin relay on the alternator cables. Started the car to check fun running, but got nothing only saw my dash blackout. Then checked the fuse box on the drivers side, the 10A gauge fuse and 15A acc fuse melted. removed the fan and relay circuit, replaced blown fuses and fuel pump with new. Checked for spark is there, tested injector wiring with test light all good but still my Yaris 2nz wont run after starting. I need help please?
May 15, 2020 at 12:47 PM
Avatar
VABBIED
  • MEMBER
  • 15 POSTS
It starts shortly then shuts off. It wont idle.
May 15, 2020 at 12:49 PM
Avatar
JACOBANDNICKOLAS
  • CERTIFIED EXPERT
  • 110,175 POSTS
Hi,

If you have spark and an injector pulse, then it sounds like it isn't getting fuel. Have you confirmed fuel pressure yet? Also, how long does it run?

Please understand, I realize someone has worked on the wiring in the past. I am struggling with possible issues because I don't know what all was done.

Joe
May 15, 2020 at 8:20 PM
Avatar
VABBIED
  • MEMBER
  • 15 POSTS
After shorting the radiator fan on the alternator cables (1 big black cable and 3 small cables) with the 4 pin relay. The dash went out, acc fuse blown, gauge fuse blown.
To fix, i first disconnected the radiator fun and relay that caused the shorting, then i also replaced the blown fuses and the fuel pump it self.
Tried key on. The dash came on. Temperature, and other warning lights all show then goes off including check engine.
Radio, wipers, A/C, headlamps all are functional, but engine wont continue to run. after starting it only stays for 2 to 3 seconds..
Then there is a strong petrol smell.
May 18, 2020 at 10:42 AM
Avatar
VABBIED
  • MEMBER
  • 15 POSTS
How do i check for fuel pressure without the testing too?
May 18, 2020 at 10:44 AM
Avatar
KASEKENNY
  • CERTIFIED EXPERT
  • 18,907 POSTS
You can't check fuel pressure without the gauge but if it is not getting fuel as Joe suggests, then try spraying some starter fluid in the intake and if it fires then you know it is a fuel issue.
May 18, 2020 at 8:04 PM
Avatar
VABBIED
  • MEMBER
  • 15 POSTS
Thanks for the quick response.
May 20, 2020 at 1:50 PM
Avatar
VABBIED
  • MEMBER
  • 15 POSTS
I'll try stater fluid, but i just put a new pump. With the pump that was there when it had shorting, the engine never attempted to run and there was no strong petrol smell that am getting this time.
May 20, 2020 at 1:58 PM
Avatar
KASEKENNY
  • CERTIFIED EXPERT
  • 18,907 POSTS
Okay. If you can smell fuel then I suspect it will not start with starter fluid. If not, you need to pull a plug and hold it against the block and crank the engine to check for spark.
May 20, 2020 at 7:48 PM
Avatar
VABBIED
  • MEMBER
  • 15 POSTS
I tried to start it with MAF sensor disconnected it failed to run then i connected the sensor back, it started with full power like magic.
The engine is now running smoothly
May 25, 2020 at 10:57 PM
Avatar
JACOBANDNICKOLAS
  • CERTIFIED EXPERT
  • 110,175 POSTS
Hi,

That is an interesting one. So, disconnecting and reconnecting the MAF has repaired it?

Let us know. Regardless, I'm glad to hear it's running for you.

Take care,
Joe
May 26, 2020 at 10:22 AM