not cranking over?

2006 CADILLAC DEVILLE DTS
103,000 MILES • 4.7L • V8 • 2WD • AUTOMATIC
Avatar
JERRY JOSEPH JACKSON
  • MEMBER
  • 1 POST
Parked the car to change out the right front turn signal bulb, The next day I went to start the car, nothing. No clicking, no starter. Check fuses and relays and all seem to be okay. Power to the dash, courtesy lights, tail lights and tail signals. No front turn signals or head lights. Had a mechanic friend over and he seems to thing starter solenoid. He might be right, but would that affect the front end lights as well?
Nov 25, 2019 at 2:15 PM
Advertisement
Avatar
STRAILER
  • CERTIFIED EXPERT
  • 53,854 POSTS
Hello,

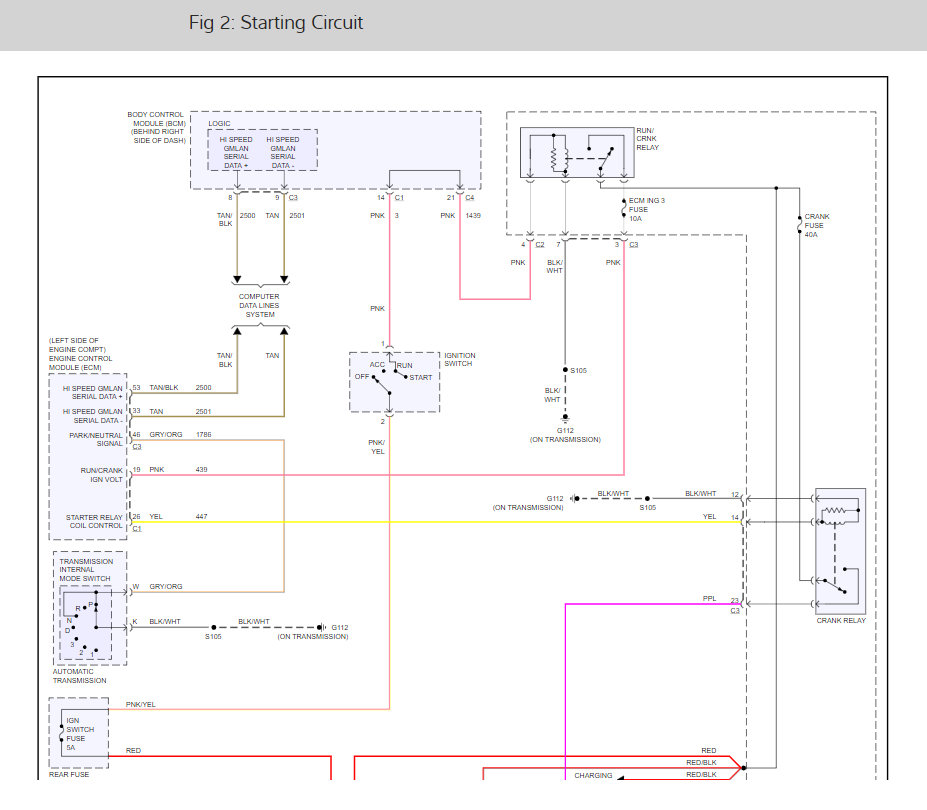
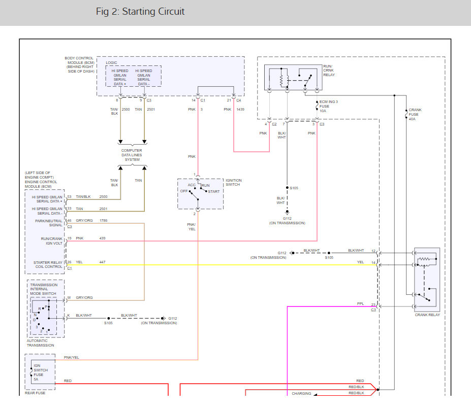
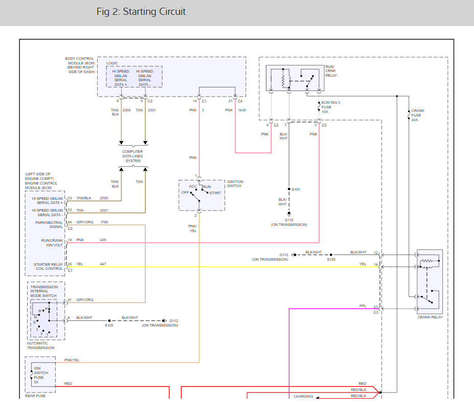
Can I ask if the security light is flashing? If not can you see if the car starts in neutral? Here is a guide to help us find the issue. I have included the starter wiring diagrams so you can see how the system works.

https://www.2carpros.com/articles/starter-not-working-repair

There are two starter relays as well lets also check the battery condition.

https://www.2carpros.com/articles/car-battery-load-test

and

https://www.2carpros.com/articles/how-to-check-an-electrical-relay-and-wiring-control-circuit

Check out the diagrams (below). Please let us know what happens.
Nov 26, 2019 at 6:16 PM
Avatar
JACOBANDNICKOLAS
  • CERTIFIED EXPERT
  • 110,175 POSTS
Hi,

It's odd that both happened at the same time. I wouldn't think they are related, but anything is possible.

First, I attached a few pictures below. Every light on the front of the vehicle has the same grounding location (G104). Picture 1 shows what I am referring to. Also, on a different schematic it shows the additional lights are the same. The second picture I attached shows the ground location that I am referring to.

Next, I need you to check three fuses. See pics 3 and 4. They are in two different locations. Picture 3 shows ones in the under hood fuse box.

Here are a few links you may find helpful:

https://www.2carpros.com/articles/how-a-car-fuse-works

https://www.2carpros.com/articles/how-to-check-a-car-fuse

https://www.2carpros.com/articles/how-to-use-a-test-light-circuit-tester

https://www.2carpros.com/articles/how-to-use-a-voltmeter

https://www.2carpros.com/articles/how-to-check-wiring

Let me know what you find.

Joe

Nov 26, 2019 at 6:32 PM
Advertisement